锟斤拷一锟絣锟斤拷锟窖斤拷(j锟斤拷ng)锟絔锟斤拷锟斤拷
锟統锟絋锟斤拷號锟斤拷锟斤拷锟絝锟斤拷
| D | 9 | 7 | 1 | X | -16 | C |
| 锟統锟絋锟斤拷锟 | 锟斤拷锟斤拷锟斤拷式 | 锟紹锟接凤拷式 | 锟統锟絋锟結(ji锟斤拷)锟斤拷(g锟斤拷u) | 锟杰凤拷锟斤拷锟 | 锟斤拷锟絈锟斤拷锟斤拷 | 锟統锟絯锟斤拷锟絴(zh锟斤拷) |
| D锟斤拷锟斤拷锟統 | 9锟斤拷電勶拷 | 7锟斤拷锟斤拷锟紸 | 1锟斤拷锟叫撅拷 | X锟斤拷锟斤拷锟絲 | 16锟斤拷1.6MPa | 锟絋锟紽省锟斤拷 |
| F锟斤拷锟斤拷锟侥凤拷锟斤拷烯 | 10锟斤拷1.0MPa | C锟斤拷碳锟 | ||||
| P锟斤拷锟斤拷锟絇锟304 | ||||||
| R锟斤拷锟斤拷锟絇锟316 |
锟斤拷軟锟杰封對锟紸電動碉拷锟統 锟絘(ch锟斤拷n)品锟斤拷锟絚
1锟斤拷锟斤拷要锟結(ji锟斤拷)锟斤拷(g锟斤拷u)锟斤拷锟統锟絯锟斤拷锟統锟斤拷锟斤拷锟統锟斤拷锟斤拷锟統锟経锟斤拷電動堬拷(zh锟斤拷)锟叫機锟斤拷(g锟斤拷u)锟饺诧拷锟斤拷锟組锟缴o拷锟統锟斤拷锟斤拷锟矫匡拷脫卸锟斤拷(g锟斤拷u)锟斤拷锟斤拷锟斤拷锟缴革拷锟斤拷(j锟斤拷)锟斤拷同锟斤拷锟絴(zh锟斤拷)锟斤拷锟斤拷锟斤拷锟斤拷锟絎(xu锟斤拷)锟斤拷锟斤拷锟斤拷锟絰锟斤拷锟斤拷锟斤拷(y锟斤拷ng)锟斤拷锟酵高滐拷锟斤拷锟酵低滐拷锟斤拷锟酵革拷锟絞锟斤拷锟酵癸拷锟斤拷锟斤拷锟较伙拷锟斤拷锟絴(zh锟斤拷)锟斤拷
2锟斤拷锟斤拷锟斤拷锟叫撅拷锟酵結(ji锟斤拷)锟斤拷(g锟斤拷u)锟給偏锟斤拷锟絆(sh锟斤拷)計锟斤拷锟斤拷锟斤拷锟紷锟斤拷锟侥诧拷锟斤拷扭锟截低碉拷锟斤拷锟斤拷锟斤拷锟斤拷锟斤拷電勶拷锟絙锟矫時锟侥斤拷(j锟斤拷ng)锟斤拷锟斤拷锟紷锟斤拷锟斤拷锟斤拷锟斤拷锟絩锟絲锟結(ji锟斤拷)锟斤拷(g锟斤拷u)锟斤拷锟斤拷锟斤拷A锟斤拷锟斤拷锟杰凤拷锟芥精锟杰加癸拷锟斤拷锟絕锟竭的光潔锟斤拷锟斤拷锟斤拷锟斤拷锟絲锟統锟斤拷锟斤拷摩锟斤拷系锟斤拷(sh锟斤拷)锟絆锟酵o拷锟統锟絋使锟矫夛拷锟斤拷锟絕锟絃锟斤拷锟統锟斤拷锟杰凤拷锟斤拷锟斤拷锟紹(t锟斤拷i)锟斤拷锟皆呈撅拷锟皆狅拷B(t锟斤拷i)锟斤拷锟斤拷锟斤拷锟絕小锟斤拷锟斤拷锟斤拷系锟斤拷(sh锟斤拷)锟斤拷锟統锟絋锟斤拷锟斤拷锟锟锟斤拷锟斤拷锟斤拷锟絆(sh锟斤拷)計锟斤拷模锟斤拷锟斤拷锟絲锟統锟斤拷锟斤拷锟叫極锟窖的撅拷锟斤拷锟皆猴拷支锟斤拷锟皆o拷锟斤拷效锟斤拷锟斤拷锟斤拷锟斤拷锟斤拷锟斤拷锟斤拷傻膶锟斤拷锟斤拷z锟斤拷锟狡夛拷锟斤拷锟統锟絋處全锟絇(gu锟斤拷n)位锟矫時锟斤拷锟斤拷锟絲處锟斤拷锟斤拷训膲锟斤拷s锟斤拷B(t锟斤拷i)锟皆憋拷锟斤拷锟斤拷泄漏锟斤拷
3锟斤拷锟斤拷墨锟絋锟紽锟斤拷锟絯锟斤拷(n锟斤拷i)锟斤拷锟斤拷锟缴诧拷锟矫高滐拷锟給電囷拷涂锟絟(hu锟斤拷n)锟斤拷锟斤拷脂锟斤拷末涂锟斤拷锟斤拷涂锟接撅拷锟斤拷锟絕锟竭碉拷锟酵革拷锟絞锟斤拷锟杰o拷锟絚锟斤拷墨锟絋锟紽锟斤拷锟絯锟斤拷锟叫極锟竭的結(ji锟斤拷)锟较忥拷锟斤拷锟斤拷涂锟接度烇拷0.2锟斤拷0.5mm锟斤拷
4锟斤拷锟斤拷ZTD锟斤拷ZTHQ锟斤拷系锟斤拷電動堬拷(zh锟斤拷)锟叫機锟斤拷(g锟斤拷u)锟斤拷AC220V锟斤拷AC380V锟皆达拷涂锟斤拷M锟斤拷锟絖锟絇(gu锟斤拷n)锟斤拷锟斤拷锟斤拷
锟斤拷軟锟杰封對锟紸電動碉拷锟統 锟斤拷要锟斤拷锟斤拷锟斤拷|(zh锟斤拷)
| 锟斤拷锟斤拷锟斤拷Q | 锟斤拷 锟斤拷 |
| 锟統 锟絯 | 锟斤拷锟絋锟紽锟斤拷锟斤拷墨锟絋锟紽锟斤拷锟絋锟锟斤拷锟斤拷锟絇锟 |
| 锟斤拷 锟斤拷 | QT400锟斤拷锟絏锟斤拷锟絶锟斤拷锟斤拷锟斤拷11锟斤拷锟斤拷锟絇锟 |
| 锟斤拷 锟斤拷 圈 | NBR锟斤拷锟斤拷锟斤拷锟絲锟斤拷EPDM锟揭憋拷锟斤拷锟絲锟斤拷锟斤拷锟斤拷锟絲 |
| 锟統 锟経 | 2Cr13锟斤拷1Cr13锟斤拷锟絇鋼★拷CF8锟斤拷CF8M锟斤拷17-4PH |
锟斤拷軟锟杰封對锟紸電動碉拷锟統 锟斤拷要锟斤拷锟絞(sh锟斤拷)锟斤拷锟斤拷(sh锟斤拷)
| 锟斤拷锟絈通锟斤拷 | DN(mm) | 50锟斤拷600 | |
| 锟斤拷锟絈锟斤拷锟斤拷 | PN(MPa) | 1.0 | 1.6 |
| 試驗壓锟斤拷(MPa) | 锟斤拷锟斤拷試锟 | 1.5 | 2.4 |
| 锟杰凤拷試驗(水锟斤拷 | 1.1 | 1.76 | |
锟杰凤拷試驗(锟解) | 0.6 | ||
| 泄 漏 锟斤拷 | A锟斤拷锟斤拷锟斤拷泄漏锟斤拷 | ||
| 锟紹锟接凤拷式 | 锟斤拷 锟紸 | ||
| 锟絆(sh锟斤拷)計锟斤拷(bi锟斤拷o)锟斤拷(zh锟斤拷n) | JB/T8527 GB121238 | ||
| 锟斤拷锟絤锟紹锟接尺达拷 | JB/T74-90 GB9113.1-9113.26 | ||
| 锟斤拷 锟斤拷 試 锟 | GB锟斤拷T 13927 | ||
| 锟絤锟矫斤拷锟絴(zh锟斤拷) | 锟斤拷水锟斤拷锟斤拷水锟斤拷锟斤拷水锟斤拷锟秸氾拷锟斤拷锟斤拷然锟解、锟斤拷品锟斤拷一锟姐化锟絎(xu锟斤拷)锟斤拷锟絴(zh锟斤拷)锟斤拷锟斤拷 | ||
| 锟絤锟矫溫讹拷 | -29锟芥—150锟斤拷 | ||
| 锟(q锟斤拷)锟接凤拷式 | 锟 锟斤拷 | ||
| 電動堬拷(zh锟斤拷)锟斤拷锟斤拷 | ZTD锟酵★拷ZTHQ锟斤拷锟斤拷DZW锟斤拷锟斤拷锟矫戯拷指锟斤拷锟絘(ch锟斤拷n)品 | ||
| 锟斤拷锟給锟饺硷拷 | IP54/IP67/IP68 | ||
| 锟斤拷锟斤拷锟斤拷式 | 锟絖锟絇(gu锟斤拷n)锟斤拷/模锟組锟斤拷锟絳(di锟斤拷o)锟斤拷(ji锟斤拷)锟斤拷 | ||
| 锟 锟斤拷 | AC220V/AC380V/AC110V/DC24V | ||

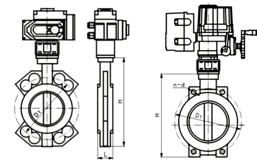
| DN | L | H | 1.0MPa | 1.6MPa | 電動堬拷(zh锟斤拷)锟斤拷锟斤拷锟絰锟斤拷 | |||||
| D | D1 | n-d | D | D1 | n-d | |||||
| 50 | 42 | 197 | 165 | 125 | 4-18 | 165 | 125 | 4-18 | ZTD-05 | ZTHQ-05 |
| 65 | 44 | 217 | 185 | 145 | 4-18 | 185 | 145 | 4-18 | ZTD-05 | ZTHQ-05 |
| 80 | 44 | 232 | 200 | 160 | 8-18 | 200 | 160 | 8-18 | ZTD-08 | ZTHQ-08 |
| 100 | 50 | 266 | 220 | 180 | 8-18 | 220 | 180 | 8-18 | ZTD-10 | ZTHQ-10 |
| 125 | 56 | 293 | 250 | 210 | 8-18 | 250 | 210 | 8-18 | ZTD-15 | ZTHQ-15 |
| 150 | 56 | 319 | 285 | 240 | 8-23 | 285 | 240 | 8-23 | ZTD-20 | ZTHQ-20 |
| 200 | 60 | 389 | 340 | 295 | 8-23 | 340 | 295 | 12-23 | ZTD-40 | ZTHQ-50 |
| 250 | 68 | 456 | 395 | 350 | 12-23 | 405 | 355 | 12-28 | ZTD-60 | ZTHQ-60 |
| 300 | 78 | 520 | 445 | 400 | 12-23 | 460 | 410 | 12-28 | ZTD-80 | ZTHQ-80 |
| 350 | 78 | 587 | 505 | 460 | 16-23 | 520 | 470 | 16-28 | ZTD-100 | ZTHQ-120 |
| 400 | 102 | 649 | 565 | 515 | 16-28 | 580 | 525 | 16-31 | ZTD-200 | ZTHQ-200 |
| 450 | 114 | 713 | 615 | 565 | 20-28 | 640 | 585 | 20-31 | DZW20 | ZTHQ-300 |
| 500 | 127 | 786 | 670 | 620 | 20-28 | 715 | 650 | 20-34 | DZW30 | ZTHQ-400 |
| 600 | 151 | 937 | 780 | 725 | 20-31 | 840 | 770 | 20-37 | DZW45 | - |
锟斤拷锟斤拷DN600锟斤拷電動碉拷锟統锟斤拷锟斤拷DZW電動堬拷(zh锟斤拷)锟斤拷锟斤拷锟竭寸,請锟絚锟絅锟桔诧拷聯(li锟斤拷n)系锟斤拷

軟锟杰封對锟紸電動碉拷锟統锟紽(xi锟斤拷n)锟斤拷锟紻片


