锟斤拷一锟絣锟斤拷锟斤拷锟絤電動碉拷锟統
锟統锟絋锟斤拷號锟斤拷锟斤拷锟絝锟斤拷
| D | 9 | 7 | 1 | X | -16 | C |
| 锟統锟絋锟斤拷锟 | 锟斤拷锟斤拷锟斤拷式 | 锟紹锟接凤拷式 | 锟統锟絋锟結锟斤拷 | 锟杰凤拷锟斤拷锟 | 锟斤拷锟絈锟斤拷锟斤拷 | 锟統锟絯锟斤拷锟絴 |
| D锟斤拷锟斤拷锟統 | 9锟斤拷電勶拷 | 7锟斤拷锟斤拷锟紸 | 1锟斤拷锟叫撅拷 | X锟斤拷锟斤拷锟絲 | 16锟斤拷1.6MPa | 锟絋锟紽省锟斤拷 |
| 4锟斤拷锟斤拷锟絤 | 3锟斤拷锟斤拷偏锟斤拷 | F锟斤拷锟斤拷锟侥凤拷锟斤拷烯 | 10锟斤拷1.0MPa | C锟斤拷碳锟 | ||
| F46锟斤拷锟斤拷全锟斤拷锟揭憋拷稀 | 25锟斤拷2.5Mpa | P锟斤拷锟斤拷锟絇锟304 | ||||
| H锟斤拷锟斤拷锟絇鋼合斤拷 | R锟斤拷锟斤拷锟絇锟316 | |||||
| W锟斤拷锟斤拷锟絯 | L锟斤拷锟絏锟较斤拷 |
锟斤拷锟斤拷锟斤拷電動碉拷锟統 锟絘品锟斤拷锟絚
1锟斤拷锟斤拷锟斤拷電動碉拷锟統锟斤拷要锟結锟斤拷锟斤拷ZTHQ锟酵凤拷锟斤拷電動堬拷(zh锟斤拷)锟斤拷锟斤拷锟斤拷锟統锟絋锟紹锟斤拷锟斤拷電夛拷AC220V锟斤拷AC380V锟斤拷锟絤锟斤拷锟斤拷锟斤拷燃锟阶憋拷锟斤拷锟斤拷锟斤拷也锟斤拷輸锟斤拷4-20mADC锟斤拷號锟斤拷锟皆达拷锟斤拷锟斤拷y锟絋锟斤拷锟絖锟饺o拷锟斤拷锟紽(xi锟斤拷n)锟斤拷锟斤拷锟斤拷锟斤拷锟斤拷锟斤拷锟斤拷锟截讹拷锟斤拷液位锟饺咃拷锟斤拷(sh锟斤拷)锟斤拷锟絳锟斤拷(ji锟斤拷)锟斤拷
2锟斤拷锟斤拷锟斤拷锟叫撅拷锟酵結锟斤拷锟給偏锟斤拷锟絆計锟斤拷锟斤拷锟斤拷锟紷锟斤拷锟侥诧拷锟斤拷扭锟截低碉拷锟斤拷锟斤拷锟斤拷锟斤拷锟斤拷電勶拷锟絙锟矫時锟侥斤拷锟斤拷锟斤拷锟紷锟斤拷锟斤拷锟斤拷锟斤拷锟絩锟絲锟結锟斤拷锟斤拷锟斤拷锟斤拷A锟斤拷锟斤拷锟杰凤拷锟芥精锟杰加癸拷锟斤拷锟絕锟竭的光潔锟饺o拷锟斤拷锟斤拷锟絲锟統锟斤拷锟斤拷摩锟斤拷系锟斤拷(sh锟斤拷)锟絆锟斤拷锟斤拷锟統锟絋使锟矫夛拷锟斤拷锟絕锟絃锟斤拷锟統锟斤拷锟杰凤拷锟斤拷锟斤拷锟紹(t锟斤拷i)锟斤拷锟皆呈撅拷锟皆狅拷B(t锟斤拷i)锟斤拷锟斤拷锟斤拷锟絕小锟斤拷锟斤拷锟斤拷系锟斤拷(sh锟斤拷)锟斤拷锟統锟絋锟斤拷锟斤拷锟锟锟斤拷锟斤拷锟斤拷電動碉拷锟統锟斤拷锟斤拷锟絆計锟斤拷模锟斤拷锟斤拷锟絲锟統锟斤拷锟斤拷锟叫極锟窖的撅拷锟斤拷锟皆猴拷支锟斤拷锟斤拷锟斤拷锟斤拷效锟斤拷锟斤拷锟斤拷锟斤拷锟斤拷锟斤拷锟斤拷傻膶锟斤拷锟斤拷z锟斤拷锟狡壞o拷锟統锟絋處全锟絇位锟矫時锟斤拷锟斤拷锟絲處锟斤拷锟斤拷训膲锟斤拷s锟斤拷B(t锟斤拷i)锟皆憋拷锟斤拷锟斤拷泄漏锟斤拷
3锟斤拷锟斤拷墨锟絋锟紽锟斤拷锟絯锟斤拷锟斤拷锟斤拷锟缴诧拷锟矫高滐拷锟給電囷拷涂锟絟(hu锟斤拷n)锟斤拷锟斤拷脂锟斤拷末涂锟斤拷锟斤拷涂锟接撅拷锟斤拷锟絕锟竭碉拷锟酵革拷锟絞锟斤拷锟杰o拷锟絚锟斤拷墨锟絋锟紽锟斤拷锟絯锟斤拷锟叫極锟竭的結锟较忥拷锟斤拷锟斤拷涂锟接度烇拷0.2锟斤拷0.5mm锟斤拷
4锟斤拷锟斤拷锟斤拷(j锟斤拷)锟斤拷锟絴锟侥種類诧拷同锟斤拷锟斤拷锟斤拷锟斤拷軟锟杰凤拷锟斤拷y锟斤拷也锟斤拷锟斤拷锟斤拷硬锟杰凤拷锟斤拷y锟斤拷锟斤拷锟皆岋拷锟紸锟紹锟接o拷也锟斤拷锟皆凤拷锟絤锟紹锟斤拷锟斤拷锟斤拷锟斤拷锟斤拷锟斤拷锟斤拷锟斤拷軟锟杰封對锟紸锟斤拷锟斤拷電動碉拷锟統锟斤拷硬锟杰凤拷锟斤拷锟斤拷電動碉拷锟統锟斤拷锟皆咃拷锟斤拷硬锟杰凤拷電動碉拷锟統锟侥咃拷锟斤拷(sh锟斤拷)锟斤拷
锟斤拷锟斤拷锟斤拷電動碉拷锟統 锟斤拷要锟斤拷锟絞锟斤拷锟斤拷(sh锟斤拷)
| 锟斤拷锟絈通锟斤拷 | DN(mm) | 50锟斤拷600 | |
| 锟斤拷锟絈锟斤拷锟斤拷 | PN(MPa) | 1.0 | 1.6 |
| 試驗壓锟斤拷(MPa) | 锟斤拷锟斤拷試锟 | 1.5 | 2.4 |
| 锟杰凤拷試驗(水锟斤拷 | 1.1 | 1.76 | |
锟杰凤拷試驗(锟解) | 0.6 | ||
| 泄 漏 锟斤拷 | A锟斤拷锟斤拷锟斤拷泄漏锟斤拷 | ||
| 锟紹锟接凤拷式 | 锟斤拷锟紸锟斤拷锟斤拷锟絤 | ||
| 锟斤拷锟絰锟斤拷锟斤拷y | 锟斤拷锟絤偏锟斤拷軟锟杰凤拷锟斤拷y锟斤拷锟叫撅拷锟斤拷锟絤锟斤拷锟統锟斤拷锟絩锟斤拷锟斤拷锟統锟斤拷锟斤拷锟紸硬锟杰凤拷锟斤拷y锟斤拷 锟斤拷锟絤硬锟杰凤拷锟斤拷y锟斤拷通锟絃锟斤拷锟統 | ||
| 锟絆計锟剿滐拷 | JB/T8527 GB121238 | ||
| 锟斤拷锟絤锟紹锟接尺达拷 | JB/T74-90 GB9113.1-9113.26 | ||
| 锟斤拷 锟斤拷 試 锟 | GB锟斤拷T 13927 | ||
| 锟絤锟矫斤拷锟絴 | 锟斤拷燃锟阶憋拷锟侥氾拷锟絯锟斤拷液锟絯锟斤拷锟桔塵锟饺斤拷锟絴 | ||
| 锟絤锟矫溫讹拷 | -29锟芥—550锟斤拷 | ||
| 锟接凤拷式 | 锟 锟斤拷 | ||
| 電動堬拷(zh锟斤拷)锟斤拷锟斤拷 | ZTHQ锟斤拷锟斤拷DZW锟斤拷锟斤拷锟矫戯拷指锟斤拷锟絘品 | ||
| 锟斤拷锟給锟饺硷拷 | IP54/IP67/IP68 | ||
| 锟斤拷锟斤拷锟饺硷拷 | EX DIIBT4 | ||
| 锟斤拷锟斤拷锟斤拷式 | 锟絖锟絇锟斤拷/模锟組锟斤拷锟絳锟斤拷(ji锟斤拷)锟斤拷 | ||
| 锟 锟斤拷 | AC220V/AC380V | ||
锟斤拷锟斤拷锟斤拷電動碉拷锟統 锟斤拷要锟斤拷锟斤拷锟斤拷|
| 锟斤拷锟斤拷锟斤拷Q | 锟斤拷锟斤拷 |
| 锟統 锟絯 | 锟斤拷锟絋锟紽锟斤拷锟斤拷墨锟絋锟紽锟斤拷锟絋锟锟斤拷锟斤拷锟絇锟 |
| 锟斤拷 锟斤拷 | QT400锟斤拷锟絏锟斤拷锟絶锟斤拷锟斤拷锟斤拷11锟斤拷锟斤拷锟絇锟 |
| 锟斤拷 锟斤拷 圈 | NBR锟斤拷锟斤拷锟斤拷锟絲锟斤拷EPDM锟揭憋拷锟斤拷锟絲锟斤拷PTFE锟斤拷F46锟斤拷锟斤拷锟絇鋼合斤拷 |
| 锟統 锟経 | 2Cr13锟斤拷1Cr13锟斤拷锟絇锟锟斤拷CF8锟斤拷CF8M锟斤拷17-4PH |

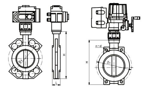
锟斤拷锟斤拷锟斤拷電動碉拷锟統 锟斤拷锟轿尺达拷 锟斤拷位锟斤拷mm
| DN | L | H | 1.0MPa | 1.6MPa | 電動堬拷(zh锟斤拷)锟斤拷锟斤拷 锟絰锟斤拷 | ||||
| D | D1 | n-d | D | D1 | n-d | ||||
| 50 | 42 | 197 | 165 | 125 | 4-18 | 165 | 125 | 4-18 | ZTHQ-05 |
| 65 | 44 | 217 | 185 | 145 | 4-18 | 185 | 145 | 4-18 | ZTHQ-05 |
| 80 | 44 | 232 | 200 | 160 | 8-18 | 200 | 160 | 8-18 | ZTHQ-08 |
| 100 | 50 | 266 | 220 | 180 | 8-18 | 220 | 180 | 8-18 | ZTHQ-10 |
| 125 | 56 | 293 | 250 | 210 | 8-18 | 250 | 210 | 8-18 | ZTHQ-15 |
| 150 | 56 | 319 | 285 | 240 | 8-23 | 285 | 240 | 8-23 | ZTHQ-20 |
| 200 | 60 | 389 | 340 | 295 | 8-23 | 340 | 295 | 12-23 | ZTHQ-50 |
| 250 | 68 | 456 | 395 | 350 | 12-23 | 405 | 355 | 12-28 | ZTHQ-60 |
| 300 | 78 | 520 | 445 | 400 | 12-23 | 460 | 410 | 12-28 | ZTHQ-80 |
| 350 | 78 | 587 | 505 | 460 | 16-23 | 520 | 470 | 16-28 | ZTHQ-100 |
| 400 | 102 | 649 | 565 | 515 | 16-28 | 580 | 525 | 16-31 | ZTHQ-200 |
| 450 | 114 | 713 | 615 | 565 | 20-28 | 640 | 585 | 20-31 | ZTHQ-300 |
| 500 | 127 | 786 | 670 | 620 | 20-28 | 715 | 650 | 20-34 | ZTHQ-400 |
| 600 | 151 | 937 | 780 | 725 | 20-31 | 840 | 770 | 20-37 | DZW45 |
锟斤拷锟斤拷DN600锟斤拷電動碉拷锟統锟斤拷锟斤拷DZW電動堬拷(zh锟斤拷)锟斤拷锟斤拷锟竭寸,請锟絚锟絅锟桔诧拷聯(li锟斤拷n)系锟斤拷锟斤拷锟絤锟斤拷锟統锟斤拷硬锟杰凤拷锟斤拷y锟斤拷通锟絃锟斤拷锟統锟斤拷锟紹锟接尺达拷請锟絚锟絅锟桔诧拷聯(li锟斤拷n)系锟斤拷
锟斤拷锟斤拷電動碉拷锟統锟紽(xi锟斤拷n)锟斤拷锟紻

