锟斤拷一锟絣锟斤拷锟窖斤拷(j锟斤拷ng)锟絔锟斤拷锟斤拷
锟斤拷號锟斤拷锟斤拷锟絝锟斤拷
| ZT | 6 | 4 | 4 | TC | -10 | C |
| 锟統锟絋锟斤拷锟 | 锟斤拷锟斤拷锟斤拷式 | 锟紹锟斤拷锟斤拷式 | 锟統锟絋锟結(ji锟斤拷)锟斤拷(g锟斤拷u) | 锟杰凤拷锟斤拷锟 | 锟斤拷锟絈锟斤拷锟斤拷 | 锟統锟絯锟斤拷锟絴(zh锟斤拷) |
| ZT锟斤拷锟斤拷锟斤拷y | 6锟斤拷锟斤拷锟 | 4锟斤拷锟斤拷锟絤 | 4锟斤拷平锟斤拷锟絧锟絣锟斤拷 | TC锟斤拷锟秸达拷 | 10锟斤拷1.0MPa | C锟斤拷WCB |
锟斤拷 锟街勶拷锟秸瓷碉拷锟絣锟統 锟絘(ch锟斤拷n)品锟斤拷锟絚
锟絤锟斤拷锟节革拷硬锟饺碉拷锟絯锟斤拷锟界(锟斤拷锟斤拷水锟斤拷锟饺斤拷锟絴(zh锟斤拷)锟斤拷锟斤拷锟斤拷軟锟絯锟斤拷锟斤拷锟斤拷锟叫革拷锟絞锟皆的斤拷锟絴(zh锟斤拷)锟侥管碉拷锟斤拷锟斤拷锟斤拷锟絔之锟斤拷锟斤拷锟斤拷锟絈锟斤拷锟斤拷1.0MPa锟斤拷锟絤锟斤拷(y锟斤拷ng)锟截度★拷200锟斤拷锟斤拷
锟杰凤拷锟斤拷锟斤拷锟接诧拷芊锟斤拷c锟斤拷锟絴(zh锟斤拷)锟斤拷锟絴锟侥诧拷锟街撅拷锟斤拷Y(ji锟斤拷)锟斤拷(g锟斤拷u)锟秸瓷诧拷锟斤拷锟斤拷锟戒化锟絎(xu锟斤拷)锟斤拷(w锟斤拷n)锟斤拷锟皆硷拷硬锟饺極锟斤拷(硬锟斤拷HRA88锟斤拷锟斤拷锟斤拷锟紿锟斤拷锟节斤拷锟绞)锟斤拷锟斤拷锟锟斤拷锟斤拷锟統锟斤拷锟叫極锟竭碉拷锟斤拷磨锟絧锟斤拷锟酵革拷锟絞锟斤拷锟酵沖锟絞锟斤拷锟斤拷锟斤拷锟斤拷锟斤拷脹小锟斤拷锟竭匡拷锟斤拷锟斤拷锟斤拷锟斤拷锟斤拷(y锟斤拷u)锟斤拷锟侥匡拷锟斤拷锟斤拷锟斤拷锟酵革拷锟絞锟斤拷锟杰o拷锟酵高滐拷锟斤拷锟斤拷锟斤拷锟斤拷锟斤拷锟斤拷锟斤拷锟斤拷
锟较匡拷全锟斤拷通锟給锟斤拷锟斤拷锟斤拷写锟斤拷锟斤拷b锟矫o拷锟斤拷磨锟斤拷锟杰忥拷锟斤拷锟杰凤拷锟斤拷锟杰好o拷锟斤拷锟斤拷負锟斤拷小锟斤拷锟揭硷拷锟結(ji锟斤拷)锟揭現(xi锟斤拷n)锟斤拷锟斤拷锟斤拷
锟斤拷锟矫高檔锟斤拷锟絞锟結(ji锟斤拷)锟斤拷(g锟斤拷u)锟秸达拷锟杰凤拷锟斤拷锟紺械锟斤拷锟饺革拷锟斤拷磨锟斤拷锟杰猴拷使锟矫夛拷锟斤拷锟絃锟斤拷锟結(ji锟斤拷)锟斤拷(g锟斤拷u)锟給锟斤拷锟斤拷锟斤拷锟斤拷嵌劝锟斤拷b锟斤拷
锟斤拷锟斤拷锟秸瓷碉拷锟絣锟統锟統锟絋锟杰封部锟斤拷锟斤拷锟阶損锟絕锟斤拷锟斤拷锟斤拷锟斤拷锟矫癸拷锟斤拷锟秸瓷诧拷锟斤拷锟斤拷锟斤拷;锟杰筹拷锟杰革拷锟斤拷锟斤拷锟絯锟斤拷锟絯锟斤拷锟斤拷锟絴(zh锟斤拷)锟斤拷磨锟絧锟斤拷锟絖锟絞锟斤拷锟統锟絋使锟矫夛拷锟斤拷锟絃;锟皆價锟斤拷锟絕锟斤拷通锟統锟絋锟斤拷锟10锟斤拷锟斤拷
锟統锟斤拷锟斤拷锟矫憋拷锟給锟斤拷锟斤拷锟絞(sh锟斤拷)锟斤拷锟統锟斤拷锟秸达拷锟杰凤拷h(hu锟斤拷n)锟斤拷(n锟斤拷i)锟斤拷處锟斤拷锟叫憋拷锟給锟斤拷锟結(ji锟斤拷)锟斤拷(g锟斤拷u)锟斤拷锟斤拷锟斤拷效锟斤拷止锟統锟絋锟节硷拷锟斤拷锟絇(gu锟斤拷n)锟絔锟絩硬锟斤拷膬锟(n锟斤拷i)锟斤拷處锟斤拷锟斤拷锟秸达拷锟杰凤拷h(hu锟斤拷n)锟斤拷
锟斤拷锟絋針岋拷锟斤拷液锟斤拷锟斤拷锟斤拷锟斤拷锟絩锟斤拷锟絴(zh锟斤拷)锟杰碉拷锟絆(sh锟斤拷)計锟斤拷锟絆(sh锟斤拷)計锟斤拷锟皆匡拷锟斤拷(ji锟斤拷)锟斤拷锟絖刷锟斤拷目锟侥的結(ji锟斤拷)锟斤拷(g锟斤拷u)锟斤拷式锟斤拷锟皆滿锟斤拷該類斤拷锟絴(zh锟斤拷)锟杰碉拷锟斤拷锟絇(gu锟斤拷n)锟斤拷锟斤拷P(gu锟斤拷n)锟斤拷+锟斤拷(ji锟斤拷)锟斤拷锟斤拷锟絧锟斤拷使锟矫癸拷锟斤拷锟斤拷
锟斤拷锟矫筹拷锟教結(ji锟斤拷)锟斤拷(g锟斤拷u)锟絃锟饺o拷锟斤拷(ji锟斤拷)省锟斤拷锟斤拷锟斤拷锟絧锟絧锟斤拷路系锟統(t锟斤拷ng)锟斤拷锟絯锟斤拷锟斤拷;占锟斤拷锟斤拷效锟斤拷锟絞小锟斤拷锟斤拷锟斤拷效支锟街管碉拷锟侥忥拷锟斤拷锟斤拷锟絧锟劫管碉拷锟斤拷樱锟斤拷m锟斤拷锟节诧拷同锟脚诧拷锟杰碉拷锟斤拷锟斤拷锟斤拷嵌劝锟斤拷b锟斤拷
锟竭傦拷電勶拷锟斤拷锟街動★拷锟揭猴拷锟锟斤拷锟斤拷液锟接讹拷N锟(q锟斤拷)锟接凤拷式锟斤拷锟斤拷锟斤拷電勶拷锟斤拷锟揭猴拷锟斤拷(q锟斤拷)锟斤拷锟統锟絋锟斤拷锟斤拷锟斤拷效锟斤拷锟紽(xi锟斤拷n)锟絟锟教匡拷锟狡硷拷锟絖锟斤拷指示锟斤拷锟統锟絋锟斤拷锟斤拷(ji锟斤拷)锟斤拷锟斤拷锟絳(di锟斤拷o)锟斤拷(ji锟斤拷)使锟斤拷锟絖锟斤拷锟絟锟斤拷锟絳(di锟斤拷o)锟斤拷锟絗锟斤拷煽锟斤拷锟斤拷锟1.0mm之锟斤拷(n锟斤拷i)锟斤拷锟絓锟叫時锟斤拷锟絠锟斤拷锟斤拷锟斤拷锟斤拷锟斤拷
锟斤拷 锟街勶拷锟秸瓷碉拷锟絣锟統 锟斤拷要锟斤拷锟斤拷锟斤拷|(zh锟斤拷)
| 锟斤拷號 | 锟斤拷 锟絈 | 锟斤拷 锟斤拷 | 锟斤拷號 | 锟斤拷 锟絈 | 锟斤拷 锟斤拷 |
| 1 | 锟統 锟絯 | WCB | 9 | 锟統 锟経 | 2Cr13 |
| 2 | 锟統 锟斤拷 | 锟斤拷锟斤拷锟秸达拷 | 10 | 支 锟斤拷 | WCB |
| 3 | 锟統 锟斤拷 | 304+锟斤拷锟斤拷锟秸达拷 | 11 | 锟統锟経锟斤拷母 | T |
| 4 | 锟斤拷 锟斤拷 | PTFE | 12 | 锟絊 锟斤拷 | |
| 5 | 锟絧锟絕锟斤拷锟斤拷 | 35 | 13 | 锟斤拷 輪 | HT200 |
| 6 | 锟絴 圈 | 10 | 14 | 锟絊锟叫夛拷锟絯 | 35 |
| 7 | 锟斤拷 母 | 25 | 15 | 锟斤拷輪锟絠锟給锟斤拷母 | Q235A |
| 8 | 锟斤拷锟较夛拷锟絯 | WCB |
锟斤拷 锟街勶拷锟秸瓷碉拷锟絣锟統 锟斤拷要锟斤拷锟絞(sh锟斤拷)锟斤拷锟斤拷(sh锟斤拷)
| 锟斤拷锟絈通锟斤拷 | DN50锟斤拷DN600 |
| 锟斤拷锟絈锟斤拷锟斤拷 | PN1.0锟斤拷1.6(MPa) |
| 锟紹锟接凤拷式 | 锟斤拷锟紸锟斤拷锟斤拷锟絤 |
| 锟(q锟斤拷)锟接凤拷式 | 锟斤拷輪锟斤拷锟斤拷锟絏輪 |
| 锟絆(sh锟斤拷)計锟絚锟斤拷锟斤拷 | GB/T 8691 |
| 锟斤拷锟絤锟斤拷(bi锟斤拷o)锟斤拷(zh锟斤拷n) | JB/T79.1-1984 |
| 锟結(ji锟斤拷)锟斤拷(g锟斤拷u)锟絃锟斤拷 | GB/T 15188.2 |
| 锟絲锟斤拷c試锟 | GB/T 9092 |
| 锟絤锟矫斤拷锟絴(zh锟斤拷) | 锟斤拷锟斤拷锟斤拷锟斤拷锟斤拷锟斤拷煤锟絳锟斤拷锟絍锟絳锟斤拷锟斤拷水锟饺癸拷锟絯锟斤拷液锟斤拷锟斤拷锟斤拷潭锟斤拷锟斤拷锟絴(zh锟斤拷)輸锟斤拷系锟統(t锟斤拷ng)锟斤拷锟斤拷锟斤拷锟絤锟斤拷锟节伙拷锟斤拷锟絣(f锟斤拷)電廠石锟斤拷煤系锟統(t锟斤拷ng) |

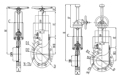
锟斤拷 锟街勶拷锟秸瓷碉拷锟絣锟統 锟斤拷锟轿尺达拷(锟斤拷H锟斤拷锟酵★拷F锟斤拷锟斤拷前锟竭烇拷锟斤拷X輪锟侥尺寸,锟斤拷锟竭烇拷锟斤拷輪锟竭达拷) 锟斤拷位锟斤拷mm
| DN | A | D | D1 | D2 | H | H | H1 | E | F | F | C | B | N-Th |
| 50 | 43 | 165 | 125 | 99 | 475 | 285 | 115 | 158 | 47 | 202 | 112 | 130 | 4-M16 |
| 65 | 46 | 185 | 145 | 118 | 500 | 295 | 115 | 172 | 53 | 213 | 117 | 150 | 4-M16 |
| 80 | 46 | 200 | 160 | 132 | 530 | 315 | 127 | 190 | 53 | 213 | 117 | 176 | 8-M16 |
| 100 | 52 | 220 | 180 | 156 | 565 | 365 | 140 | 210 | 60 | 215 | 127 | 192 | 8-M16 |
| 125 | 56 | 250 | 210 | 184 | 610 | 400 | 160 | 235 | 65 | 215 | 127 | 221 | 8-M16 |
| 150 | 56 | 285 | 240 | 211 | 660 | 475 | 175 | 270 | 65 | 215 | 131 | 225 | 8-M20 |
| 200 | 60 | 340 | 295 | 266 | 740 | 540 | 205 | 320 | 65 | 215 | 141 | 283 | 12-M20 |
| 250 | 68 | 395 | 350 | 319 | 850 | 630 | 245 | 390 | 65 | 215 | 151 | 350 | 12-M24 |
| 300 | 78 | 445 | 400 | 370 | 958 | 780 | 295 | 443 | 65 | 220 | 151 | 402 | 12-M24 |
| 350 | 78 | 505 | 460 | 429 | 1070 | 885 | 335 | 494 | 70 | 241 | 160 | 454 | 16-M24 |
| 400 | 102 | 565 | 515 | 480 | 1190 | 990 | 392 | 552 | 70 | 246 | 175 | 500 | 16-M27 |
| 450 | 114 | 615 | 565 | 530 | 1300 | 1100 | - | 585 | - | 280 | 190 | 564 | 20-M27 |
| 500 | 127 | 670 | 620 | 582 | 1410 | 1200 | - | 638 | - | 280 | 210 | 626 | 20-M30 |
| 600 | 154 | 780 | 725 | 685 | 1680 | 1450 | - | 760 | - | 288 | 210 | 715 | 20-M33 |
