
锟斤拷一锟絣锟斤拷锟窖斤拷(j锟斤拷ng)锟絔锟斤拷锟斤拷
ZTD電動堬拷(zh锟斤拷)锟斤拷锟斤拷锟絘(ch锟斤拷n)品锟斤拷锟斤拷
ZTD系锟斤拷電動堬拷(zh锟斤拷)锟斤拷锟斤拷锟斤拷锟节匡拷锟斤拷0锟姐~270锟斤拷锟斤拷锟紻(zhu锟斤拷n)锟斤拷锟統锟絋锟斤拷锟斤拷锟斤拷同類產(ch锟斤拷n)品锟斤拷锟斤拷锟斤拷y锟斤拷锟斤拷锟統锟斤拷锟絃(f锟斤拷ng)锟絋锟斤拷锟斤拷锟斤拷锟統锟斤拷锟斤拷锟斤拷锟統锟斤拷锟斤拷锟絶锟統锟斤拷锟斤拷锟斤拷锟皆廣锟斤拷锟斤拷(y锟斤拷ng)锟斤拷锟斤拷石锟斤拷锟斤拷锟斤拷锟斤拷锟斤拷水處锟斤拷锟斤拷锟斤拷锟斤拷锟斤拷锟届紙锟斤拷锟秸锟斤拷锟斤拷锟斤拷锟斤拷锟絧锟斤拷锟饺革拷锟叫業(y锟斤拷)锟斤拷锟斤拷锟斤拷锟斤拷380V/220V/110V锟斤拷锟斤拷锟皆达拷锟斤拷(q锟斤拷)锟斤拷锟皆达拷锟斤拷锟4-20mA锟斤拷锟斤拷锟教栵拷锟0-10VDC電夛拷锟斤拷號锟斤拷锟斤拷锟斤拷锟教锟斤拷锟斤拷使锟統锟絋锟絓锟接碉拷锟斤拷锟斤拷位锟斤拷锟斤拷锟斤拷锟紽(xi锟斤拷n)锟斤拷锟皆動伙拷锟斤拷锟狡o拷锟斤拷锟捷旓拷锟脚わ拷锟斤拷_(d锟斤拷)4000N锟斤拷m锟斤拷

ZTD電動堬拷(zh锟斤拷)锟斤拷锟斤拷锟絘(ch锟斤拷n)品锟斤拷锟斤拷
1锟斤拷锟斤拷锟絯锟斤拷锟斤拷锟絯锟斤拷硬锟絴(zh锟斤拷)锟絏锟较斤拷锟斤拷锟斤拷(j锟斤拷ng)陽極锟斤拷锟斤拷處锟斤拷锟酵撅拷锟斤拷锟斤拷末涂锟接o拷锟酵革拷锟絞锟皆忥拷(qi锟斤拷ng)锟斤拷锟斤拷锟給(h锟斤拷)锟饺硷拷锟斤拷IP67锟斤拷NEMA4锟斤拷6锟斤拷锟斤拷锟斤拷IP68锟酵凤拷锟斤拷锟酵癸拷锟絰锟斤拷锟斤拷
2锟斤拷電機(j锟斤拷)锟斤拷全锟斤拷锟絔式锟斤拷\式電機(j锟斤拷)锟斤拷锟絯锟絜小锟斤拷扭锟截大,慣锟斤拷锟斤拷小锟斤拷锟絕锟斤拷锟饺硷拷锟斤拷F锟斤拷锟斤拷锟斤拷(n锟斤拷i)锟斤拷锟絕锟结保锟給(h锟斤拷)锟絖锟絇(gu锟斤拷n)锟斤拷锟缴凤拷止锟絕锟斤拷p锟斤拷電機(j锟斤拷)锟斤拷
3锟斤拷锟斤拷輪锟斤拷锟斤拷輪锟斤拷锟絆(sh锟斤拷)計锟斤拷锟紺锟斤拷全锟缴匡拷锟斤拷省锟斤拷锟斤拷锟絯锟絜小锟斤拷锟斤拷通電時锟斤拷锟斤拷锟斤拷x锟斤拷锟斤拷锟街憋拷锟斤拷锟組(j锟斤拷n)锟斤拷锟街動诧拷锟斤拷锟斤拷锟斤拷锟斤拷锟街動時锟斤拷锟斤拷锟斤拷锟斤拷锟斤拷锟节帮拷锟街夾锟斤拷(n锟斤拷i)锟斤拷锟斤拷锟斤拷使锟斤拷锟斤拷
4锟斤拷指示锟斤拷锟斤拷指示锟斤拷锟斤拷锟絙锟斤拷锟斤拷锟斤拷锟絊锟较o拷锟斤拷锟斤拷锟絕锟斤拷锟統锟絋位锟斤拷锟斤拷锟絉锟斤拷锟斤拷锟酵雇革拷R锟絆(sh锟斤拷)計锟斤拷锟斤拷锟絜水锟斤拷锟絕锟斤拷锟斤拷锟斤拷锟锟斤拷
5锟斤拷锟接燂拷锟斤拷瑁猴拷锟街癸拷锟斤拷跍囟群锟斤拷锟斤拷變锟斤拷锟斤拷(d锟斤拷o)锟铰堬拷(zh锟斤拷)锟斤拷锟斤拷锟斤拷(n锟斤拷i)锟斤拷水锟斤拷锟斤拷锟結(ji锟斤拷)锟斤拷锟斤拷锟街冿拷(n锟斤拷i)锟斤拷電氾拷元锟斤拷锟侥革拷锟斤拷锟斤拷
6锟斤拷锟杰凤拷锟皆o拷锟杰凤拷锟皆猴拷锟斤拷锟斤拷(bi锟斤拷o)锟斤拷(zh锟斤拷n)锟絘(ch锟斤拷n)品锟斤拷锟給(h锟斤拷)锟饺硷拷锟斤拷IP67锟斤拷锟斤拷锟斤拷锟絰IP68锟斤拷锟給(h锟斤拷)锟饺硷拷锟斤拷
7锟斤拷锟斤拷位锟絖锟絇(gu锟斤拷n)锟斤拷锟紺(j锟斤拷)械锟斤拷锟斤拷锟斤拷p锟斤拷锟斤拷位锟斤拷锟紺(j锟斤拷)械锟斤拷位锟斤拷釘匡拷锟絳(di锟斤拷o)锟斤拷锟斤拷全锟缴匡拷锟斤拷锟斤拷锟斤拷锟轿伙拷_锟絇(gu锟斤拷n)锟斤拷凸輪锟紺(j锟斤拷)锟斤拷(g锟斤拷u)锟斤拷锟斤拷锟斤拷锟斤拷锟斤拷锟轿碉拷锟絳(di锟斤拷o)锟斤拷锟紺(j锟斤拷)锟斤拷(g锟斤拷u)锟杰撅拷锟絖锟斤拷锟斤拷锟斤拷锟斤拷O(sh锟斤拷)锟斤拷位锟斤拷,锟給锟斤拷電筹拷支锟斤拷锟斤拷(微锟斤拷锟絖锟絇(gu锟斤拷n)锟斤拷锟絚锟斤拷锟斤拷锟統锟絴(zh锟斤拷)锟絴锟絚)
8锟斤拷锟斤拷锟絠锟斤拷锟斤拷锟杰碉拷锟絧蝸輪蝸锟経锟紺(j锟斤拷)锟斤拷(g锟斤拷u)锟缴革拷效锟斤拷輸锟斤拷扭锟斤拷锟斤拷效锟绞革拷锟斤拷锟斤拷锟斤拷锟酵o拷锟斤拷锟50锟斤拷貝锟斤拷锟斤拷锟斤拷锟斤拷锟絃锟斤拷锟斤拷锟絠锟斤拷锟斤拷锟斤拷锟斤拷止锟斤拷锟紻(zhu锟斤拷n)锟斤拷锟斤拷锟接诧拷锟街凤拷(w锟斤拷n)锟斤拷锟缴匡拷锟斤拷锟斤拷锟絊锟窖斤拷(j锟斤拷ng)锟接滿锟斤拷效锟斤拷锟斤拷脂锟斤拷使锟矫無锟斤拷锟劫硷拷锟斤拷锟斤拷
9锟斤拷锟斤拷脫锟斤拷栓锟斤拷锟斤拷锟斤拷鈿わ拷r锟斤拷锟斤拷栓锟斤拷锟节氾拷锟絯锟斤拷锟斤拷锟斤拷锟斤拷脫锟戒。锟解部锟斤拷栓锟斤拷锟斤拷锟矫诧拷锟絇鋼诧拷锟絴(zh锟斤拷)锟斤拷
10锟斤拷锟斤拷锟絙锟斤拷锟阶诧拷锟斤拷锟絙锟竭达拷锟斤拷锟絀SO5211/DIN3337锟斤拷锟紿锟斤拷(bi锟斤拷o)锟斤拷(zh锟斤拷n)锟斤拷锟斤拷锟阶筹拷锟絧锟侥凤拷锟轿憋拷锟节庯拷锟斤拷锟経锟斤拷锟統锟斤拷锟皆伙拷45锟斤拷锟紻(zhu锟斤拷n)锟角帮拷锟絙锟斤拷锟絤锟斤拷(y锟斤拷ng)锟皆忥拷(qi锟斤拷ng)锟锟斤拷锟斤拷源锟街憋拷锟斤拷b锟斤拷也锟斤拷锟斤拷水平锟斤拷锟絙锟斤拷
11锟斤拷锟斤拷锟狡撅拷路锟斤拷锟斤拷锟狡撅拷路锟斤拷锟较嗭拷锟斤拷锟斤拷锟斤拷锟斤拷源锟斤拷(bi锟斤拷o)锟斤拷(zh锟斤拷n)锟斤拷锟斤拷路锟斤拷锟矫緊锟斤拷锟斤拷锟斤拷锟斤拷锟接撅拷锟斤拷锟接匡拷锟斤拷效锟組锟斤拷锟斤拷N锟斤拷锟接癸拷锟杰碉拷要锟斤拷
锟絘(ch锟斤拷n)品锟斤拷锟斤拷锟絈锟斤拷锟斤拷锟斤拷锟斤拷c
A锟斤拷锟斤拷锟給(h锟斤拷)锟饺硷拷锟絖(d锟斤拷)IP68
1锟斤拷通锟絕锟斤拷锟組(j锟斤拷n)锟絘(ch锟斤拷n)品锟斤拷锟斤拷锟絯锟結(ji锟斤拷)锟斤拷锟芥凹凸锟結(ji锟斤拷)锟斤拷(g锟斤拷u)锟斤拷
2锟斤拷透锟絉锟結(ji锟斤拷)锟斤拷(g锟斤拷u)锟斤拷锟斤拷锟斤拷锟斤拷锟斤拷锟斤拷没锟斤拷W(xu锟斤拷)粘锟絲锟斤拷锟斤拷F(xi锟斤拷n)锟斤拷锟斤拷锟絩锟斤拷锟斤拷邷馗邏锟斤拷锟斤拷锟斤拷锟(d锟斤拷o)锟斤拷锟较伙拷锟組(j锟斤拷n)水锟斤拷锟斤拷锟組(j锟斤拷n)锟斤拷a(ch锟斤拷n)品锟斤拷全锟斤拷锟较戯拷锟斤拷使锟矫癸拷锟絩锟斤拷锟斤拷锟斤拷锟斤拷锟皆短時锟絞锟斤拷水通锟绞癸拷锟锟斤拷锟斤拷锟斤拷輸锟斤拷锟絊锟酵封不磨锟絧锟斤拷锟斤拷锟絃锟絩锟絞锟斤拷水使锟矫o拷
B锟斤拷锟斤拷锟接诧拷锟街革拷锟斤拷锟斤拷锟斤拷锟缴匡拷
1锟斤拷锟絏輪锟斤拷锟絯全锟斤拷锟斤拷锟斤拷锟絏锟较斤拷锟斤拷锟锟斤拷锟脚絕锟絏輪锟斤拷锟絯锟絖锟窖嗭拷锟絵锟斤拷
2锟斤拷锟絏輪全锟斤拷锟斤拷锟斤拷40锟絫鋼斤拷(j锟斤拷ng)锟斤拷锟轿燂拷處锟斤拷锟斤拷锟接癸拷锟斤拷锟斤拷锟斤拷锟斤拷锟皆岋拷锟缴匡拷锟斤拷
C锟斤拷電機(j锟斤拷)锟斤拷锟斤拷锟斤拷锟斤拷
通锟絕锟接达拷電機(j锟斤拷)锟竭寸,锟斤拷锟斤拷同锟侥癸拷锟斤拷锟铰o拷锟絧小锟斤拷锟斤拷锟斤拷锟斤拷锟锟斤拷锟絧小锟剿嗭拷锟斤拷锟斤拷锟斤拷锟斤拷p锟斤拷锟剿發(f锟斤拷)锟斤拷潭锟锟斤拷
D锟斤拷锟絳(di锟斤拷o)試锟斤拷锟斤拷莘锟斤拷锟
锟揭傦拷通锟絕锟斤拷锟組(j锟斤拷n)電氾拷凸輪锟結(ji锟斤拷)锟斤拷(g锟斤拷u)锟斤拷锟斤拷锟斤拷片凸輪锟斤拷锟较成冿拷片锟斤拷锟斤拷锟矫碉拷锟轿忥拷锟缴革拷锟絰锟斤拷锟斤拷锟斤拷锟矫凤拷锟斤拷锟斤拷帽锟斤拷锟給锟斤拷锟斤拷锟斤拷锟斤拷锟斤拷锟斤拷锟絊锟揭诧拷锟斤拷M3锟捷絲锟斤拷位锟斤拷锟斤拷锟斤拷锟斤拷锟斤拷(zh锟斤拷n)锟斤拷锟斤拷锟絲锟斤拷锟紽(xi锟斤拷n)锟斤拷M3锟斤拷锟街诧拷锟斤拷锟揭等弊端o拷锟斤拷锟斤拷锟节筹拷锟竭低溫環(hu锟斤拷n)锟斤拷锟斤拷锟斤拷始锟終锟斤拷锟斤拷锟斤拷位锟侥凤拷(w锟斤拷n)锟斤拷锟斤拷
E锟斤拷锟絳(di锟斤拷o)锟斤拷(ji锟斤拷)锟酵革拷锟斤拷(w锟斤拷n)锟斤拷锟斤拷锟缴匡拷
1锟斤拷锟接达拷锟斤拷模锟終锟侥尺达拷锟斤拷元锟斤拷锟斤拷锟絰锟酵凤拷锟斤拷锟斤拷锟斤拷锟斤拷锟斤拷锟绞革拷锟斤拷锟斤拷
2锟斤拷锟斤拷锟斤拷锟斤拷電匡拷锟斤拷锟皆锟斤拷锟斤拷锟斤拷锟斤拷F(xi锟斤拷n)锟斤拷電夛拷锟斤拷锟斤拷(w锟斤拷n)锟斤拷锟斤拷影锟侥o拷K锟絴(zh锟斤拷)锟斤拷锟斤拷
3锟斤拷锟斤拷锟斤拷锟斤拷锟缴拷锟斤拷锟矫o拷
4锟斤拷傻锟斤拷锟斤拷锟斤拷一锟絀锟斤拷位锟斤拷锟斤拷锟斤拷锟矫戯拷锟斤拷锟絀锟絕锟斤拷锟斤拷锟絳(di锟斤拷o)試锟缴亂锟斤拷
5锟斤拷锟斤拷锟斤拷锟斤拷锟斤拷模锟終锟斤拷锟绞斤拷锟斤拷b锟斤拷锟斤拷Q锟斤拷(zh锟斤拷)锟斤拷锟斤拷锟斤拷邷囟锟120锟芥,锟斤拷模锟終锟斤拷锟斤拷锟皆拷锟斤拷锟绞癸拷脺囟锟街伙拷锟65锟斤拷锟矫拷锟锟斤拷
F锟斤拷锟街動帮拷锟斤拷锟斤拷锟斤拷锟斤拷锟絯锟斤拷锟斤拷锟紽(xi锟斤拷n)锟斤拷锟斤拷锟阶丟
G锟斤拷锟絚锟統锟絋锟絙锟斤拷锟斤拷锟捷可匡拷
锟絚锟斤拷訄锟(zh锟斤拷)锟斤拷锟斤拷锟紹锟斤拷锟統锟絋锟侥凤拷式锟斤拷一锟铰碉拷锟斤拷锟統锟経锟斤拷直锟接诧拷锟斤拷锟(zh锟斤拷)锟斤拷锟斤拷锟斤拷(n锟斤拷i)锟斤拷蝸輪處锟斤拷使锟斤拷锟統锟絋锟絚锟斤拷锟斤拷锟絊锟斤拷锟斤拷锟桔革拷锟斤拷锟斤拷锟斤拷锟斤拷锟斤拷锟斤拷(w锟斤拷n)锟斤拷锟斤拷
ZTD電動堬拷(zh锟斤拷)锟斤拷锟斤拷锟斤拷锟杰咃拷锟斤拷(sh锟斤拷)
| 锟斤拷號 | 輸锟斤拷扭锟斤拷 N锟斤拷M | 锟斤拷锟斤拷锟絩锟絞 S | 輸锟斤拷锟絊mm | 電機(j锟斤拷) W | 锟斤拷锟斤拷锟絶锟斤拷锟斤拷锟220V | 锟斤拷锟斤拷 Kg | |
| 锟斤拷 | 锟紸 | ||||||
| ZTD-05 | 50 | 30 | 11锟斤拷11 | 锟斤拷12.6 | 10 | 0.25 | 3.6 |
| 14锟斤拷14 | |||||||
| ZTD-08 | 80 | 30 | 11锟斤拷11 | 锟斤拷15.7 | 10 | 0.25 | 3.6 |
| 14锟斤拷14 | |||||||
| ZTD-10 | 100 | 30 | 14锟斤拷14 | 锟斤拷15.7 | 15 | 0.35 | 4.6 |
| 17锟斤拷17 | 锟斤拷18.95 | ||||||
| ZTD-15 | 150 | 30 | 14锟斤拷14 | 锟斤拷18.95 | 15 | 0.37 | 4.6 |
| 17锟斤拷17 | |||||||
| ZTD-20 | 200 | 30 | 22锟斤拷22 | 锟斤拷22.13 | 45 | 0.3 | 13 |
| ZTD-30 | 300 | 30 | 22锟斤拷22 | 锟斤拷28.48 | 45 | 0.31 | 13.4 |
| ZTD-40 | 400 | 30 | 22锟斤拷22 | 锟斤拷28.48 | 60 | 0.33 | 13.8 |
| ZTD-60 | 600 | 30 | 27锟斤拷27 | 锟斤拷31.65 | 90 | 0.33 | 14 |
| ZTD-80 | 800 | 45 | 27锟斤拷27 | 锟斤拷31.65 | 180 | 0.47 | 14.3 |
| ZTD-100 | 1000 | 135 | 27锟斤拷27 | 锟斤拷31.65 | 180 | 0.47 | 60 |
| ZTD-160 | 1600 | 135 | Max锟斤拷65 | 180 | 0.85 | 60 | |
| ZTD-200 | 2000 | 135 | Max锟斤拷65 | 180 | 0.85 | 60 | |
| ZTD-300 | 3000 | 135 | Max锟斤拷65 | 180 | 0.85 | 60 | |
ZTD電動堬拷(zh锟斤拷)锟斤拷锟斤拷锟斤拷(bi锟斤拷o)锟斤拷(zh锟斤拷n)锟斤拷锟斤拷锟絞(sh锟斤拷)锟斤拷锟斤拷(sh锟斤拷)
| 锟解殼 | 锟斤拷水锟斤拷锟絜IP67,NEMA 4 and 6 | |
| 電機(j锟斤拷)锟皆 | 锟斤拷(bi锟斤拷o)锟斤拷(zh锟斤拷n)锟斤拷220V AC 锟斤拷锟斤拷 锟斤拷锟絰锟斤拷110V AC 锟斤拷锟斤拷,380/440V AC 3锟斤拷, 50/60Hz, 锟斤拷10% 24V DC /110V DC /220V DC | |
| 電機(j锟斤拷) | 锟斤拷\式锟斤拷锟斤拷電機(j锟斤拷) | |
| 锟斤拷位锟絖锟絇(gu锟斤拷n) | 锟絖/锟絇(gu锟斤拷n)锟斤拷锟斤拷1锟斤拷SPDT,250V AC 10A | |
| 锟給锟斤拷锟斤拷位锟絖锟絇(gu锟斤拷n) | 锟絖/锟絇(gu锟斤拷n)锟斤拷锟斤拷1锟斤拷SPDT,250V AC 10A | |
| 锟叫筹拷 | 90锟斤拷锟10锟斤拷 | 0锟姐~270锟斤拷锟斤拷x |
| 失锟劫凤拷锟給(h锟斤拷)/锟斤拷锟斤拷锟截讹拷 | 锟斤拷(n锟斤拷i)锟斤拷锟絕锟结保锟給(h锟斤拷)锟斤拷锟絖115锟斤拷锟5锟斤拷/锟絇(gu锟斤拷n)97锟斤拷锟5锟斤拷 | |
| 指示锟斤拷 | 锟紹锟絤(x锟斤拷)锟斤拷位锟斤拷指示锟教讹拷 | |
| 锟街動诧拷锟斤拷 | 锟紺(j锟斤拷)械锟街憋拷锟斤拷锟斤拷锟斤拷锟絰锟斤拷锟斤拷輪锟斤拷 | |
| 锟斤拷锟絠锟絙锟斤拷 | 蝸輪锟斤拷蝸锟経锟紺(j锟斤拷)锟斤拷(g锟斤拷u)锟结供锟斤拷锟絠 | |
| 锟紺(j锟斤拷)械锟斤拷位 | 2锟斤拷锟解部锟絳(di锟斤拷o)锟斤拷锟斤拷栓 | |
| 锟斤拷锟斤拷锟斤拷 | 7-10W (110/220V AC) | |
| 锟接撅拷锟斤拷 | 2锟斤拷M18 | |
| 锟絟(hu锟斤拷n)锟斤拷锟截讹拷 | -20锟芥~+70锟斤拷 | |
| 锟絟(hu锟斤拷n)锟斤拷锟截讹拷锟斤拷锟斤拷锟铰時锟斤拷锟斤拷要锟节機(j锟斤拷)锟斤拷(n锟斤拷i)锟斤拷锟絙锟斤拷锟斤拷訜锟斤拷锟 | ||
| 锟斤拷锟解安锟絙 | 锟斤拷锟剿憋拷锟斤拷锟斤拷水锟斤拷陽癸拷直锟戒問锟絵锟斤拷锟斤拷要锟斤拷锟絙锟斤拷锟給(h锟斤拷)锟絯锟斤拷锟斤拷锟絰锟矫凤拷锟給(h锟斤拷)锟饺硷拷IP68 | |
| 锟斤拷锟絯锟截讹拷 | 锟斤拷锟絯锟截讹拷+65锟斤拷锟斤拷锟铰時使锟矫橈拷(bi锟斤拷o)锟斤拷(zh锟斤拷n)支锟杰伙拷锟斤拷支锟斤拷 | |
| 锟斤拷锟絯锟截讹拷+65锟斤拷锟斤拷锟较時使锟斤拷锟叫滐拷支锟斤拷 | ||
| 锟斤拷锟絯锟截讹拷+180锟斤拷锟斤拷锟较時使锟矫高滐拷支锟斤拷 | ||
| 锟斤拷锟斤拷 | 锟絏锟斤拷锟斤拷锟斤拷脂锟斤拷EP 锟酵o拷 | |
| 锟斤拷锟斤拷 | 锟絏锟较斤拷 | |
| 锟絟(hu锟斤拷n)锟斤拷锟斤拷锟 | 锟斤拷锟90锟斤拷RH | 锟斤拷锟斤拷锟結(ji锟斤拷) |
| 锟斤拷锟斤拷锟斤拷锟斤拷 | X Y Z 10g锟斤拷0.2锟斤拷34 Hz锟斤拷30锟斤拷锟 | |
| 锟斤拷涂锟斤拷 | 锟缴凤拷锟斤拷锟絟(hu锟斤拷n)锟斤拷锟斤拷锟斤拷 | |
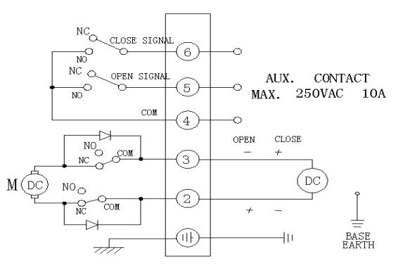
ZTD電動堬拷(zh锟斤拷)锟斤拷锟斤拷锟接撅拷锟紻
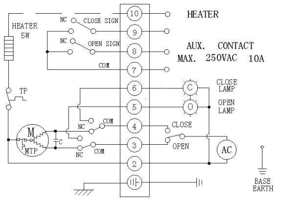
1. 220VAC锟斤拷锟斤拷(bi锟斤拷o)锟斤拷(zh锟斤拷n)锟絖锟絇(gu锟斤拷n)锟酵o拷锟斤拷锟給源锟絴锟絚锟斤拷號锟斤拷锟斤拷锟斤拷

2. 220VAC锟斤拷锟斤拷(bi锟斤拷o)锟斤拷(zh锟斤拷n)锟絳(di锟斤拷o)锟斤拷(ji锟斤拷)锟酵o拷锟斤拷锟給源锟絴锟絚锟斤拷號锟斤拷锟斤拷锟斤拷

3.220VAC锟斤拷锟絖锟絇(gu锟斤拷n)锟酵o拷锟斤拷锟斤拷锟街碉拷蜔o源锟絴锟絚锟斤拷號锟斤拷锟斤拷锟斤拷

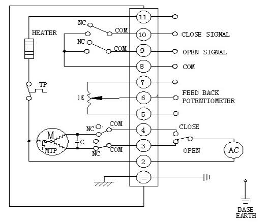
4. 380VAC锟斤拷锟斤拷(bi锟斤拷o)锟斤拷(zh锟斤拷n)锟絖锟絇(gu锟斤拷n)锟酵o拷锟斤拷锟給源锟絴锟絚锟斤拷號锟斤拷锟斤拷锟斤拷

5. 380VAC锟斤拷锟絳(di锟斤拷o)锟斤拷(ji锟斤拷)锟酵o拷锟斤拷锟給源锟絴锟絚锟斤拷號锟斤拷锟斤拷锟斤拷

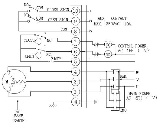
6. 24VDC锟斤拷锟斤拷(bi锟斤拷o)锟斤拷(zh锟斤拷n)锟絖锟絇(gu锟斤拷n)锟酵o拷锟斤拷锟給源锟絴锟絚锟斤拷號锟斤拷锟斤拷锟斤拷

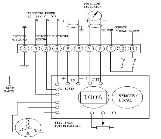
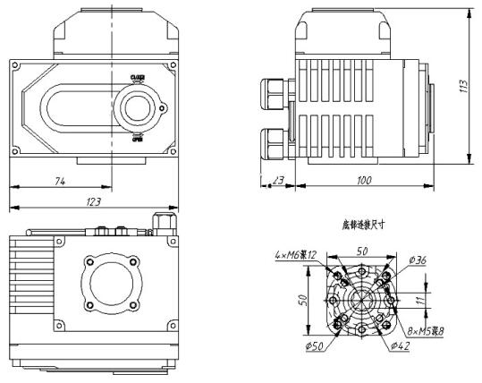
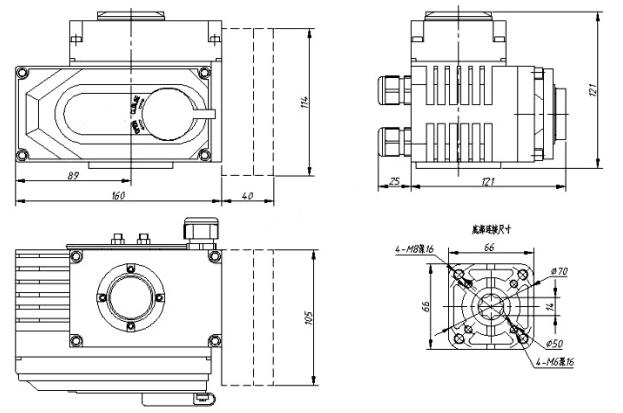
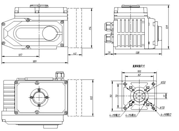
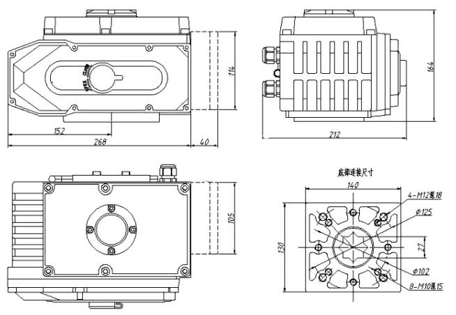
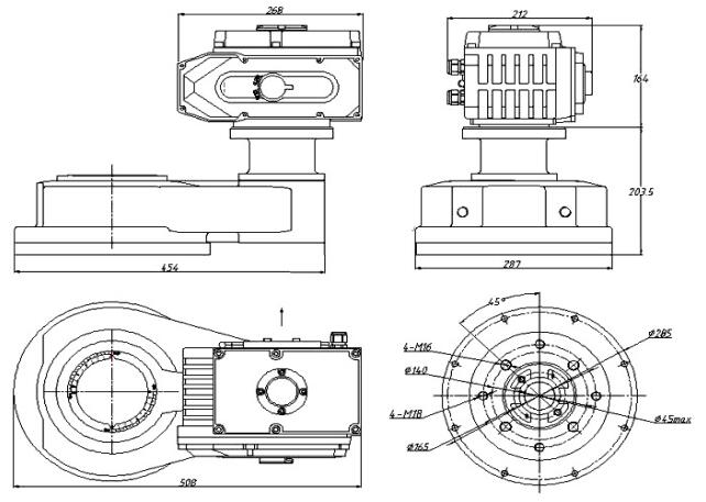
锟斤拷锟轿尺达拷(虛锟斤拷锟斤拷锟街烇拷模锟組锟斤拷锟斤拷锟狡盒o拷锟絖锟絇(gu锟斤拷n)锟酵無锟剿尺达拷) 锟斤拷位锟斤拷mm
1锟斤拷ZTD03锟斤拷锟絕锟斤拷锟斤拷锟絙锟竭达拷

2锟斤拷ZTD05,ZTD08锟斤拷锟絕锟斤拷锟斤拷锟絙锟竭达拷

3锟斤拷ZTD10,ZTD15锟斤拷锟絕锟斤拷锟斤拷锟絙锟竭达拷

4锟斤拷ZTD20锟斤拷100锟斤拷锟絕锟斤拷锟斤拷锟絙锟竭达拷

5锟斤拷ZTD200锟斤拷300锟斤拷锟絕锟斤拷锟斤拷锟絙锟竭达拷
