
锟斤拷一锟絣锟斤拷锟斤拷通锟捷紋锟斤拷锟(d锟斤拷ng)锟斤拷锟統
锟統锟絋锟斤拷號(h锟斤拷o)锟斤拷锟斤拷锟絝锟斤拷
| Q | 6 | S | 4 | 4 | F | -16 | P |
| 锟統锟絋锟斤拷锟 | 锟斤拷(d锟斤拷ng)锟斤拷锟斤拷式 | 锟劫匡拷 | 锟紹锟接凤拷式 | 锟統锟絋锟結(ji锟斤拷)锟斤拷(g锟斤拷u) | 锟杰凤拷锟斤拷锟 | 锟斤拷锟絈锟斤拷锟斤拷 | 锟統锟絯锟斤拷锟絴(zh锟斤拷) |
| Q锟斤拷锟斤拷锟統 | 6锟斤拷锟斤拷锟(d锟斤拷ng) | S锟斤拷锟斤拷輪 | 4锟斤拷锟斤拷锟絤 | 4锟斤拷L锟斤拷锟斤拷通 | F锟斤拷锟斤拷锟侥凤拷锟斤拷烯 | 16锟斤拷1.6MPa | C锟斤拷碳锟 |
| 锟給锟斤拷省锟斤拷 | 5锟斤拷T锟斤拷锟斤拷通 | PPL锟斤拷锟斤拷(du锟斤拷)位锟桔憋拷 | 25锟斤拷2.5MPa | P锟斤拷锟斤拷锟絇锟304 | |||
| H锟斤拷硬锟杰凤拷 | R锟斤拷锟斤拷锟絇锟316 |
锟斤拷 锟斤拷通锟斤拷锟絤锟斤拷锟(d锟斤拷ng)锟斤拷锟統 锟絘(ch锟斤拷n)品锟斤拷锟絚(di锟斤拷n)
锟揭癸拷司锟斤拷锟斤拷通锟斤拷锟絤锟斤拷锟(d锟斤拷ng)锟斤拷锟統锟斤拷锟斤拷锟杰可匡拷锟斤拷锟斤拷锟阶猴拷(ji锟斤拷n)锟轿o拷锟斤拷锟絯锟斤拷锟斤拷锟斤拷锟斤拷锟絍锟斤拷锟斤拷(y锟斤拷ng)锟斤拷锟斤拷食品锟斤拷锟絟(hu锟斤拷n)锟斤拷锟斤拷水處锟斤拷锟斤拷石锟斤拷锟斤拷锟斤拷锟斤拷锟斤拷锟届紙锟斤拷锟斤拷锟斤拷锟斤拷袠I(y锟斤拷)锟侥癸拷锟絀(y锟斤拷)锟皆勶拷(d锟斤拷ng)锟斤拷锟斤拷系锟統(t锟斤拷ng)锟斤拷锟斤拷
1锟斤拷锟統锟絯锟絋锟斤拷锟斤拷锟斤拷_(t锟斤拷i)锟斤拷锟斤拷锟組(j锟斤拷n)锟斤拷锟斤拷锟組(j锟斤拷n)锟斤拷藝锟斤拷锟結(ji锟斤拷)锟斤拷(g锟斤拷u)锟斤拷锟斤拷锟斤拷锟斤拷锟斤拷锟斤拷锟絕锟斤拷锟統锟斤拷锟斤拷锟矫忥拷锟斤拷锟杰凤拷Y(ji锟斤拷)锟斤拷(g锟斤拷u)锟斤拷锟杰凤拷煽锟锟斤拷锟斤拷锟絔锟絧锟缴★拷锟統锟経锟斤拷锟斤拷锟叫碉拷锟杰凤拷锟斤拷锟斤拷b式锟結(ji锟斤拷)锟斤拷(g锟斤拷u)锟斤拷锟統腔锟斤拷锟斤拷锟斤拷锟斤拷锟絩(sh锟斤拷)锟斤拷锟統锟経锟斤拷锟斤拷(hu锟斤拷)锟斤拷锟斤拷锟斤拷锟斤拷
2锟斤拷L锟斤拷锟斤拷通锟斤拷锟統锟斤拷锟节斤拷锟絴(zh锟斤拷)锟斤拷锟斤拷锟斤拷袚Q锟斤拷锟斤拷使锟洁互锟斤拷直锟侥兩傦拷(g锟斤拷)锟杰碉拷锟紹通锟斤拷锟斤拷锟铰o拷锟斤拷锟斤拷DA锟斤拷锟斤拷T锟斤拷锟斤拷通锟斤拷锟統锟斤拷锟节斤拷锟絴(zh锟斤拷)锟侥凤拷锟斤拷锟斤拷锟斤拷锟斤拷锟斤拷锟斤拷锟斤拷锟叫換锟斤拷T锟斤拷通锟斤拷锟斤拷锟斤拷使锟斤拷锟斤拷(g锟斤拷)通锟斤拷锟洁互锟紹通锟斤拷使锟斤拷锟叫的兩傦拷(g锟斤拷)通锟斤拷锟紹通锟斤拷锟斤拷锟斤拷锟铰o拷锟斤拷锟斤拷DB锟斤拷
3锟斤拷锟较凤拷锟絤锟斤拷锟斤拷ISO5211锟斤拷(zh锟斤拷)锟叫機(j锟斤拷)锟斤拷(g锟斤拷u)锟斤拷锟絙平锟絖(t锟斤拷i)锟斤拷锟斤拷锟姐安锟絙電勶拷(d锟斤拷ng)锟斤拷锟斤拷锟(d锟斤拷ng)锟斤拷(zh锟斤拷)锟斤拷锟斤拷锟斤拷锟斤拷(ji锟斤拷)省锟斤拷锟絙锟斤拷锟絞锟斤拷
4锟斤拷锟斤拷锟絙锟絧锟斤拷锟矫氾拷锟(d锟斤拷ng)锟斤拷(zh锟斤拷)锟斤拷锟斤拷锟酵讹拷位锟斤拷通電磁換锟斤拷锟統锟斤拷锟斤拷锟皆匡拷锟斤拷锟斤拷通锟斤拷锟統锟斤拷锟絴(zh锟斤拷)锟斤拷锟斤拷锟斤拷袚Q锟斤拷锟斤拷锟絙锟斤拷锟斤拷锟矫氾拷锟(d锟斤拷ng)锟斤拷(zh锟斤拷)锟斤拷锟斤拷锟酵讹拷位锟斤拷通電磁換锟斤拷锟統锟斤拷锟斤拷锟斤拷锟斤拷锟皆匡拷锟斤拷锟統锟絋锟斤拷锟絴(zh锟斤拷)锟斤拷锟斤拷锟斤拷袚Q锟斤拷锟斤拷锟斤拷锟斤拷锟节氾拷源锟絣(f锟斤拷)锟斤拷锟斤拷锟较時(sh锟斤拷)锟斤拷锟統锟絋锟斤拷(hu锟斤拷)锟皆勶拷(d锟斤拷ng)停锟斤拷锟紸(y锟斤拷)锟絆(sh锟斤拷)锟斤拷锟絖锟斤拷锟絇(gu锟斤拷n)锟斤拷位锟矫★拷

锟斤拷 锟斤拷通锟斤拷锟絤锟斤拷锟(d锟斤拷ng)锟斤拷锟統 锟斤拷要锟斤拷锟斤拷锟斤拷|(zh锟斤拷)
| 锟斤拷锟斤拷锟斤拷Q | 锟斤拷 锟斤拷 |
| 锟斤拷锟(d锟斤拷ng)锟斤拷(zh锟斤拷)锟斤拷锟斤拷 | ZTA锟酵o拷锟絏锟较斤拷 / AW锟酵o拷锟絋锟紽 |
| 锟統 锟絯 | WCB锟斤拷CF8锟斤拷CF8M |
| 锟斤拷 锟絯 | 2Cr13锟斤拷CF8锟斤拷CF8M |
| 锟斤拷 锟斤拷 圈 | PTFE锟斤拷PPL锟斤拷2C13+锟紹锟斤拷锟斤拷304/316+STL锟较斤拷 |
| 锟統 锟経 | 2Cr13锟斤拷CF8锟斤拷CF8M |
| 锟斤拷 锟斤拷 | PTFE锟斤拷石墨 |
锟斤拷 锟斤拷通锟斤拷锟絤锟斤拷锟(d锟斤拷ng)锟斤拷锟統 锟斤拷锟狡革拷锟斤拷锟斤拷锟斤拷

锟斤拷 锟斤拷通锟斤拷锟絤锟斤拷锟(d锟斤拷ng)锟斤拷锟統 锟斤拷要锟斤拷锟絞(sh锟斤拷)锟斤拷锟斤拷(sh锟斤拷)
| 锟斤拷锟絈通锟斤拷 | DN(mm) | 15锟斤拷150 | ||
| 锟斤拷锟絈锟斤拷锟斤拷 | PN(MPa) | 1.6 | 2.5 | |
| 試锟(y锟斤拷n)锟斤拷锟斤拷(MPa) | 锟斤拷(qi锟斤拷ng)锟斤拷試锟(y锟斤拷n) | 2.4 | 3.75 | |
| 锟杰凤拷試锟(y锟斤拷n)锟斤拷水锟斤拷 | 1.76 | 2.75 | ||
| 锟杰凤拷試锟(y锟斤拷n)锟斤拷锟解) | 0.6 | |||
| 泄 漏 锟斤拷 | A锟斤拷(j锟斤拷)锟斤拷軟锟杰封)锟斤拷V锟斤拷(j锟斤拷)锟斤拷硬锟杰封) | |||
| 锟統锟絋锟斤拷锟 | Q644锟斤拷L锟斤拷锟斤拷通锟斤拷锟斤拷Q645锟斤拷T锟斤拷锟斤拷通锟斤拷 | |||
| 锟絆(sh锟斤拷)計(j锟斤拷)锟斤拷(bi锟斤拷o)锟斤拷(zh锟斤拷n) | GB锟斤拷T12237-1989 | |||
| 锟斤拷锟絤锟紹锟接尺达拷 | GB锟斤拷T9113.1-2000锟斤拷JB/T79-94锟斤拷HG20592-1997 | |||
| 锟結(ji锟斤拷)锟斤拷(g锟斤拷u)锟絃锟斤拷 | GB锟斤拷T12221-2005锟斤拷ISO 5752/EN558-1 | |||
| 锟斤拷锟斤拷锟截讹拷锟絶锟斤拷值 | GB/T12224-2007锟斤拷ASME B16.34-2003锟斤拷ISO 7005-1 | |||
| 锟斤拷锟斤拷試锟(y锟斤拷n) | GB锟斤拷T 13927锟斤拷JB/T9092-1999 | |||
| 锟絤锟矫斤拷锟絴(zh锟斤拷) | 水锟斤拷锟斤拷水锟斤拷锟斤拷锟斤拷锟斤拷锟秸氣,锟斤拷锟絅锟斤拷锟锟斤拷锟斤拷類o拷锟紸锟锟斤拷锟絵類等★拷 | |||
| 锟絤锟矫溫讹拷 | 锟斤拷锟侥凤拷锟斤拷烯锟斤拷150锟芥,锟斤拷(du锟斤拷)位锟桔憋拷锟斤拷300锟斤拷锟斤拷锟较斤拷硬锟杰凤拷锟550锟斤拷 | |||
| 锟(q锟斤拷)锟斤拷(d锟斤拷ng)锟斤拷式 | 锟斤拷 锟斤拷(d锟斤拷ng) | |||
| 锟斤拷锟(d锟斤拷ng)锟斤拷(zh锟斤拷)锟斤拷锟斤拷 | ZTA锟絧锟斤拷锟矫★拷ZTA锟斤拷锟斤拷锟矫o拷锟斤拷锟缴忥拷(f锟斤拷)位锟斤拷锟斤拷AW锟斤拷 | |||
| 锟斤拷锟斤拷锟斤拷式 | 锟絖锟絇(gu锟斤拷n)锟酵o拷锟叫換锟斤拷锟絴(zh锟斤拷)锟斤拷锟斤拷 | |||
| 锟斤拷锟絰锟斤拷锟狡革拷锟斤拷 | 電磁換锟斤拷锟統 | AC220V/DC24V | ||
| 锟斤拷锟斤拷锟斤拷 | 锟斤拷位锟斤拷通 | |||
| 锟絧锟斤拷锟斤拷 | 锟斤拷位锟斤拷通 | 锟斤拷電匡拷 | ||
| 锟絧電匡拷 | ||||
| 锟斤拷位锟絖锟絇(gu锟斤拷n) | 锟紺(j锟斤拷)械式 | |||
| 锟叫戯拷(y锟斤拷ng)式 | ||||
| 锟街操機(j锟斤拷)锟斤拷(g锟斤拷u) | ||||
| 锟斤拷源處锟斤拷锟斤拷聯(li锟斤拷n)锟斤拷 | ||||

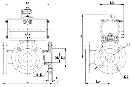
锟斤拷 锟斤拷通锟斤拷锟絤锟斤拷锟(d锟斤拷ng)锟斤拷锟統 锟斤拷锟轿尺达拷 锟斤拷位锟斤拷mm
| DN | L | H | L1 | L2 | 1.6MPa | 2.5MPa | 锟斤拷锟(d锟斤拷ng)锟斤拷(zh锟斤拷)锟斤拷锟斤拷 (锟絧锟斤拷锟斤拷) | ||||
| D | D1 | N-D | D | D1 | N-D | ||||||
| 15 | 140 | 106 | 160 | 72 | 95 | 65 | 4-14 | 95 | 65 | 4-14 | ZTA52 |
| 20 | 160 | 113 | 190 | 83 | 105 | 75 | 4-14 | 105 | 75 | 4-14 | ZTA63 |
| 25 | 180 | 116 | 206 | 95 | 115 | 85 | 4-14 | 115 | 85 | 4-14 | ZTA75 |
| 32 | 200 | 144 | 216 | 103 | 135 | 100 | 4-18 | 135 | 100 | 4-18 | ZTA83 |
| 40 | 220 | 158 | 260 | 109 | 145 | 110 | 4-18 | 145 | 110 | 4-18 | ZTA92 |
| 50 | 240 | 164 | 286 | 120 | 160 | 125 | 4-18 | 165 | 125 | 4-18 | ZTA105 |
| 65 | 260 | 188 | 286 | 120 | 180 | 145 | 4-18 | 185 | 145 | 8-18 | ZTA105 |
| 80 | 280 | 214 | 340 | 142 | 195 | 160 | 8-18 | 200 | 160 | 8-18 | ZTA125 |
| 100 | 320 | 235 | 480 | 174 | 215 | 180 | 8-18 | 235 | 190 | 8-23 | ZTA140 |
| 125 | 380 | 270 | 538 | 206 | 245 | 210 | 8-18 | 270 | 220 | 8-25 | ZTA190 |
| 150 | 440 | 292 | 568 | 226 | 280 | 240 | 8-23 | 300 | 250 | 8-25 | ZTA210 |
锟斤拷锟较尺达拷锟絋锟斤拷PTFE锟杰凤拷锟斤拷通锟斤拷锟統锟斤拷锟斤拷锟矫咃拷锟斤拷(sh锟斤拷)锟竭寸,L锟斤拷PTFE锟杰凤拷臍锟阶匡拷锟斤拷锟絤锟斤拷(d锟斤拷ng)锟絧小些锟斤拷硬锟杰凤拷锟斤拷锟斤拷脜锟斤拷锟(sh锟斤拷)锟竭达拷锟斤拷請(q锟斤拷ng)锟絚锟絅锟桔诧拷聯(li锟斤拷n)系锟斤拷
锟斤拷通锟斤拷锟絤锟斤拷锟(d锟斤拷ng)锟斤拷锟統锟紽(xi锟斤拷n)锟斤拷(ch锟斤拷ng)锟紻片

