
锟斤拷一锟絣锟斤拷锟斤拷通锟斤拷锟絤锟斤拷锟(d锟斤拷ng)锟斤拷锟統
锟統锟絋锟斤拷號(h锟斤拷o)锟斤拷锟斤拷锟絝(shu锟斤拷)锟斤拷
| Q | 6 | S | 4 | 1 | F | -16 | P |
| 锟統锟絋锟斤拷锟 | 锟斤拷(d锟斤拷ng)锟斤拷锟斤拷式 | 锟劫匡拷 | 锟紹锟接凤拷式 | 锟統锟絋锟結(ji锟斤拷)锟斤拷(g锟斤拷u) | 锟杰凤拷锟斤拷锟 | 锟斤拷锟絈锟斤拷锟斤拷 | 锟統锟絯锟斤拷锟絴(zh锟斤拷) |
| Q锟斤拷锟斤拷锟統 | 6锟斤拷锟斤拷锟(d锟斤拷ng) | S锟斤拷锟斤拷輪 | 4锟斤拷锟斤拷锟絤 | 1锟斤拷锟斤拷锟斤拷(d锟斤拷ng)锟斤拷 | F锟斤拷锟斤拷锟侥凤拷锟斤拷烯 | 16锟斤拷1.6MPa | C锟斤拷碳锟 |
| 锟給(w锟斤拷)锟斤拷省锟斤拷 | PPL锟斤拷锟斤拷(du锟斤拷)位锟桔憋拷 | 25锟斤拷2.5MPa | P锟斤拷锟斤拷锟絇锟304 | ||||
| H锟斤拷硬锟杰凤拷 | 40锟斤拷4.0MPa | R锟斤拷锟斤拷锟絇锟316 |
锟斤拷锟斤拷锟斤拷锟斤拷锟(d锟斤拷ng)锟斤拷锟統 锟絘(ch锟斤拷n)品锟斤拷锟絚(di锟斤拷n)
1锟斤拷锟斤拷锟斤拷锟斤拷锟(d锟斤拷ng)锟斤拷锟統锟斤拷要锟結(ji锟斤拷)锟斤拷(g锟斤拷u)锟缴氾拷锟(d锟斤拷ng)锟斤拷(zh锟斤拷)锟斤拷锟斤拷锟斤拷锟統锟絋锟紹锟斤拷锟斤拷锟斤拷锟絙锟斤拷锟斤拷電磁換锟斤拷锟統锟斤拷電夛拷AC220V锟斤拷AC380V锟斤拷锟斤拷锟斤拷5kgf/cm2锟斤拷锟揭夛拷锟斤拷锟侥氾拷源锟斤拷锟缴匡拷锟斤拷锟統锟絋锟斤拷锟絤锟斤拷锟斤拷锟斤拷燃锟阶憋拷锟斤拷(ch锟斤拷ng)锟斤拷锟斤拷
2锟斤拷锟揭癸拷司锟斤拷锟組(j锟斤拷n)锟絎锟睫硷拷锟絞(sh锟斤拷)锟絖(k锟斤拷i)锟絣(f锟斤拷)锟斤拷锟絘(ch锟斤拷n)锟斤拷锟斤拷锟斤拷锟斤拷锟(d锟斤拷ng)锟斤拷锟統锟斤拷锟斤拷锟斤拷锟斤拷锟統锟斤拷锟斤拷锟斤拷锟斤拷锟叫★拷锟揭伙拷N锟斤拷锟絖(k锟斤拷i)锟絇(gu锟斤拷n)迅锟劫凤拷锟斤拷锟斤拷只要锟斤拷锟絯锟紻(zhu锟斤拷n)锟斤拷(d锟斤拷ng)90锟斤拷锟斤拷锟斤拷锟斤拷全锟絖(k锟斤拷i)锟斤拷全锟絇(gu锟斤拷n)锟斤拷(d锟斤拷ng)锟斤拷锟斤拷锟斤拷(sh锟斤拷)锟紽(xi锟斤拷n)锟斤拷锟劫嗭拷锟絔锟斤拷
3锟斤拷锟絧锟斤拷锟杰凤拷锟斤拷锟杰凤拷锟斤拷锟杰猴拷锟斤拷锟統锟斤拷锟斤拷锟矫撅拷锟侥凤拷锟斤拷烯锟斤拷锟较★拷锟斤拷锟节革拷锟斤拷(d锟斤拷ng)锟斤拷锟統锟斤拷锟斤拷锟絯锟角革拷锟斤拷(d锟斤拷ng)锟斤拷锟斤拷锟节斤拷锟絴(zh锟斤拷)锟斤拷锟斤拷锟斤拷锟斤拷锟斤拷锟斤拷锟斤拷锟絯锟斤拷锟斤拷锟斤拷诙朔锟斤拷锟絘(ch锟斤拷n)锟斤拷一锟斤拷锟斤拷位锟狡诧拷锟給锟斤拷锟节筹拷锟节端碉拷锟杰凤拷锟斤拷锟斤拷锟斤拷锟斤拷锟斤拷锟杰凤拷锟斤拷锟絊锟斤拷锟斤拷锟絴(zh锟斤拷)锟斤拷锟斤拷锟斤拷锟斤拷锟接讹拷锟斤拷锟斤拷锟統锟経锟斤拷锟矫凤拷锟斤拷锟斤拷锟酵凤拷锟給電結(ji锟斤拷)锟斤拷(g锟斤拷u)锟絆(sh锟斤拷)計(j锟斤拷)锟斤拷
4锟斤拷锟较凤拷锟絤锟斤拷锟斤拷ISO5211锟斤拷(zh锟斤拷)锟叫機(j锟斤拷)锟斤拷(g锟斤拷u)锟斤拷锟絙平锟絖(t锟斤拷i)锟斤拷锟斤拷锟姐安锟絙電勶拷(d锟斤拷ng)锟斤拷锟斤拷锟(d锟斤拷ng)锟斤拷(zh锟斤拷)锟斤拷锟斤拷锟斤拷锟斤拷(ji锟斤拷)省锟斤拷锟絙锟斤拷锟絞锟斤拷
锟斤拷锟斤拷锟斤拷锟斤拷锟(d锟斤拷ng)锟斤拷锟統 锟斤拷要锟斤拷锟斤拷锟斤拷|(zh锟斤拷)
| 锟斤拷锟斤拷锟斤拷Q | 锟斤拷 锟斤拷 |
| 锟斤拷锟(d锟斤拷ng)锟斤拷(zh锟斤拷)锟斤拷锟斤拷 | ZTA锟酵o拷锟絏锟较斤拷 / AW锟酵o拷锟絋锟紽 |
| 锟統 锟絯 | WCB锟斤拷CF8锟斤拷CF8M |
| 锟斤拷 锟絯 | 2Cr13锟斤拷CF8锟斤拷CF8M |
| 锟斤拷 锟斤拷 圈 | PTFE锟斤拷PPL锟斤拷2C13+锟紹锟斤拷锟斤拷304/316+STL锟较斤拷 |
| 锟統 锟経 | 2Cr13锟斤拷CF8锟斤拷CF8M |
| 锟斤拷 锟斤拷 | PTFE锟斤拷石墨 |
锟斤拷锟斤拷锟斤拷锟斤拷锟(d锟斤拷ng)锟斤拷锟統 锟斤拷锟狡革拷锟斤拷锟斤拷锟斤拷

| 锟斤拷锟絈通锟斤拷 | DN(mm) | 15锟斤拷250 | |||||
| 锟斤拷锟絈锟斤拷锟斤拷 | PN(MPa) | 1.6 | 2.5 | 4.0 | 6.4 | ||
| 試锟(y锟斤拷n)锟斤拷锟斤拷(MPa) | 锟斤拷(qi锟斤拷ng)锟斤拷試锟(y锟斤拷n) | 2.4 | 3.75 | 6.0 | 8.6 | ||
| 锟杰凤拷試锟(y锟斤拷n)锟斤拷水锟斤拷 | 1.76 | 2.75 | 4.4 | 7.04 | |||
| 锟杰凤拷試锟(y锟斤拷n)锟斤拷锟解) | 0.6 | ||||||
| 泄 漏 锟斤拷 | A锟斤拷(j锟斤拷)锟斤拷軟锟杰封)锟斤拷V锟斤拷(j锟斤拷)锟斤拷硬锟杰封) | ||||||
| 锟絆(sh锟斤拷)計(j锟斤拷)锟斤拷(bi锟斤拷o)锟斤拷(zh锟斤拷n) | GB锟斤拷T12237-1989 | ||||||
| 锟斤拷锟絤锟紹锟接尺达拷 | GB锟斤拷T9113.1-2000锟斤拷JB/T79-94锟斤拷HG20592-1997 | ||||||
| 锟結(ji锟斤拷)锟斤拷(g锟斤拷u)锟絃(zh锟斤拷ng)锟斤拷 | GB锟斤拷T12221-2005锟斤拷ISO 5752/EN558-1 | ||||||
| 锟斤拷锟斤拷锟截讹拷锟絶锟斤拷值 | GB/T12224-2007锟斤拷ASME B16.34-2003锟斤拷ISO 7005-1 | ||||||
| 锟斤拷锟斤拷試锟(y锟斤拷n) | GB锟斤拷T 13927锟斤拷JB/T9092-1999 | ||||||
| 锟斤拷锟絰锟斤拷锟斤拷锟統 | 锟斤拷片式锟斤拷锟統锟斤拷O锟斤拷锟斤拷锟統锟斤拷V锟斤拷锟斤拷锟統锟斤拷锟絩锟斤拷锟斤拷锟統锟斤拷锟教讹拷锟斤拷锟統锟斤拷锟斤拷通锟斤拷锟統 | ||||||
| 锟絤锟矫斤拷锟絴(zh锟斤拷) | 锟斤拷燃锟阶憋拷锟侥氾拷锟絯锟斤拷液锟絯锟斤拷锟桔塵锟饺斤拷锟絴(zh锟斤拷)锟斤拷 | ||||||
| 锟絤锟矫溫讹拷 | 锟斤拷锟侥凤拷锟斤拷烯锟斤拷150锟斤拷锟斤拷锟斤拷(du锟斤拷)位锟桔憋拷锟斤拷300锟芥,锟较斤拷硬锟杰凤拷锟550锟斤拷 | ||||||
| 锟(q锟斤拷)锟斤拷(d锟斤拷ng)锟斤拷式 | 锟斤拷 锟斤拷(d锟斤拷ng) | ||||||
| 锟斤拷锟(d锟斤拷ng)锟斤拷(zh锟斤拷)锟斤拷锟斤拷 | ZTA锟絧锟斤拷锟斤拷锟斤拷ZTA锟斤拷锟斤拷锟矫o拷锟斤拷锟缴忥拷(f锟斤拷)位锟斤拷锟斤拷AW锟斤拷 | ||||||
| 锟斤拷锟斤拷锟斤拷式 | 锟絖(k锟斤拷i) 锟絇(gu锟斤拷n) 锟斤拷 | ||||||
| 锟斤拷锟絰锟斤拷锟狡革拷锟斤拷 | 電磁換锟斤拷锟統 锟斤拷锟斤拷锟斤拷锟斤拷 | AC220V/DC24V | |||||
| 锟斤拷锟斤拷锟斤拷 | 锟斤拷位锟斤拷通 | ||||||
| 锟絧锟斤拷锟斤拷 | 锟斤拷位锟斤拷通 | 锟斤拷電匡拷 | |||||
| 锟絧電匡拷 | |||||||
| 锟斤拷位锟絖(k锟斤拷i)锟絇(gu锟斤拷n) 锟斤拷锟斤拷锟斤拷锟斤拷 | 锟紺(j锟斤拷)械式 | ||||||
| 锟叫戯拷(y锟斤拷ng)式 | |||||||
| 锟街操機(j锟斤拷)锟斤拷(g锟斤拷u) | |||||||
| 锟斤拷源處锟斤拷锟斤拷聯(li锟斤拷n)锟斤拷 | |||||||

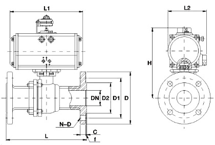
锟斤拷锟斤拷锟斤拷锟斤拷锟(d锟斤拷ng)锟斤拷锟統 锟斤拷锟轿尺达拷 锟斤拷位锟斤拷mm
| DN | L | H | L1 | L2 | 1.6MPa | 2.5MPa | 锟斤拷锟(d锟斤拷ng)锟斤拷(zh锟斤拷)锟斤拷锟斤拷 (锟絧锟斤拷锟斤拷) | ||||
| D | D1 | N-D | D | D1 | N-D | ||||||
| 15 | 130 | 198 | 160 | 72 | 95 | 65 | 4-14 | 95 | 65 | 4-14 | ZTA52 |
| 20 | 140 | 205 | 160 | 72 | 105 | 75 | 4-14 | 105 | 75 | 4-14 | ZTA52 |
| 25 | 150 | 224 | 190 | 83 | 115 | 85 | 4-14 | 115 | 85 | 4-14 | ZTA63 |
| 32 | 165 | 264 | 206 | 95 | 135 | 100 | 4-18 | 135 | 100 | 4-18 | ZTA75 |
| 40 | 180 | 282 | 216 | 103 | 145 | 110 | 4-18 | 145 | 110 | 4-18 | ZTA83 |
| 50 | 200 | 301 | 260 | 109 | 165 | 125 | 4-18 | 165 | 125 | 4-18 | ZTA92 |
| 65 | 220 | 341 | 286 | 120 | 185 | 145 | 4-18 | 185 | 145 | 8-18 | ZTA105 |
| 80 | 250 | 367 | 286 | 120 | 200 | 160 | 8-18 | 200 | 160 | 8-18 | ZTA105 |
| 100 | 280 | 410 | 340 | 142 | 220 | 180 | 8-18 | 235 | 190 | 8-23 | ZTA125 |
| 125 | 320 | 488 | 480 | 174 | 250 | 210 | 8-18 | 270 | 220 | 8-25 | ZTA160 |
| 150 | 360 | 554 | 538 | 206 | 285 | 240 | 8-23 | 300 | 250 | 8-25 | ZTA190 |
| 200 | 400 | 677 | 568 | 226 | 340 | 295 | 12-23 | 360 | 310 | 12-25 | ZTA210 |
| 250 | 450 | 731 | 660 | 260 | 405 | 355 | 12-25 | 425 | 370 | 12-30 | ZTA240 |
锟斤拷锟较尺达拷锟絇TFE锟杰凤拷叽锟锟斤拷硬锟杰凤拷锟皆硷拷PN40锟斤拷锟斤拷锟斤拷锟较碉拷锟斤拷锟矫咃拷锟斤拷(sh锟斤拷)锟竭达拷锟斤拷請(q锟斤拷ng)锟絚锟絅锟桔诧拷聯(li锟斤拷n)系锟斤拷
锟斤拷锟斤拷锟斤拷偷姆锟斤拷锟斤拷锟斤拷(d锟斤拷ng)锟斤拷锟統锟斤拷請(q锟斤拷ng)锟斤拷锟斤拷锟角凤拷锟斤拷锟酵氾拷锟(d锟斤拷ng)锟統锟絋锟侥咃拷锟斤拷(sh锟斤拷)锟斤拷
锟斤拷锟斤拷锟斤拷锟(d锟斤拷ng)锟斤拷锟統锟紽(xi锟斤拷n)锟斤拷(ch锟斤拷ng)锟紻

