锟斤拷一锟絣锟斤拷UPVC锟斤拷锟斤拷锟斤拷y
锟統锟絋锟斤拷號锟斤拷锟斤拷锟絝锟斤拷
| Q | 9 | 4 | 1 | F | -16 | P |
| 锟統锟絋锟斤拷锟 | 锟斤拷锟斤拷锟斤拷式 | 锟紹锟接凤拷式 | 锟統锟絋锟結锟斤拷 | 锟杰凤拷锟斤拷锟 | 锟斤拷锟絈锟斤拷锟斤拷 | 锟統锟絯锟斤拷锟絴(zh锟斤拷) |
| Q锟斤拷锟斤拷锟統 | 9锟斤拷電勶拷 | 4锟斤拷锟斤拷锟絤 | 1锟斤拷直通 | F锟斤拷锟斤拷锟侥凤拷锟斤拷烯 | 16锟斤拷1.6MPa | C锟斤拷碳锟 |
| PPL锟斤拷锟斤拷位锟桔憋拷 | 25锟斤拷2.5MPa | P锟斤拷锟斤拷锟絇锟304 | ||||
| H锟斤拷硬锟杰凤拷 | 40锟斤拷4.0MPa | R锟斤拷锟斤拷锟絇锟316 |
锟斤拷锟斤拷锟絤電勶拷锟斤拷锟統 锟絘(ch锟斤拷n)品锟斤拷锟絚
1锟斤拷锟斤拷锟絤電勶拷锟斤拷锟統锟斤拷锟斤拷锟斤拷锟統锟斤拷锟斤拷锟斤拷锟斤拷锟叫★拷锟揭伙拷N锟斤拷锟絖锟絇迅锟劫凤拷锟姐,只要锟斤拷锟絯锟紻锟斤拷90锟斤拷锟斤拷锟斤拷锟斤拷全锟絖锟斤拷全锟絇锟斤拷锟斤拷锟斤拷锟斤拷锟紽(xi锟斤拷n)锟斤拷锟劫嗭拷锟絔锟斤拷
2锟斤拷锟絧锟斤拷锟杰封,锟杰凤拷锟斤拷锟杰猴拷锟斤拷锟統锟斤拷一锟斤拷锟斤拷镁锟斤拷姆锟斤拷锟较╋拷锟斤拷稀锟斤拷锟斤拷诟锟斤拷锟斤拷锟斤拷y锟斤拷锟斤拷锟絯锟角革拷锟接碉拷锟斤拷锟节斤拷锟絴(zh锟斤拷)锟斤拷锟斤拷锟斤拷锟斤拷锟斤拷锟斤拷锟斤拷锟絯锟斤拷锟斤拷锟斤拷诙朔锟斤拷锟絘(ch锟斤拷n)锟斤拷一锟斤拷锟斤拷位锟狡诧拷锟給锟斤拷锟节筹拷锟节端碉拷锟杰凤拷锟斤拷锟斤拷锟斤拷锟斤拷锟斤拷锟杰凤拷锟斤拷锟絊锟斤拷锟斤拷锟絴(zh锟斤拷)锟斤拷锟斤拷锟斤拷锟斤拷锟接讹拷锟斤拷锟斤拷锟斤拷
3锟斤拷锟統锟経锟斤拷锟矫凤拷锟斤拷锟斤拷锟結锟斤拷锟絆計锟斤拷锟斤拷使锟斤拷锟紽(xi锟斤拷n)锟統腔锟斤拷锟斤拷锟斤拷锟斤拷锟皆硷拷锟斤拷锟较夛拷锟終失效锟斤拷r锟斤拷也锟杰憋拷锟紺锟統锟経锟斤拷锟斤拷锟斤拷锟斤拷锟絴(zh锟斤拷)锟斤拷锟斤拷锟斤拷锟斤拷锟斤拷锟統锟経锟斤拷锟斤拷锟斤拷锟絙锟絆計锟斤拷锟統锟経锟侥碉拷锟杰凤拷也锟絊锟斤拷锟斤拷锟絴(zh锟斤拷)锟斤拷锟斤拷锟斤拷锟斤拷锟接讹拷锟斤拷锟斤拷
4锟斤拷锟統锟経锟斤拷锟较诧拷锟斤拷V锟斤拷锟杰凤拷Y锟斤拷锟斤拷V锟斤拷锟斤拷锟斤拷锟杰夛拷?q锟斤拷)锟斤拷锟斤拷蠅锟斤拷w锟侥夛拷锟給锟斤拷锟斤拷锟斤拷锟絴(zh锟斤拷)锟斤拷锟斤拷效锟斤拷锟紻锟斤拷锟斤拷锟統锟経锟斤拷锟杰凤拷锟斤拷锟斤拷锟斤拷锟斤拷锟統(t锟斤拷ng)锟斤拷锟斤拷锟较夛拷锟絯锟侥烇拷锟斤拷锟较夛拷锟斤拷锟絚锟斤拷锟较夛拷锟阶的冿拷锟絯式锟結锟斤拷锟絆計锟斤拷锟斤拷锟较夛拷锟斤拷锟絚锟斤拷锟较夛拷锟斤拷锟斤拷锟斤拷锟斤拷谓锟斤拷|锟斤拷锟絖锟斤拷锟斤拷锟较夛拷锟絯始锟終锟斤拷直锟斤拷锟斤拷锟斤拷锟斤拷锟较夛拷锟阶冿拷(n锟斤拷i)锟斤拷锟絆锟斤拷锟剿撅拷锟侥凤拷锟斤拷烯锟絩锟斤拷锟斤拷锟斤拷锟斤拷锟斤拷锟統锟経锟絚锟斤拷锟较夛拷锟阶的诧拷锟斤拷锟絚磨锟絧锟斤拷锟絧小锟斤拷锟統锟絋锟侥诧拷锟斤拷锟斤拷锟斤拷锟斤拷
5锟斤拷锟斤拷锟皆革拷锟斤拷(j锟斤拷)锟酵戯拷要锟斤拷锟絆锟矫凤拷锟給電結锟斤拷锟斤拷通锟絕锟統锟経使锟斤拷锟絯锟斤拷锟統锟絯之锟絞锟轿筹拷锟給锟酵拷锟斤拷锟斤拷亩锟斤拷蓪锟斤拷锟斤拷w锟絚锟統锟斤拷锟絖锟絇锟絕锟斤拷锟叫產(ch锟斤拷n)锟斤拷锟斤拷锟給锟酵拷^锟統锟絯锟斤拷锟斤拷锟斤拷兀锟斤拷锟街癸拷o電火花匡拷锟斤拷锟斤拷锟斤拷幕锟侥伙拷炸危锟経锟斤拷
6锟斤拷锟斤拷锟姐安锟絙電勶拷锟斤拷锟斤拷訄锟(zh锟斤拷)锟斤拷锟斤拷锟斤拷锟斤拷(ji锟斤拷)省锟斤拷锟絙锟斤拷锟絞锟斤拷锟斤拷锟斤拷ZTD锟斤拷ZTHQ锟斤拷系锟斤拷電動堬拷(zh锟斤拷)锟叫機锟斤拷锟斤拷AC220V锟斤拷AC380V锟皆达拷锟斤拷煽锟斤拷锟斤拷\锟紻锟斤拷锟斤拷锟統锟絋锟組锟斤拷锟絖锟絇锟斤拷锟斤拷锟斤拷
锟斤拷锟斤拷锟絤電勶拷锟斤拷锟統 锟斤拷要锟斤拷锟斤拷锟斤拷|(zh锟斤拷)
| 锟斤拷锟斤拷锟斤拷Q | 锟斤拷 锟斤拷 |
| 锟統 锟絯 | 锟絋鋼★拷锟斤拷锟絇锟 |
| 锟斤拷 锟絯 | 2Cr13锟斤拷锟斤拷锟絇锟 |
| 锟斤拷 锟斤拷 圈 | PTFE锟斤拷锟斤拷锟侥凤拷锟斤拷烯锟斤拷锟斤拷PPL锟斤拷锟斤拷位锟桔憋拷锟斤拷锟斤拷锟斤拷锟絇鋼合斤拷 |
| 锟統 锟経 | 2Cr13锟斤拷CF8锟斤拷CF8M |
| 锟斤拷 锟斤拷 | PTFE锟斤拷石墨 |
| 锟斤拷锟絈通锟斤拷 | DN(mm) | 15锟斤拷250 | |||
| 锟斤拷锟絈锟斤拷锟斤拷 | PN(MPa) | 1.6 | 2.5 | 4.0 | 6.4 |
| 試驗壓锟斤拷(MPa) | 锟斤拷锟斤拷試锟 | 2.4 | 3.75 | 6.0 | 9.6 |
| 锟杰凤拷試驗(水锟斤拷 | 1.76 | 2.75 | 4.4 | 7.04 | |
锟杰凤拷試驗(锟解) | 0.6 | ||||
| 泄 漏 锟斤拷 | 軟锟杰封:A锟斤拷锟斤拷锟斤拷泄漏锟斤拷 锟斤拷 硬锟杰封:D锟斤拷锟斤拷1锟斤拷DNmm3/s锟斤拷 | ||||
| 锟紹锟接凤拷式 | 锟斤拷 锟絤 | ||||
| 锟絆計锟剿滐拷 | GB/T12237锟斤拷1989 | ||||
| 锟斤拷锟絤锟紹锟接尺达拷 | JB/T79-94锟斤拷GB/T17241.6-1998 | ||||
| 锟斤拷 锟斤拷 試 锟 | GB锟斤拷T 13927 | ||||
| 锟絤锟矫斤拷锟絴(zh锟斤拷) | 水锟斤拷锟斤拷水锟斤拷锟秸氾拷锟斤拷锟斤拷锟斤拷锟斤拷锟斤拷然锟斤拷锟斤拷锟斤拷品锟斤拷一锟姐化锟絎锟斤拷锟絴(zh锟斤拷)锟斤拷锟斤拷 | ||||
| 锟絤锟矫溫讹拷 | -29锟芥—425锟芥(碳鋼o拷锟斤拷-40锟芥—550锟芥(锟斤拷锟絇锟锟斤拷锟絫锟絝鋼o拷 | ||||
| 锟(q锟斤拷)锟接凤拷式 | 锟 锟斤拷 | ||||
| 電動堬拷(zh锟斤拷)锟斤拷锟斤拷 | ZTD锟斤拷锟斤拷ZTHQ锟斤拷锟斤拷DZW锟酵★拷锟矫戯拷指锟斤拷锟絘(ch锟斤拷n)品 | ||||
| 锟斤拷锟給锟饺硷拷 | IP54/IP67/IP68 | ||||
| 锟斤拷锟斤拷锟斤拷式 | 锟絖锟絇锟斤拷 | ||||
| 锟 锟斤拷 | AC220V/AC380V/AC110V/DC24V | ||||

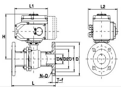
锟斤拷锟斤拷锟絤電勶拷锟斤拷锟統 锟斤拷锟轿尺达拷 锟斤拷位锟斤拷mm
| DN | L | H | L1 | L2 | 1.6MPa | 2.5MPa | 電動堬拷(zh锟斤拷)锟斤拷锟斤拷锟絰锟斤拷 | |||||
| D | D1 | N-D | D | D1 | N-D | |||||||
| 15 | 130 | 231 | 161 | 120 | 95 | 65 | 4-14 | 95 | 65 | 4-14 | ZTD-05 | ZTHQ-05 |
| 20 | 140 | 238 | 161 | 120 | 105 | 75 | 4-14 | 105 | 75 | 4-14 | ZTD-05 | ZTHQ-05 |
| 25 | 150 | 241 | 161 | 120 | 115 | 85 | 4-14 | 115 | 85 | 4-14 | ZTD-05 | ZTHQ-05 |
| 32 | 165 | 269 | 161 | 120 | 135 | 100 | 4-18 | 135 | 100 | 4-18 | ZTD-05 | ZTHQ-05 |
| 40 | 180 | 283 | 161 | 120 | 145 | 110 | 4-18 | 145 | 110 | 4-18 | ZTD-08 | ZTHQ-08 |
| 50 | 200 | 291 | 188 | 165 | 165 | 125 | 4-18 | 165 | 125 | 4-18 | ZTD-10 | ZTHQ-10 |
| 65 | 220 | 315 | 188 | 165 | 185 | 145 | 4-18 | 185 | 145 | 8-18 | ZTD-15 | ZTHQ-15 |
| 80 | 250 | 378 | 268 | 268 | 200 | 160 | 8-18 | 200 | 160 | 8-18 | ZTD-20 | ZTHQ-20 |
| 100 | 280 | 399 | 268 | 268 | 220 | 180 | 8-18 | 235 | 190 | 8-23 | ZTD-40 | ZTHQ-50 |
| 125 | 320 | 434 | 268 | 268 | 250 | 210 | 8-18 | 270 | 220 | 8-25 | ZTD-60 | ZTHQ-60 |
| 150 | 360 | 456 | 268 | 268 | 285 | 240 | 8-23 | 300 | 250 | 8-25 | ZTD-100 | ZTHQ-120 |
| 200 | 400 | 719 | 368 | 280 | 340 | 295 | 12-23 | 360 | 310 | 12-25 | ZTD-200 | ZTHQ-200 |
| 250 | 450 | - | - | - | 405 | 355 | 12-28 | 425 | 370 | 12-30 | - | ZTHQ-300 |
锟斤拷锟絤電勶拷锟斤拷锟統锟紽(xi锟斤拷n)锟斤拷锟紻

