
锟斤拷一锟絣锟斤拷锟絩锟斤拷锟斤拷锟(d锟斤拷ng)锟斤拷锟統
锟斤拷 锟統锟絋(m锟斤拷n)锟斤拷號(h锟斤拷o)锟斤拷锟斤拷锟絝(shu锟斤拷)锟斤拷
Q | 6 | S | 1 | 1 | F | -10 | S |
锟統锟絋(m锟斤拷n)锟斤拷锟 | 锟斤拷(d锟斤拷ng)锟斤拷锟斤拷式 | 锟劫匡拷 | 锟紹锟接凤拷式 | 锟統锟絋(m锟斤拷n)锟結(ji锟斤拷)锟斤拷(g锟斤拷u) | 锟杰凤拷锟斤拷锟 | 锟斤拷锟絈锟斤拷锟斤拷 | 锟統锟絯锟斤拷锟絴(zh锟斤拷) |
Q锟斤拷锟斤拷锟統 | 6锟斤拷锟斤拷锟(d锟斤拷ng) | S锟斤拷锟斤拷輪 | 1锟斤拷锟斤拷锟斤拷 | 1锟斤拷锟斤拷锟斤拷(d锟斤拷ng)锟斤拷 | F锟斤拷锟斤拷锟侥凤拷锟斤拷烯 | 10锟斤拷1.0MPa | S锟斤拷UPVC |
|
| 锟給(w锟斤拷)锟斤拷省锟斤拷 | 4锟斤拷锟斤拷锟絤 |
|
|
|
|
锟斤拷 UPVC锟斤拷锟(d锟斤拷ng)锟斤拷锟統 锟絘(ch锟斤拷n)品锟斤拷锟絚(di锟斤拷n)
UPVC锟斤拷锟(d锟斤拷ng)锟斤拷锟統锟斤拷锟斤拷锟絧锟斤拷锟斤拷胁锟斤拷B锟接o拷锟斤拷锟绞癸拷锟斤拷锟斤拷夤わ拷呒锟斤拷煽锟斤拷锟斤拷b锟斤拷锟斤拷锟斤拷锟叫結(ji锟斤拷)锟斤拷(g锟斤拷u)锟給锟斤拷锟斤拷锟斤拷磨锟絧锟斤拷锟斤拷锟阶诧拷卸锟斤拷锟斤拷锟斤拷z锟斤拷锟斤拷锟絊锟給(h锟斤拷)锟斤拷(ji锟斤拷n)锟斤拷锟斤拷锟叫等冿拷(y锟斤拷u)锟絚(di锟斤拷n)锟斤拷UPVC锟斤拷锟(d锟斤拷ng)锟斤拷锟統锟統锟絯锟斤拷锟絴(zh锟斤拷)锟絣(w锟斤拷i)锟斤拷锟給(w锟斤拷)锟斤拷锟斤拷锟酵革拷锟絞锟皆忥拷(qi锟斤拷ng)锟斤拷锟斤拷锟斤拷锟絧锟斤拷锟斤拷(y锟斤拷ng)锟矫凤拷锟斤拷锟絍锟斤拷锟斤拷锟界:锟斤拷水锟斤拷锟斤拷锟剿拷墓锟铰废碉拷y(t锟斤拷ng)锟斤拷锟斤拷水锟斤拷锟斤拷水锟斤拷路系锟統(t锟斤拷ng)锟斤拷锟絵水锟酵猴拷水锟斤拷路系锟統(t锟斤拷ng)锟斤拷锟斤拷A锟酵伙拷锟絎(xu锟斤拷)锟斤拷液系锟統(t锟斤拷ng)锟饺讹拷锟斤拷(g锟斤拷)锟叫業(y锟斤拷)锟斤拷
1锟斤拷锟斤拷锟斤拷锟絧锟斤拷锟絧锟斤拷锟斤拷Y(ji锟斤拷)锟斤拷(g锟斤拷u)锟斤拷锟斤拷同锟絩(sh锟斤拷)锟斤拷(d锟斤拷ng)锟斤拷锟筋及锟統锟絋(m锟斤拷n)使锟斤拷锟斤拷锟斤拷锟斤拷前锟斤拷锟絆(sh锟斤拷)锟斤拷锟铰凤拷锟斤拷锟酵o拷锟斤拷臓锟紹(t锟斤拷i)锟斤拷锟斤拷锟絇(gu锟斤拷n)锟絔锟斤拷锟統锟斤拷卸锟斤拷锟斤拷锟斤拷锟斤拷锟組(j锟斤拷n)锟叫猴拷喂锟斤拷叹S锟斤拷锟斤拷
2锟斤拷锟統锟絯锟斤拷锟叫冿拷(y锟斤拷u)锟斤拷锟斤拷锟酵伙拷锟絎(xu锟斤拷)锟斤拷锟絞锟斤拷锟斤拷锟斤拷锟斤拷锟斤拷锟斤拷锟斤拷锟紽PM锟斤拷EPDM "O"锟絟(hu锟斤拷n)锟斤拷锟斤拷锟絇TFE锟絴锟斤拷之使锟斤拷锟斤拷锟杰凤拷止锟斤拷锟斤拷(sh锟斤拷)锟斤拷锟絎(xu锟斤拷)锟斤拷锟絴(zh锟斤拷)之锟斤拷锟絞锟斤拷
3锟斤拷锟絴锟斤拷锟缴緊锟斤拷锟斤拷锟絤锟斤拷锟絳(di锟斤拷o)锟斤拷锟斤拷锟杰憋拷平锟斤拷锟解滑锟斤拷輸锟斤拷锟斤拷锟絯锟絩(sh锟斤拷)锟斤拷锟斤拷锟絕小锟斤拷磨锟斤拷锟斤拷锟斤拷锟酵革拷锟斤拷锟斤拷锟斤拷
4锟斤拷锟斤拷燃锟斤拷锟杰烇拷锟斤拷熄锟斤拷锟斤拷锟酵燂拷锟斤拷锟(d锟斤拷o)锟斤拷锟斤拷锟斤拷锟絪锟斤拷鋼材碉拷1/200锟斤拷锟斤拷锟斤拷锟絧锟斤拷锟洁當(d锟斤拷ng)锟斤拷鋼癸拷1/5锟斤拷锟絶锟杰碉拷1/6锟斤拷
5锟斤拷锟斤拷锟絴(zh锟斤拷)锟斤拷锟斤拷锟絰锟接猴拷锟斤拷锟絖(d锟斤拷)锟斤拷锟斤拷水锟斤拷(bi锟斤拷o)锟斤拷(zh锟斤拷n)锟斤拷锟絣(w锟斤拷i)锟斤拷指锟斤拷(bi锟斤拷o)锟斤拷锟较囷拷(gu锟斤拷)锟斤拷锟絣(w锟斤拷i)锟斤拷锟斤拷(bi锟斤拷o)锟斤拷(zh锟斤拷n)要锟斤拷锟斤拷
6锟斤拷锟斤拷(y锟斤拷u)锟斤拷锟斤拷锟斤拷锟较伙拷锟酵匡拷锟斤拷锟解線锟斤拷锟杰o拷使锟斤拷锟斤拷使锟矫夛拷锟斤拷锟斤拷锟斤拷锟斤拷锟杰碉拷系锟統(t锟斤拷ng)锟斤拷锟叫很达拷锟斤拷锟斤拷L(zh锟斤拷ng)锟斤拷
锟斤拷UPVC锟斤拷锟(d锟斤拷ng)锟斤拷锟統 锟斤拷锟絞(sh锟斤拷)锟斤拷锟斤拷(sh锟斤拷)
锟斤拷锟絈通锟斤拷 | DN(mm) | 15锟斤拷100 | ||
锟斤拷锟絈锟斤拷锟斤拷 | PN(MPa) | 1.0 | ||
泄 漏 锟斤拷 | A锟斤拷(j锟斤拷)锟斤拷軟锟杰封) | |||
锟斤拷锟斤拷試锟(y锟斤拷n) | GB锟斤拷T 13927锟斤拷JB/T9092-1999 | |||
锟紹锟接凤拷式 | 锟絧锟斤拷锟斤拷锟斤拷锟斤拷锟絤 | |||
锟絤锟矫溫讹拷 | -20锟芥—80锟斤拷 | |||
锟(q锟斤拷)锟斤拷(d锟斤拷ng)锟斤拷式 | 锟斤拷 锟斤拷(d锟斤拷ng) | |||
锟斤拷锟(d锟斤拷ng)锟斤拷(zh锟斤拷)锟斤拷锟斤拷 | ZTA锟絧锟斤拷锟矫★拷ZTA锟斤拷锟斤拷锟矫o拷锟斤拷锟缴忥拷(f锟斤拷)位锟斤拷 | |||
锟斤拷锟斤拷锟斤拷式 | 锟絖(k锟斤拷i) 锟絇(gu锟斤拷n) 锟斤拷 | |||
锟斤拷锟絰锟斤拷锟狡革拷锟斤拷 | 電磁換锟斤拷锟統 | AC220V/DC24V | ||
锟斤拷锟斤拷锟斤拷 | 锟斤拷位锟斤拷通 | |||
锟絧锟斤拷锟斤拷 | 锟斤拷位锟斤拷通 | 锟斤拷電匡拷 | ||
锟絧電匡拷 | ||||
锟斤拷位锟絖(k锟斤拷i)锟絇(gu锟斤拷n) | 锟紺(j锟斤拷)械式 | |||
锟叫戯拷(y锟斤拷ng)式 | ||||
锟街操機(j锟斤拷)锟斤拷(g锟斤拷u) | ||||
锟斤拷源處锟斤拷锟斤拷聯(li锟斤拷n)锟斤拷 | ||||
锟斤拷 UPVC锟斤拷锟(d锟斤拷ng)锟斤拷锟統锟斤拷锟斤拷锟絰锟斤拷
锟斤拷锟斤拷锟斤拷锟絈 | 锟斤拷 锟斤拷 锟絝(shu锟斤拷) 锟斤拷 |
電磁換锟斤拷锟統 | 電磁換锟斤拷锟統锟角氾拷锟(d锟斤拷ng)锟斤拷锟統锟侥憋拷锟戒附锟斤拷锟斤拷讓锟斤拷锟(d锟斤拷ng)锟斤拷锟統锟絘(ch锟斤拷n)锟斤拷锟斤拷锟絖(k锟斤拷i)锟斤拷锟絇(gu锟斤拷n)锟絔锟侥勶拷(d锟斤拷ng)锟斤拷锟斤拷锟絧锟斤拷锟矫氾拷锟(d锟斤拷ng)锟斤拷锟統锟斤拷(y锟斤拷ng)該锟絰锟矫讹拷位锟斤拷通電磁換锟斤拷锟統锟斤拷锟斤拷電控o拷锟轿撅拷圈锟斤拷锟斤拷電伙拷失電o拷锟斤拷锟絧電控o拷锟絧锟斤拷圈锟斤拷锟街別锟斤拷锟锟斤拷锟斤拷锟斤拷記锟斤拷锟斤拷锟杰o拷锟斤拷锟斤拷锟斤拷锟矫氾拷锟(d锟斤拷ng)锟斤拷锟統锟斤拷锟斤拷源锟斤拷锟较時(sh锟斤拷)锟斤拷锟斤拷變锟(n锟斤拷i)锟斤拷锟斤拷锟缴匡拷锟斤拷讓锟統锟絋(m锟斤拷n)锟絯位锟斤拷锟斤拷(y锟斤拷ng)該锟絰锟矫讹拷位锟斤拷通電达拷锟統锟斤拷 |
锟斤拷位锟絖(k锟斤拷i)锟絇(gu锟斤拷n) | 锟斤拷位锟絖(k锟斤拷i)锟絇(gu锟斤拷n)锟斤拷锟斤拷锟斤拷锟斤拷锟絟(yu锟斤拷n)锟教凤拷锟斤拷锟給(w锟斤拷)源锟斤拷锟斤拷源锟絴锟絚(di锟斤拷n)锟斤拷號(h锟斤拷o)锟斤拷锟矫侊拷(l锟斤拷i)锟(y锟斤拷n)锟紺锟統锟絋(m锟斤拷n)锟角凤拷處锟斤拷锟絖(k锟斤拷i)锟斤拷锟絇(gu锟斤拷n)锟斤拷位锟矫★拷 |
锟街操機(j锟斤拷)锟斤拷(g锟斤拷u) | 锟街操機(j锟斤拷)锟斤拷(g锟斤拷u)锟斤拷锟斤拷锟斤拷锟角拷(d锟斤拷ng)锟斤拷源锟斤拷锟较時(sh锟斤拷)锟斤拷锟斤拷锟斤拷锟街勶拷(d锟斤拷ng)锟斤拷(l锟斤拷i)锟斤拷锟斤拷锟統锟絋(m锟斤拷n)锟斤拷锟斤拷锟斤拷锟皆勶拷(d锟斤拷ng)/锟街勶拷(d锟斤拷ng)锟叫換锟絙锟斤拷锟斤拷 |
锟斤拷源處锟斤拷锟斤拷聯(li锟斤拷n)锟斤拷 | 锟斤拷源處锟斤拷锟斤拷聯(li锟斤拷n)锟斤拷锟斤拷锟斤拷锟斤拷锟角岋拷(du锟斤拷)锟斤拷源锟組(j锟斤拷n)锟叫減锟斤拷锟斤拷(w锟斤拷n)锟斤拷锟斤拷锟絕(gu锟斤拷)锟絍锟絪锟絴(zh锟斤拷)锟斤拷锟皆硷拷锟斤拷锟酵濓拷(r锟斤拷n)锟斤拷電磁換锟斤拷锟統锟斤拷 |
锟絰锟斤拷锟絝(shu锟斤拷)锟斤拷 | 锟斤拷锟较革拷锟斤拷锟斤拷锟斤拷x锟斤拷锟斤拷锟锟斤拷锟缴革拷锟斤拷(j锟斤拷)锟斤拷锟斤拷锟(l锟斤拷i)锟絰锟今。癸拷司锟斤拷锟(d锟斤拷ng)锟斤拷锟統锟斤拷(b锟斤拷o)锟絩(ji锟斤拷)默锟絁(r锟斤拷n)锟介不锟絰锟斤拷锟斤拷锟较匡拷锟狡革拷锟斤拷锟斤拷電磁換锟斤拷锟統锟斤拷AC220V锟斤拷DC24V锟斤拷锟絰锟斤拷锟皆硷拷锟斤拷锟斤拷锟斤拷欠锟斤拷锟斤拷锟斤拷锟轿伙拷_(k锟斤拷i)锟絇(gu锟斤拷n)锟叫機(j锟斤拷)械式锟酵感戯拷(y锟斤拷ng)式锟斤拷也锟叫凤拷锟斤拷锟斤拷欠锟斤拷锟斤拷锟斤拷x锟斤拷 |
锟斤拷 UPVC锟斤拷锟(d锟斤拷ng)锟斤拷锟統 锟斤拷要锟斤拷锟斤拷锟斤拷|(zh锟斤拷)
锟斤拷锟斤拷锟斤拷Q | 锟斤拷 锟斤拷 |
锟斤拷锟(d锟斤拷ng)锟斤拷(zh锟斤拷)锟斤拷锟斤拷 | ZTA锟酵o拷锟絏锟较斤拷 |
锟統 锟絯 | UPVC PP CPVC |
锟斤拷 锟絯 | UPVC PP CPVC |
锟斤拷 锟斤拷 圈 | PTFE |
锟統 锟経 | UPVC PP CPVC |
O 锟斤拷 圈 | EPDM FPM |

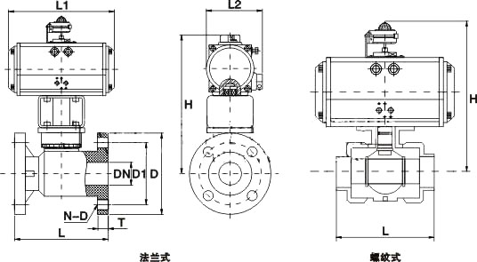
锟斤拷 UPVC锟斤拷锟(d锟斤拷ng)锟斤拷锟統 锟斤拷锟轿尺达拷 锟斤拷位锟斤拷mm
DN | G | L | H | L1 | L2 | D | D1 | T | N-D | 锟斤拷锟(d锟斤拷ng)锟斤拷(zh锟斤拷)锟斤拷锟斤拷 (锟絧锟斤拷锟斤拷) | ||
锟捷紋 | 锟斤拷锟絤 | 锟捷紋 | 锟斤拷锟絤 | |||||||||
15 | 1/2锟斤拷 | 113 | 147 | 142 | 208 | 160 | 72 | 95 | 65 | 14 | 4-14 | ZTA52 |
20 | 3/4锟斤拷 | 124 | 161 | 153 | 213 | 160 | 72 | 105 | 75 | 16 | 4-14 | ZTA52 |
25 | 1锟斤拷 | 142 | 187 | 176 | 218 | 190 | 83 | 115 | 85 | 16 | 4-14 | ZTA52 |
32 | 1 1/4锟斤拷 | 178 | 225 | 200 | 240 | 206 | 95 | 140 | 100 | 16 | 4-18 | ZTA63 |
40 | 1 1/2锟斤拷 | 178 | 225 | 218 | 263 | 216 | 103 | 150 | 110 | 16 | 4-18 | ZTA75 |
50 | 2锟斤拷 | 201 | 255 | 240 | 283 | 260 | 109 | 165 | 125 | 18 | 4-18 | ZTA75 |
65 | 2 1/2锟斤拷 | 224 | 277 | 281 | 309 | 286 | 120 | 185 | 145 | 22 | 4-18 | ZTA83 |
80 | 3锟斤拷 | 276 | 333 | 310 | 340 | 286 | 120 | 200 | 160 | 25 | 8-18 | ZTA92 |
100 | 4锟斤拷 | 327 | 384 | 338 | 392 | 340 | 143 | 220 | 180 | 25 | 8-18 | ZTA105 |