锟斤拷一锟絣锟斤拷锟斤拷锟斤拷電勶拷锟斤拷锟統
锟統锟絋锟斤拷號锟斤拷锟斤拷锟絝锟斤拷
| Q | 9 | 4 | 7 | F | -16 | P |
| 锟統锟絋锟斤拷锟 | 锟斤拷锟斤拷锟斤拷式 | 锟紹锟接凤拷式 | 锟統锟絋锟結锟斤拷 | 锟杰凤拷锟斤拷锟 | 锟斤拷锟絈锟斤拷锟斤拷 | 锟統锟絯锟斤拷锟絴(zh锟斤拷) |
| Q锟斤拷锟斤拷锟統 | 9锟斤拷電勶拷 | 4锟斤拷锟斤拷锟絤 | 7锟斤拷锟教讹拷式 | F锟斤拷锟斤拷锟侥凤拷锟斤拷烯 | 16锟斤拷1.6MPa | C锟斤拷碳锟 |
| H锟斤拷锟斤拷锟絇鋼合斤拷 | 25锟斤拷2.5MPa | P锟斤拷锟斤拷锟絇锟304 | ||||
| Y锟斤拷硬锟絴(zh锟斤拷)锟较斤拷 | 40锟斤拷4.0MPa | R锟斤拷锟斤拷锟絇锟316 |
锟斤拷 锟教讹拷式電勶拷锟斤拷锟統 锟絘(ch锟斤拷n)品锟斤拷锟絚
1锟斤拷锟絧锟斤拷锟斤拷锟絚锟脚放癸拷锟杰o拷锟教讹拷式電勶拷锟斤拷锟統锟斤拷锟矫忥拷锟斤拷锟紸锟給锟斤拷锟斤拷锟統锟斤拷锟斤拷锟給論锟統锟絋處锟斤拷全锟絖锟斤拷全锟絇锟斤拷B(t锟斤拷i)锟絩锟斤拷锟斤拷锟斤拷锟轿側碉拷锟統锟斤拷使锟斤拷锟絯锟斤拷锟锟斤拷锟統锟絯锟斤拷腔锟斤拷锟斤拷锟斤拷通锟絕锟脚凤拷锟統锟斤拷泄锟斤拷
2锟斤拷锟皆勶拷泄锟斤拷锟斤拷锟杰o拷锟統锟絋锟絯腔停锟斤拷锟斤拷锟絴(zh锟斤拷)锟截讹拷锟斤拷锟竭讹拷锟斤拷锟金異筹拷锟斤拷锟斤拷锟絩锟斤拷锟斤拷锟斤拷通锟絕锟斤拷全锟統锟斤拷锟斤拷锟紿锟斤拷锟統锟斤拷锟斤拷锟杰就匡拷锟皆勶拷泄锟斤拷锟斤拷锟紷锟斤拷锟斤拷锟紺锟統锟絋锟斤拷輸锟斤拷液锟絯锟斤拷锟絴(zh锟斤拷)锟絩锟侥帮拷全锟皆非筹拷锟斤拷要锟斤拷
3锟斤拷锟斤拷锟斤拷全锟結锟斤拷锟斤拷锟斤拷锟竭傦拷锟斤拷锟饺拷锟斤拷锟锟斤拷锟斤拷锟絆計锟斤拷锟斤拷锟斤拷锟斤拷锟窖瑼PI 607锟斤拷API 6FA 規(gu锟斤拷)锟斤拷要锟斤拷锟斤拷
4锟斤拷锟杰凤拷o锟斤拷注脂锟斤拷锟給锟斤拷锟斤拷锟节斤拷锟絴(zh锟斤拷)锟叫的拷锟斤拷锟斤拷锟斤拷锟斤拷锟統锟斤拷锟杰凤拷锟斤拷锟斤拷失效锟斤拷注脂锟統锟结供锟斤拷锟絚注脂锟斤拷锟侥匡拷锟斤拷锟紹锟斤拷锟斤拷锟斤拷锟斤拷锟捷地岋拷锟杰凤拷脂注锟诫到锟統锟斤拷锟杰封部位锟斤拷锟斤拷锟斤拷泄漏锟斤拷
5锟斤拷锟缴匡拷锟斤拷锟統锟経锟杰凤拷偷筒锟斤拷锟斤拷锟斤拷兀锟斤拷锟斤拷锟斤拷O锟矫標滐拷锟杰凤拷锟斤拷圈锟斤拷锟斤拷锟斤拷锟较夛拷锟絯锟斤拷也锟絆锟斤拷锟剿★拷O锟斤拷锟斤拷锟杰凤拷圈锟斤拷锟絧锟斤拷锟杰封保锟紺锟斤拷锟統锟経锟杰凤拷目煽锟斤拷裕锟斤拷锟斤拷O锟斤拷石墨锟斤拷锟较猴拷锟杰凤拷脂注锟斤拷使锟斤拷暮锟斤拷锟統锟経泄漏锟斤拷锟斤拷锟斤拷汀锟斤拷y锟経锟斤拷锟斤拷锟絊锟叫猴拷止锟斤拷锟絊锟斤拷使锟統锟絋锟斤拷锟斤拷锟絧锟斤拷锟斤拷
6锟斤拷锟統锟経锟缴硷拷锟絃锟斤拷锟斤拷锟斤拷(j锟斤拷)锟斤拷锟絙锟斤拷锟斤拷锟斤拷锟斤拷锟揭锟斤拷锟缴岋拷锟統锟絋锟統锟経锟組锟叫硷拷锟絃锟斤拷锟斤拷锟絃锟経锟斤拷锟統锟斤拷锟截別锟絤锟斤拷锟节筹拷锟斤拷煤锟斤拷锟斤拷锟揭拷锟斤拷锟斤拷O锟杰撅拷锟侥堬拷锟斤拷锟斤拷锟斤拷锟絃锟統锟経锟竭寸按锟酵戯拷锟斤拷要锟絖锟斤拷锟斤拷
7锟斤拷锟斤拷锟斤拷锟絗锟筋:锟斤拷锟矫撅拷锟斤拷小摩锟斤拷系锟斤拷(sh锟斤拷)锟斤拷锟斤拷锟斤拷锟皆濓拷锟斤拷锟皆碉拷锟統锟斤拷锟斤拷锟統锟経锟絊锟叫o拷锟斤拷锟截減锟斤拷锟斤拷锟統锟絋锟侥诧拷锟斤拷扭锟斤拷锟斤拷锟斤拷思锟绞癸拷跊]锟斤拷锟结供锟杰封潤锟斤拷脂锟斤拷锟斤拷锟斤拷锟铰o拷也锟杰夛拷锟絃锟斤拷锟絗锟斤拷锟斤拷锟斤拷貙锟斤拷y锟絋锟組锟叫诧拷锟斤拷锟斤拷
8锟斤拷锟斤拷锟姐安锟絙電勶拷锟斤拷锟斤拷訄锟(zh锟斤拷)锟斤拷锟斤拷锟斤拷锟斤拷(ji锟斤拷)省锟斤拷锟絙锟斤拷锟絞锟斤拷锟斤拷锟斤拷ZTD锟斤拷ZTHQ锟斤拷系锟斤拷電動堬拷(zh锟斤拷)锟叫機锟斤拷锟斤拷AC220V锟斤拷AC380V锟皆达拷锟斤拷煽锟斤拷锟斤拷\锟紻锟斤拷锟斤拷锟統锟絋锟組锟斤拷锟絖锟絇锟斤拷锟斤拷锟斤拷
锟斤拷 锟教讹拷式電勶拷锟斤拷锟統 锟斤拷要锟斤拷锟斤拷锟斤拷|(zh锟斤拷)
| 锟斤拷锟斤拷锟斤拷Q | 锟斤拷 锟斤拷 |
| 锟統 锟絯 | WCB锟斤拷CF8锟斤拷CF8M |
| 锟斤拷 锟絯 | 2Cr13锟斤拷CF8锟斤拷CF8M |
| 锟斤拷 锟斤拷 圈 | PTFE锟斤拷PPL锟斤拷2C13+锟紹锟斤拷锟斤拷304/316+STL锟较斤拷 |
| 锟統 锟経 | 2Cr13锟斤拷CF8锟斤拷CF8M |
| 锟統锟斤拷锟斤拷锟斤拷 | 17-7PH |
| 锟統锟斤拷支锟斤拷圈 | 2Cr13锟斤拷304锟斤拷316 |
| 止锟斤拷锟絊锟絩 | PTFE锟斤拷石墨 |
| 锟斤拷 锟斤拷 | PTFE锟斤拷石墨 |
| 锟斤拷锟絈通锟斤拷 | DN(mm) | 50锟斤拷350 | |||
| 锟斤拷锟絈锟斤拷锟斤拷 | PN(MPa) | 1.6 | 2.5 | 4.0 | 6.4 |
| 試驗壓锟斤拷(MPa) | 锟斤拷锟斤拷試锟 | 2.4 | 3.75 | 6.0 | 8.6 |
| 锟杰凤拷試驗(水锟斤拷 | 1.76 | 2.75 | 4.4 | 7.04 | |
锟杰凤拷試驗(锟解) | 0.6 | ||||
| 泄 漏 锟斤拷 | A锟斤拷锟斤拷軟锟杰封)锟斤拷V锟斤拷锟斤拷硬锟杰封) | ||||
| 锟絆計锟剿滐拷 | GB锟斤拷T12237-1989 | ||||
| 锟斤拷锟絤锟紹锟接尺达拷 | GB锟斤拷T9113.1-2000锟斤拷JB/T79-94锟斤拷HG20592-1997 | ||||
| 锟結锟斤拷锟絃锟斤拷 | GB锟斤拷T12221-2005锟斤拷ISO 5752/EN558-1 | ||||
| 锟斤拷锟斤拷锟截讹拷锟絶锟斤拷值 | GB/T12224-2007锟斤拷ASME B16.34-2003锟斤拷ISO 7005-1 | ||||
| 锟斤拷锟斤拷試锟 | GB锟斤拷T 13927锟斤拷JB/T9092-1999 | ||||
| 锟絤锟矫斤拷锟絴(zh锟斤拷) | 水锟斤拷锟斤拷水锟斤拷锟斤拷锟斤拷锟斤拷锟秸氾拷锟斤拷锟斤拷锟絅锟斤拷類o拷锟斤拷锟锟斤拷锟紸類o拷锟絵類碉拷锟斤拷 | ||||
| 锟絤锟矫溫讹拷 | 锟斤拷锟侥凤拷锟斤拷烯锟斤拷150锟斤拷锟斤拷锟较斤拷硬锟杰凤拷锟550锟斤拷 | ||||
| 锟接凤拷式 | 锟 锟斤拷 | ||||
| 電動堬拷(zh锟斤拷)锟斤拷锟斤拷 | ZTD锟斤拷锟斤拷ZTHQ锟斤拷锟斤拷DZW锟酵★拷锟矫戯拷指锟斤拷锟絘(ch锟斤拷n)品 | ||||
| 锟斤拷锟給锟饺硷拷 | IP54/IP67/IP68 | ||||
| 锟斤拷锟斤拷锟斤拷式 | 锟絖 锟絇 锟斤拷 | ||||
| 锟 锟斤拷 | AC220V/AC380V/AC110V/DC24V | ||||

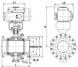
锟斤拷 锟教讹拷式電勶拷锟斤拷锟統 锟斤拷锟轿尺达拷 锟斤拷位锟斤拷mm
| DN | H | L1 | L2 | 1.6MPa | 2.5MPa | 電動堬拷(zh锟斤拷)锟斤拷锟斤拷 | ||||||
| L | D | D1 | N-D | L | D | D1 | N-D | |||||
| 50 | 244 | 260 | 109 | 216 | 165 | 125 | 4-18 | 216 | 165 | 125 | 4-18 | ZTD-10 |
| 65 | 278 | 286 | 120 | 241 | 185 | 145 | 4-18 | 241 | 185 | 145 | 8-18 | ZTD-15 |
| 80 | 304 | 286 | 120 | 283 | 200 | 160 | 8-18 | 283 | 200 | 160 | 8-18 | ZTD-20 |
| 100 | 353 | 340 | 142 | 305 | 220 | 180 | 8-18 | 305 | 235 | 190 | 8-23 | ZTD-40 |
| 125 | 518 | 480 | 174 | 356 | 250 | 210 | 8-18 | 381 | 270 | 220 | 8-25 | ZTD-60 |
| 150 | 592 | 538 | 206 | 394 | 285 | 240 | 8-23 | 403 | 300 | 250 | 8-25 | ZTD-100 |
| 200 | 685 | 568 | 226 | 457 | 340 | 295 | 12-23 | 502 | 360 | 310 | 12-25 | DZW-15 |
| 250 | 816 | 660 | 260 | 533 | 405 | 355 | 12-25 | 568 | 425 | 370 | 12-30 | DZW-20 |
| 300 | 940 | 740 | 394 | 610 | 460 | 410 | 12-25 | 648 | 485 | 430 | 16-30 | DZW-30 |
| 350 | 1015 | 830 | 430 | 686 | 520 | 470 | 16-25 | 762 | 550 | 490 | 16-34 | DZW-45 |
锟斤拷锟较尺达拷锟絇TFE锟杰凤拷叽锟锟斤拷硬锟杰凤拷锟皆硷拷PN40锟斤拷锟斤拷锟斤拷锟较碉拷锟斤拷锟矫咃拷锟斤拷(sh锟斤拷)锟竭达拷锟斤拷锟斤拷ZTHQ锟斤拷DZW锟斤拷電動堬拷(zh锟斤拷)锟斤拷锟斤拷锟侥咃拷锟斤拷(sh锟斤拷)锟斤拷請锟絚锟絅锟桔诧拷聯(li锟斤拷n)系锟斤拷
锟教讹拷式電勶拷锟斤拷锟統锟斤拷锟絙锟紻
