
锟斤拷一锟絣锟斤拷锟教讹拷式電勶拷(d锟斤拷ng)锟斤拷锟統
锟統锟絋(m锟斤拷n)锟斤拷號(h锟斤拷o)锟斤拷锟斤拷锟絝(shu锟斤拷)锟斤拷
| VQ | 9 | 4 | 7 | F | -16 | P |
| 锟統锟絋(m锟斤拷n)锟斤拷锟 | 锟斤拷(d锟斤拷ng)锟斤拷锟斤拷式 | 锟紹锟接凤拷式 | 锟統锟絋(m锟斤拷n)锟結(ji锟斤拷)锟斤拷(g锟斤拷u) | 锟杰凤拷锟斤拷锟 | 锟斤拷锟絈锟斤拷锟斤拷 | 锟統锟絯锟斤拷锟絴(zh锟斤拷) |
| VQ锟斤拷V锟斤拷锟斤拷锟統 | 9锟斤拷電勶拷(d锟斤拷ng) | 4锟斤拷锟斤拷锟絤 | 7锟斤拷锟教讹拷式 | F锟斤拷锟斤拷锟侥凤拷锟斤拷烯 | 16锟斤拷1.6MPa | C锟斤拷碳锟 |
| 7锟斤拷锟斤拷(du锟斤拷)锟紸 | H锟斤拷硬锟杰凤拷 | 25锟斤拷2.5MPa | P锟斤拷锟斤拷锟絇锟304 | |||
| Y锟斤拷硬锟絴(zh锟斤拷)锟较斤拷 | R锟斤拷锟斤拷锟絇锟316 |
锟斤拷 電勶拷(d锟斤拷ng)V锟斤拷锟絳(di锟斤拷o)锟斤拷(ji锟斤拷)锟斤拷锟統 锟絘(ch锟斤拷n)品锟斤拷锟絚(di锟斤拷n)
1锟斤拷锟揭癸拷司锟斤拷锟組(j锟斤拷n)锟絎锟睫硷拷锟絞(sh锟斤拷)锟絖(k锟斤拷i)锟絣(f锟斤拷)锟斤拷锟絘(ch锟斤拷n)锟斤拷電勶拷(d锟斤拷ng)V锟斤拷锟絳(di锟斤拷o)锟斤拷(ji锟斤拷)锟斤拷锟統锟斤拷锟統芯锟斤拷锟絖(k锟斤拷i)锟斤拷V锟斤拷锟叫口o拷锟絚硬锟杰凤拷锟統锟斤拷锟斤拷锟斤拷(du锟斤拷)锟紻(zhu锟斤拷n)锟斤拷(d锟斤拷ng)锟絘(ch锟斤拷n)锟斤拷锟斤拷锟斤拷锟斤拷锟斤拷锟缴岋拷锟絯锟絊锟叫斷,锟斤拷止锟斤拷锟斤拷锟斤拷锟絚锟斤拷通锟斤拷O锟斤拷锟斤拷锟統一锟斤拷锟杰凤拷锟斤拷锟杰好o拷同锟絩(sh锟斤拷)锟竭傦拷锟絳(di锟斤拷o)锟斤拷(ji锟斤拷)锟斤拷锟絖(k锟斤拷i)锟絇(gu锟斤拷n)锟缴種锟斤拷锟斤拷锟斤拷锟斤拷锟斤拷锟斤拷通锟斤拷锟斤拷锟斤拷锟絳(di锟斤拷o)锟斤拷(ji锟斤拷)锟斤拷锟饺革拷锟斤拷锟斤拷锟絳(di锟斤拷o)锟饺达拷锟斤拷锟杰凤拷锟皆猴拷锟斤拷锟斤拷锟斤拷锟絧锟斤拷锟斤拷锟絚(di锟斤拷n)锟斤拷锟絤锟斤拷锟节筹拷小锟节忥拷锟斤拷锟斤拷锟斤拷锟斤拷锟斤拷通锟紹锟斤拷锟斤拷拇蟛糠謭锟(ch锟斤拷ng)锟斤拷锟斤拷锟斤拷锟斤拷锟斤拷M(j锟斤拷n)锟节產(ch锟斤拷n)品锟斤拷锟斤拷旬a(ch锟斤拷n)品锟斤拷锟截別锟絤锟斤拷锟斤拷锟斤拷锟絳锟酵猴拷锟斤拷锟絯锟絊锟皆斤拷锟絴(zh锟斤拷)锟斤拷锟皆硷拷锟斤拷锟斤拷微小锟斤拷锟絯锟揭革拷锟斤拷锟斤拷|(zh锟斤拷)锟斤拷锟絳(di锟斤拷o)锟斤拷(ji锟斤拷)锟斤拷锟絍锟斤拷锟斤拷(y锟斤拷ng)锟斤拷锟斤拷锟届紙锟絀(y锟斤拷)锟斤拷锟斤拷锟角★拷石锟斤拷锟斤拷锟斤拷锟斤拷锟斤拷冶锟斤拷裙锟斤拷I(y锟斤拷)锟皆勶拷(d锟斤拷ng)锟斤拷锟斤拷系锟統(t锟斤拷ng)锟叫★拷
2锟斤拷電勶拷(d锟斤拷ng)V锟斤拷锟絳(di锟斤拷o)锟斤拷(ji锟斤拷)锟斤拷锟統锟斤拷锟統锟絯锟斤拷锟絯式锟結(ji锟斤拷)锟斤拷(g锟斤拷u)锟斤拷锟斤拷(du锟斤拷)锟紸式锟酵凤拷锟絤式V锟斤拷锟斤拷锟統锟統锟絯锟斤拷锟斤拷锟斤拷锟絯锟斤拷(c锟斤拷)锟絙式锟結(ji锟斤拷)锟斤拷(g锟斤拷u)锟斤拷锟結(ji锟斤拷)锟斤拷(g锟斤拷u)锟斤拷锟皆忥拷(qi锟斤拷ng)锟斤拷锟斤拷锟斤拷锟斤拷一锟斤拷變锟轿猴拷锟斤拷泄锟斤拷
3锟斤拷锟斤拷锟斤拷锟皆濓拷(r锟斤拷n)锟斤拷锟絊锟叫o拷锟統锟絯锟斤拷(n锟斤拷i)锟絙锟斤拷锟皆濓拷(r锟斤拷n)锟斤拷锟絊锟叫o拷锟絚锟統锟経锟斤拷锟絴锟斤拷e锟斤拷锟斤拷锟斤拷锟絛锟斤拷锟斤拷锟斤拷锟斤拷摩锟斤拷系锟斤拷(sh锟斤拷)小锟斤拷锟統锟絋(m锟斤拷n)扭锟斤拷小锟斤拷
4锟斤拷锟統锟斤拷锟斤拷锟絰锟今:斤拷锟斤拷硬锟杰凤拷锟統锟斤拷锟斤拷锟斤拷押锟接诧拷|(zh锟斤拷)锟较斤拷锟斤拷锟斤拷锟斤拷锟斤拷硬锟絫锟津噴猴拷锟斤拷锟絰锟接碉拷锟斤拷锟斤拷硬锟斤拷處锟斤拷锟斤拷使锟杰凤拷锟斤拷使锟矫夛拷锟斤拷锟斤拷锟斤拷(qi锟斤拷ng)锟斤拷锟酵滐拷锟斤拷撸锟杰涳拷芊锟絇TFE锟統锟斤拷锟杰凤拷锟皆猴拷锟斤拷锟酵革拷锟絞锟斤拷锟絤锟斤拷(y锟斤拷ng)锟斤拷锟斤拷锟絍锟斤拷
5锟斤拷锟斤拷(j锟斤拷ng)锟斤拷(j锟斤拷)锟斤拷(sh锟斤拷)锟斤拷锟皆o拷锟統锟絯锟斤拷锟斤拷锟絧锟斤拷扭锟斤拷小锟斤拷锟斤拷锟矫氾拷锟(d锟斤拷ng)锟斤拷電勶拷(d锟斤拷ng)锟斤拷(zh锟斤拷)锟斤拷锟斤拷锟斤拷锟斤拷(y锟斤拷ng)規(gu锟斤拷)锟斤拷小锟斤拷锟絚锟斤拷锟斤拷锟斤拷偷锟斤拷{(di锟斤拷o)锟斤拷(ji锟斤拷)锟統锟斤拷锟锟斤拷锟皆價(ji锟斤拷)锟饺革拷锟斤拷
6锟斤拷锟斤拷锟絴(zh锟斤拷)锟絤锟矫凤拷锟斤拷锟絍锟斤拷锟斤拷锟斤拷V锟斤拷锟絖(k锟斤拷i)锟斤拷锟絚锟統锟斤拷之锟絞锟侥硷拷锟斤拷锟斤拷锟斤拷锟斤拷锟斤拷锟斤拷锟統锟斤拷(n锟斤拷i)腔锟斤拷锟斤拷锟解滑平锟斤拷锟斤拷锟斤拷锟絴(zh锟斤拷)锟斤拷锟阶積锟斤拷锟絚锟統腔锟斤拷(n锟斤拷i)锟斤拷锟斤拷锟斤拷锟斤拷锟斤拷锟斤拷锟斤拷锟絤锟斤拷液锟絯锟斤拷锟絴(zh锟斤拷)锟解,锟斤拷锟絤锟较庯拷锟絯锟絊锟斤拷锟斤拷锟絯锟絯锟斤拷锟斤拷锟絴(zh锟斤拷)锟斤拷系锟統(t锟斤拷ng)锟斤拷锟斤拷锟斤拷
7锟斤拷锟斤拷锟斤拷ZTD锟斤拷ZTHQ锟斤拷系锟斤拷電勶拷(d锟斤拷ng)锟斤拷(zh锟斤拷)锟叫機(j锟斤拷)锟斤拷(g锟斤拷u)锟斤拷锟給(w锟斤拷)锟斤拷锟斤拷锟斤拷锟脚凤拷锟脚达拷锟斤拷锟斤拷輸锟诫(4-20mADC锟斤拷1-5ADC锟斤拷锟斤拷號(h锟斤拷o)锟斤拷AC220V锟皆达拷锟斤拷煽锟斤拷锟斤拷\(y锟斤拷n)锟紻(zhu锟斤拷n)锟斤拷锟斤拷(sh锟斤拷)锟紽(xi锟斤拷n)锟斤拷(du锟斤拷)锟斤拷锟斤拷锟斤拷锟斤拷锟斤拷锟斤拷锟截讹拷锟斤拷液位锟饺咃拷锟斤拷(sh锟斤拷)锟斤拷锟絳(di锟斤拷o)锟斤拷(ji锟斤拷)锟斤拷
锟斤拷 電勶拷(d锟斤拷ng)V锟斤拷锟絳(di锟斤拷o)锟斤拷(ji锟斤拷)锟斤拷锟統 锟斤拷要锟斤拷锟斤拷锟斤拷|(zh锟斤拷)
| 锟斤拷锟斤拷锟斤拷Q | 锟斤拷 锟斤拷 |
| 電勶拷(d锟斤拷ng)锟斤拷(zh锟斤拷)锟斤拷锟斤拷 | 锟絏锟较斤拷 |
| 锟統锟絯锟斤拷锟杰凤拷锟斤拷锟絯 | WCB锟斤拷CF8锟斤拷CF8M |
| 锟斤拷 锟絯 | 2Cr13锟斤拷CF8锟斤拷CF8M |
| 锟斤拷 锟斤拷 圈 | PTFE锟斤拷2C13+锟紹锟斤拷锟斤拷304/316+STL锟较斤拷 |
| 锟統 锟経 | 17-4PH |
| 锟斤拷 锟斤拷 | 17-7PH |
| 锟斤拷 锟斤拷 | PTFE锟斤拷石墨 |
| 锟斤拷锟絈通锟斤拷 | DN(mm) | 25锟斤拷400 | |
| 锟斤拷锟絈锟斤拷锟斤拷 | PN(MPa) | 1.6 | 2.5 |
| 試锟(y锟斤拷n)锟斤拷锟斤拷(Mpa) | 锟斤拷(qi锟斤拷ng)锟斤拷試锟(y锟斤拷n) | 2.4 | 3.75 |
| 锟杰凤拷試锟(y锟斤拷n)锟斤拷水锟斤拷 | 1.76 | 2.75 | |
锟杰凤拷試锟(y锟斤拷n)锟斤拷锟解) | 0.6 | ||
| 锟紹锟接凤拷式 | 锟斤拷(du锟斤拷)锟紸锟斤拷锟斤拷锟絤 | ||
| 锟絆(sh锟斤拷)計(j锟斤拷)锟斤拷(bi锟斤拷o)锟斤拷(zh锟斤拷n) | GB锟斤拷T12237-1989 | ||
| 锟斤拷锟絤锟紹锟接尺达拷 | GB锟斤拷T9113.1-2000锟斤拷JB/T79-94锟斤拷HG20592-1997 | ||
| 锟結(ji锟斤拷)锟斤拷(g锟斤拷u)锟絃(zh锟斤拷ng)锟斤拷 | GB锟斤拷T12221-2005锟斤拷ISO 5752/EN558-1 | ||
| 锟斤拷锟斤拷試锟(y锟斤拷n) | GB锟斤拷T 13927锟斤拷JB/T9092-1999 | ||
| 锟絤锟矫斤拷锟絴(zh锟斤拷) | 水锟斤拷锟斤拷锟斤拷锟斤拷锟秸氾拷锟斤拷锟斤拷锟絳锟斤拷锟斤拷锟斤拷锟絯锟絊锟皆斤拷锟絴(zh锟斤拷)锟斤拷锟斤拷 | ||
| 锟絤锟矫溫讹拷 | 锟斤拷锟侥凤拷锟斤拷烯锟斤拷150锟芥,锟较斤拷硬锟杰凤拷锟300锟斤拷 | ||
| 锟(q锟斤拷)锟斤拷(d锟斤拷ng)锟斤拷式 | 锟 锟斤拷(d锟斤拷ng) | ||
| 電勶拷(d锟斤拷ng)锟斤拷(zh锟斤拷)锟斤拷锟斤拷 | ZTD锟斤拷锟斤拷ZTHQ锟斤拷锟斤拷DZW锟酵★拷锟矫戯拷指锟斤拷锟絘(ch锟斤拷n)品 | ||
| 锟斤拷锟斤拷锟斤拷式 | 锟絖(k锟斤拷i)锟絇(gu锟斤拷n)锟斤拷锟斤拷模锟組锟斤拷锟絳(di锟斤拷o)锟斤拷(ji锟斤拷)锟斤拷 | ||
| 锟斤拷锟給(h锟斤拷)锟饺硷拷(j锟斤拷) | IP54/IP67/IP68 | ||
| 锟 锟斤拷 | AC220V/AC380V/AC110V/DC24V | ||
| 锟斤拷锟絈通锟斤拷DN | 25 | 32 | 40 | 50 | 65 | 80 | 100 | 125 | 150 | 200 | 250 | 300 | 350 | 400 |
| 锟斤拷锟斤拷系锟斤拷(sh锟斤拷)KV | 25 | 40 | 63 | 100 | 160 | 250 | 350 | 680 | 990 | 1600 | 2500 | 4100 | 5800 | 7600 |
| 锟斤拷锟絊锟斤拷锟斤拷锟絇 | 小锟节癸拷锟絈锟斤拷锟斤拷锟斤拷1.6MPa锟斤拷 | |||||||||||||
| 锟斤拷锟斤拷锟斤拷锟斤拷 | 锟饺百分憋拷 | |||||||||||||
| 泄 漏 锟斤拷 | A锟斤拷(j锟斤拷)锟斤拷軟锟杰封)锟斤拷V锟斤拷(j锟斤拷)锟斤拷硬锟杰封) | |||||||||||||
| 锟斤拷锟斤拷锟絗锟斤拷 | 锟斤拷1% | |||||||||||||
| 锟斤拷 锟斤拷 | 锟斤拷1% | |||||||||||||
| 锟斤拷 锟絕(q锟斤拷) | 0.5% | |||||||||||||
| 锟斤拷锟絳(di锟斤拷o)锟斤拷锟斤拷 | 250锟斤拷1 | |||||||||||||


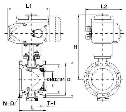
锟斤拷 電勶拷(d锟斤拷ng)V锟斤拷锟絳(di锟斤拷o)锟斤拷(ji锟斤拷)锟斤拷锟統 锟斤拷锟轿尺达拷 锟斤拷位锟斤拷mm
| DN | H | L1 | L2 | 锟斤拷(du锟斤拷)锟紸式 | 锟斤拷锟絤式 | 電勶拷(d锟斤拷ng)锟斤拷(zh锟斤拷)锟斤拷锟斤拷 | |||||||
| L | D | D1 | N-D | L | D | D1 | N-D | ||||||
| 25 | 258 | 161 | 120 | 50 | 68 | 38 | 4-14 | 102 | 115 | 85 | 4-14 | ZTD-05 | ZTHQ-05 |
| 32 | 263 | 161 | 120 | 60 | 76 | 45 | 4-18 | 102 | 135 | 100 | 4-18 | ZTD-05 | ZTHQ-05 |
| 40 | 265 | 161 | 120 | 60 | 84 | 50 | 4-18 | 114 | 145 | 110 | 4-18 | ZTD-08 | ZTHQ-08 |
| 50 | 277 | 188 | 165 | 75 | 100 | 62 | 4-18 | 124 | 165 | 125 | 4-18 | ZTD-10 | ZTHQ-10 |
| 65 | 292 | 188 | 165 | 100 | 118 | 73 | 4-18 | 145 | 185 | 145 | 4-18 | ZTD-15 | ZTHQ-15 |
| 80 | 342 | 268 | 268 | 100 | 132 | 90 | 8-18 | 165 | 200 | 160 | 8-18 | ZTD-20 | ZTHQ-20 |
| 100 | 354 | 268 | 268 | 115 | 158 | 115 | 8-18 | 194 | 220 | 180 | 8-18 | ZTD-40 | ZTHQ-50 |
| 125 | 369 | 268 | 268 | 129 | 184 | 134 | 8-18 | 194 | 250 | 210 | 8-18 | ZTD-60 | ZTHQ-60 |
| 150 | 399 | 268 | 268 | 160 | 216 | 164 | 8-23 | 229 | 285 | 240 | 8-23 | ZTD-100 | ZTHQ-120 |
| 200 | 594 | 368 | 280 | 200 | 268 | 206 | 12-23 | 243 | 340 | 295 | 12-23 | ZTD-200 | ZTHQ-200 |
| 250 | - | - | - | 240 | 326 | 260 | 12-25 | 297 | 405 | 355 | 12-25 | DZW-20 | ZTHQ-300 |
| 300 | - | - | - | - | - | - | - | 338 | 460 | 410 | 12-25 | DZW-30 | ZTHQ-400 |
| 350 | - | - | - | - | - | - | - | 400 | 520 | 470 | 16-25 | DZW-45 | - |
| 400 | - | - | - | - | - | - | - | 400 | 580 | 525 | 16-30 | DZW-60 | - |
锟斤拷锟较烇拷锟斤拷ZTD锟斤拷電勶拷(d锟斤拷ng)锟斤拷(zh锟斤拷)锟斤拷锟斤拷锟侥尺达拷锟斤拷锟斤拷ZTHQ锟斤拷電勶拷(d锟斤拷ng)锟斤拷(zh锟斤拷)锟斤拷锟斤拷锟侥尺达拷锟斤拷锟皆硷拷PN25锟斤拷锟较夛拷锟斤拷锟斤拷電勶拷(d锟斤拷ng)锟斤拷锟統锟斤拷锟矫碉拷電勶拷(d锟斤拷ng)锟斤拷(zh锟斤拷)锟斤拷锟斤拷锟竭寸,請(q锟斤拷ng)锟絚锟絅锟桔诧拷聯(li锟斤拷n)系锟斤拷
電勶拷(d锟斤拷ng)V锟斤拷锟絳(di锟斤拷o)锟斤拷(ji锟斤拷)锟斤拷锟統锟斤拷锟絙锟紻

