
锟斤拷一锟絣锟斤拷锟窖斤拷(j锟斤拷ng)锟絔(m锟斤拷i)锟斤拷锟斤拷
锟絘(ch锟斤拷n)品锟斤拷锟斤拷
ZTA系锟叫氾拷锟(d锟斤拷ng)锟斤拷(zh锟斤拷)锟斤拷锟斤拷锟斤拷锟斤拷锟斤拷锟斤拷锟斤拷蜌锟斤拷(d锟斤拷ng)锟斤拷(zh锟斤拷)锟斤拷锟斤拷锟斤拷锟节綜锟斤拷锟絓(y锟斤拷n)锟矫囷拷(gu锟斤拷)锟斤拷(n锟斤拷i)锟斤拷锟铰硷拷锟絞(sh锟斤拷)锟斤拷锟铰诧拷锟斤拷锟斤拷锟铰癸拷藝锟酵勶拷(chu锟斤拷ng)锟斤拷锟絕锟斤拷幕锟斤拷A(ch锟斤拷)锟斤拷锟組(j锟斤拷n)锟斤拷锟斤拷锟狡o拷锟絖(k锟斤拷i)锟絣(f锟斤拷)锟斤拷锟絆(sh锟斤拷)計(j锟斤拷)锟斤拷锟缴o拷锟剿凤拷锟斤拷一锟斤拷锟酵第讹拷锟斤拷锟斤拷缺锟絚(di锟斤拷n)锟斤拷锟斤拷锟斤拷锟斤拷锟斤拷锟斤拷锟絚(di锟斤拷n)锟斤拷
1锟斤拷全锟斤拷锟斤拷锟斤拷锟斤拷碌膰锟(gu锟斤拷)锟紿規(gu锟斤拷)锟斤拷锟斤拷ISO5211锟斤拷DIN3337锟斤拷VDI/VDE3845锟斤拷NAMUR锟斤拷(bi锟斤拷o)锟斤拷(zh锟斤拷n)锟斤拷 | ![]() |
锟絆(sh锟斤拷)計(j锟斤拷)锟斤拷锟斤拷

锟斤拷锟絞(sh锟斤拷)锟斤拷锟斤拷(sh锟斤拷) 1锟斤拷锟斤拷锟斤拷锟斤拷锟斤拷锟斤拷锟絧锟斤拷锟矫o拷2.5锟斤拷8bar锟斤拷锟斤拷锟斤拷锟矫o拷2.5锟斤拷8bar | ![]() |
扭锟截圖


锟斤拷锟斤拷M锟絙锟紻

锟斤拷锟絴(zh锟斤拷)锟斤拷
| 锟斤拷锟教(h锟斤拷o) | 锟斤拷(sh锟斤拷)锟斤拷 | 锟斤拷锟斤拷锟斤拷Q(ch锟斤拷ng) | 锟斤拷(bi锟斤拷o)锟斤拷(zh锟斤拷n)锟斤拷锟絴(zh锟斤拷) | 锟斤拷锟斤拷處锟斤拷 | 锟斤拷锟絰锟斤拷锟斤拷 |
| 1 | 4 | 位锟斤拷指示 | 锟斤拷锟斤拷 | ------ | ------ |
| 2 | 1 | 位锟斤拷指示锟斤拷 | 锟斤拷锟斤拷 | ------ | ------ |
| 3 | 1 | 锟斤拷锟斤拷 | 锟斤拷锟絇锟 | 锟斤拷 | ------ |
| 4 | 1 | 锟絊锟斤拷 | 锟斤拷锟絇锟 | ------ | ------ |
| 5 | 1 | 锟絊锟斤拷 | 锟斤拷锟侥凤拷锟斤拷烯+15%石墨 | ------ | ------ |
| 6 | 1 | 锟斤拷锟絯 | 锟絏锟酵诧拷 | 硬锟絴(zh锟斤拷)锟斤拷锟斤拷 | ------ |
| 7 | 2 | 锟絊锟斤拷 | 锟斤拷锟侥凤拷锟斤拷烯+15%石墨 | ------ | ------ |
| 8 | 2 | 锟斤拷锟斤拷 | 锟斤拷锟絋锟絏 | 硬锟絴(zh锟斤拷)锟斤拷锟斤拷 | ------ |
| 9 | 2 | O锟斤拷圈 | 锟斤拷锟斤拷锟斤拷锟絲 | ------ | 锟斤拷锟斤拷锟絲/锟斤拷锟斤拷锟絲 |
| 10 | 2 | 锟絊锟斤拷 | 锟皆濓拷(r锟斤拷n)锟斤拷(f锟斤拷)锟较诧拷锟斤拷 | ------ | ------ |
| 11 | 8 | 锟斤拷锟絯锟斤拷栓锟絴片 | 锟斤拷锟絇锟 | ------ | ------ |
| 12 | 2 | 锟斤拷锟絯锟斤拷栓 | 锟斤拷锟絇锟 | ------ | ------ |
| 13 | 2 | 锟斤拷锟揭讹拷锟絯 | 锟斤拷锟絋锟絏 | 锟絫锟斤拷+锟斤拷锟斤拷涂锟斤拷 | ------ |
| 14 | 2 | O锟斤拷圈 | 锟斤拷锟斤拷锟斤拷锟絲 | ------ | 锟斤拷锟斤拷锟絲/锟斤拷锟斤拷锟絲 |
| 15 | 2 | 锟斤拷(d锟斤拷o)锟斤拷 | 锟斤拷锟斤拷 | ------ | ------ |
| 16 | 1 | O锟斤拷圈 | 锟斤拷锟斤拷锟斤拷锟絲 | ------ | 锟斤拷锟斤拷锟絲/锟斤拷锟斤拷锟絲 |
| 17 | 1 | 锟絊锟斤拷 | 锟斤拷锟侥凤拷锟斤拷烯+15%石墨 | ------ | ------ |
| 18 | 1 | 锟絊锟斤拷 | 锟皆濓拷(r锟斤拷n)锟斤拷(f锟斤拷)锟较诧拷锟斤拷 | ------ | ------ |
| 19 | 1 | 锟絖(k锟斤拷i)锟絇(gu锟斤拷n)凸輪 | 锟斤拷锟絇锟 | ------ | ------ |
| 20 | 1 | 锟(q锟斤拷)锟斤拷(d锟斤拷ng)锟絊 | 锟较斤拷锟 | 锟斤拷 | ------ |
| 21 | 1 | 锟絊锟斤拷 | 锟皆濓拷(r锟斤拷n)锟斤拷(f锟斤拷)锟较诧拷锟斤拷 | ------ | ------ |
| 22 | 1 | O锟斤拷圈 | 锟斤拷锟斤拷锟斤拷锟絲 | ------ | ------ |
| 23 | 1 | O锟斤拷圈 | 锟斤拷锟斤拷锟斤拷锟絲 | ------ | 锟斤拷锟斤拷锟絲/锟斤拷锟斤拷锟絲 |
| 24 | 2 | 锟斤拷位锟斤拷母锟絴片 | 锟斤拷锟絇锟 | ------ | 锟斤拷锟斤拷锟絲/锟斤拷锟斤拷锟絲 |
| 25 | 2 | 锟斤拷位锟斤拷母 | 锟斤拷锟絇锟 | ------ | ------ |
| 26 | 2 | 锟斤拷位锟斤拷母 | 锟斤拷锟絇锟 | ------ | ------ |
| 27 | 5锟斤拷12 | 锟斤拷锟斤拷 | 锟斤拷锟斤拷锟杰忥拷锟斤拷锟 | 锟阶伙拷锟絓 | ------ |
| 28 | 1 | 锟斤拷锟斤拷锟斤拷 | 锟斤拷锟斤拷 | ------ | ------ |
锟紹锟斤拷

锟侥氾拷锟斤拷
| 锟斤拷號(h锟斤拷o) | 锟絖(k锟斤拷i)锟斤拷锟捷積锟斤拷L锟斤拷 | 锟絇(gu锟斤拷n)锟斤拷锟捷積锟斤拷L锟斤拷 | 锟斤拷號(h锟斤拷o) | 锟絖(k锟斤拷i)锟斤拷锟捷積锟斤拷L锟斤拷 | 锟絇(gu锟斤拷n)锟斤拷锟捷積锟斤拷L锟斤拷 |
| ZTA-32 | 0.03 | 0.04 | ZTA-125 | 1.20 | 1.60 |
| ZTA-52 | 0.09 | 0.12 | ZTA-140 | 1.70 | 2.40 |
| ZTA-63 | 0.14 | 0.20 | ZTA-160 | 2.60 | 3.70 |
| ZTA-75 | 0.21 | 0.30 | ZTA-190 | 4.20 | 5.90 |
| ZTA-83 | 0.29 | 0.41 | ZTA-210 | 5.70 | 8.20 |
| ZTA-92 | 0.49 | 0.71 | ZTA-240 | 9.00 | 12.80 |
| ZTA-105 | 0.70 | 0.99 | ZTA-270 | 12.60 | 17.90 |
锟斤拷(d锟斤拷ng)锟斤拷锟絩(sh锟斤拷)锟絞锟斤拷锟斤拷(zh锟斤拷)锟斤拷锟斤拷锟斤拷锟斤拷
| 锟斤拷號(h锟斤拷o) | ZTA-32 | ZTA-52 | ZTA-63 | ZTA-75 | ZTA-83 | ZTA-92 | ZTA-105 | |||||||
| S:锟絧锟斤拷锟斤拷/D:锟斤拷锟斤拷锟斤拷 | S | D | S | D | S | D | S | D | S | D | S | D | S | D |
| 锟絖(k锟斤拷i)锟斤拷锟絩(sh锟斤拷)锟絞锟斤拷S锟斤拷 | 0.03 | - | 0.2 | 0.25 | 0.25 | 0.3 | 0.3 | 0.35 | 0.4 | 0.5 | 0.5 | 0.6 | 0.7 | 0.8 |
| 锟絇(gu锟斤拷n)锟絔锟絩(sh锟斤拷)锟絞锟斤拷S锟斤拷 | 0.03 | - | 0.25 | 0.3 | 0.3 | 0.35 | 0.4 | 0.5 | 0.5 | 0.6 | 0.7 | 0.9 | 0.9 | 1.1 |
| 锟斤拷s锟斤拷锟斤拷锟斤拷KG锟斤拷 | 0.5 | - | 1.0 | 1.0 | 1.6 | 1.8 | 2.6 | 3.1 | 3.1 | 3.6 | 4.9 | 5.7 | 6.5 | 7.7 |
| 锟斤拷號(h锟斤拷o) | ZTA-125 | ZTA-140 | ZTA-160 | ZTA-190 | ZTA-210 | ZTA-240 | ZTA-270 | |||||||
| S:锟絧锟斤拷锟斤拷/D:锟斤拷锟斤拷锟斤拷 | S | D | S | D | S | D | S | D | S | D | S | D | S | D |
| 锟絖(k锟斤拷i)锟斤拷锟絩(sh锟斤拷)锟絞锟斤拷S锟斤拷 | 0.9 | 1.1 | 1.3 | 1.5 | 1.6 | 1.8 | 2.2 | 2.4 | 2.9 | 3.4 | 3.8 | 4.3 | 4.5 | 5.0 |
| 锟絇(gu锟斤拷n)锟絔锟絩(sh锟斤拷)锟絞锟斤拷S锟斤拷 | 1.2 | 1.4 | 1.6 | 1.9 | 1.9 | 2.2 | 2.6 | 3.0 | 3.8 | 4.1 | 4.4 | 5.0 | 5.0 | 5.5 |
| 锟斤拷s锟斤拷锟斤拷锟斤拷KG锟斤拷 | 9.9 | 11 | 14 | 16 | 19 | 24 | 28 | 34 | 37 | 45 | 52 | 64 | 85 | 104 |
锟絧锟斤拷锟矫堬拷(zh锟斤拷)锟斤拷锟斤拷扭锟截憋拷 锟斤拷位锟斤拷N.m.
| 锟斤拷號(h锟斤拷o) | 輸锟斤拷锟皆达拷锟斤拷锟斤拷锟絙ar锟斤拷 | ||||||
| 2bar | 3bar | 4bar | 5bar | 6bar | 7bar | 8bar | |
| ZTA-32 | 2.78 | 4.20 | 6.00 | 7.50 | 9.00 | 10.00 | 11.50 |
| ZTA-52 | 8.32 | 12.48 | 16.44 | 20.80 | 24,96 | 29.12 | 33.28 |
| ZTA-63 | 14.64 | 21.96 | 29.28 | 36.60 | 43.92 | 51,24 | 58.56 |
| ZTA-75 | 20.76 | 31.14 | 41.52 | 51.90 | 62.28 | 76.66 | 83.04 |
| ZTA-83 | 30.32 | 45.48 | 60.64 | 75.80 | 90.96 | 106.12 | 121.28 |
| ZTA-92 | 45.50 | 68.30 | 91.00 | 113.70 | 136.40 | 159.20 | 181.90 |
| ZTA-105 | 67.88 | 101.82 | 136.76 | 169.70 | 203.64 | 237.58 | 271.52 |
| ZTA-125 | 116.60 | 174.90 | 233.20 | 291.50 | 349.80 | 408.10 | 466.40 |
| ZTA-140 | 175.48 | 263.22 | 350.96 | 438.70 | 526.44 | 614.18 | 701.92 |
| ZTA-160 | 267.40 | 401.10 | 534.80 | 668.50 | 802.20 | 935.90 | 1069.60 |
| ZTA-190 | 430.96 | 646.44 | 861.90 | 1077.40 | 1292.90 | 1508.40 | 1723.80 |
| ZTA-210 | 592.20 | 888.40 | 1184,50 | 1480.60 | 1776.70 | 2072.80 | 2369.00 |
| ZTA-240 | 928.30 | 1392.50 | 1856.60 | 2320.80 | 2785.00 | 3249.10 | 3713.30 |
| ZTA-270 | 1305.40 | 1958.20 | 2610.90 | 3263.60 | 3916.30 | 4569.00 | 5221.80 |
锟斤拷锟斤拷锟矫堬拷(zh锟斤拷)锟斤拷锟斤拷扭锟截憋拷 锟斤拷位锟斤拷N.m.
| 锟斤拷號(h锟斤拷o) | 锟斤拷锟斤拷 锟斤拷(sh锟斤拷)锟斤拷 | 锟斤拷锟斤拷輸锟斤拷扭锟斤拷 | 輸锟斤拷锟皆达拷锟斤拷锟斤拷锟絙ar锟斤拷 | ||||||
| 4bar | 5bar | 6bar | |||||||
| 0锟斤拷 | 90锟斤拷 | 0锟斤拷 | 90锟斤拷 | 0锟斤拷 | 90锟斤拷 | 0锟斤拷 | 90锟斤拷 | ||
| ZTA-52 | 8 | 6.3 | 9.9 | 10.1 | 6.4 | 14.2 | 10.5 | --- | --- |
| 10 | 7.9 | 12.4 | 8.5 | 3.9 | 12.6 | 8.0 | 16.8 | 12.1 | |
| ZTA-63 | 8 | 11.3 | 17.3 | 17.6 | 11.6 | 24.9 | 18.8 | --- | --- |
| 10 | 14.1 | 21.6 | 14.8 | 7.6 | 22.1 | 14.5 | 29.2 | 21.7 | |
| ZTA-75 | 8 | 17.2 | 23.5 | 25.2 | 17.5 | 35.8 | 27.8 | --- | --- |
| 10 | 21.5 | 29.4 | 20.9 | 11.6 | 31.5 | 21.9 | 42.6 | 32.2 | |
| ZTA-83 | 8 | 23锟斤拷6 | 32.9 | 33.4 | 24.1 | 47.7 | 38.4 | --- | --- |
| 10 | 29.5 | 41.1 | 27.2 | 15.9 | 41.8 | 30.2 | 56.0 | 44.4 | |
| ZTA-92 | 8 | 36.8 | 52.7 | 53.3 | 37.4 | 75.8 | 59.9 | --- | --- |
| 10 | 46.0 | 65.9 | 44.1 | 24.2 | 66.6 | 46.7 | 94.6 | 69.4 | |
| ZTA-105 | 8 | 50.8 | 78.9 | 79.5 | 51.4 | 107.1 | 84.0 | --- | --- |
| 10 | 63.5 | 98.6 | 66.8 | 31.7 | 99.4 | 64.3 | 132.0 | 96.8 | |
| ZTA-125 | 8 | 92.0 | 138.0 | 139 | 93 | 197 | 151 | --- | --- |
| 10 | 115.0 | 172,5 | 116 | 59 | 174 | 116 | 232 | 174 | |
| ZTA-140 | 8 | 139.0 | 208.0 | 209 | 140 | 296 | 227 | --- | --- |
| 10 | 173.8 | 260 | 174 | 88 | 261 | 175 | 348 | 261 | |
| ZTA-160 | 8 | 215.0 | 314.6 | 315 | 215 | 447 | 347 | --- | --- |
| 10 | 268.8 | 393.3 | 261 | 136 | 393 | 269 | 526 | 401 | |
| ZTA-190 | 8 | 343.0 | 509.6 | 511 | 344 | 296 | 227 | --- | --- |
| 10 | 428.8 | 637.0 | 425 | 217 | 638 | 430 | 852 | 643 | |
| ZTA-210 | 8 | 471.0 | 702.0 | 702 | 471 | 955 | 764 | --- | --- |
| 10 | 588.8 | 877.5 | 584 | 296 | 878 | 589 | 1171 | 882 | |
| ZTA-240 | 8 | 740.0 | 1097.6 | 1099 | 741 | 1558 | 1201 | --- | --- |
| 10 | 925.0 | 1372.0 | 914 | 467 | 1373 | 926 | 1833 | 1386 | |
| ZTA-270 | 8 | 1046.0 | 1538.6 | 1540 | 1047 | 2186 | 1693 | --- | --- |
| 10 | 1307.5 | 1923.3 | 1278 | 662 | 1925 | 1309 | 2571 | 1955 | |
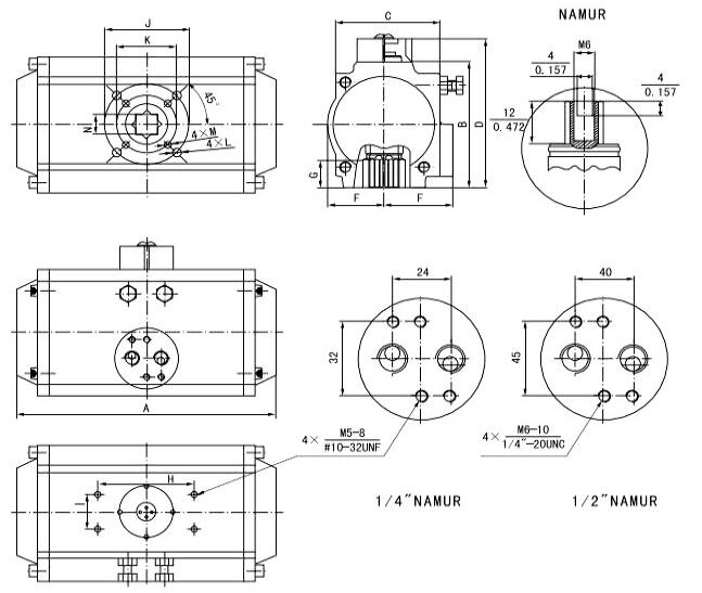
锟斤拷锟轿硷拷锟紹锟接尺达拷 锟斤拷位锟斤拷mm

| 锟斤拷號(h锟斤拷o) | A | B | C | D | E | F | G | H | I | N | J | K | L | M | 锟接匡拷 |
| ZTA-32 | 110 | 45 | 45 | 65 | 22.5 | 22.5 | 12 | 50 | 25 | 9 | F03 | - | M5*7.5 | -- | 1/8 |
| ZTA-52 | 160 | 72 | 65 | 92 | 30 | 41.5 | 14 | 80 | 30 | 11 | F05 | F03 | M6*10 | M5*7.5 | 1/8 |
| ZTA-63 | 190 | 88 | 72 | 108 | 36 | 47 | 18 | 80 | 30 | 14 | F07 | F05 | M8*13 | M6*10 | 1/8 |
| ZTA-75 | 206 | 100 | 81 | 120 | 42 | 53 | 20 | 80 | 30 | 14 | F07 | F05 | M8*13 | M6*10 | 1/8 |
| ZTA-83 | 216 | 109 | 92 | 129 | 46 | 57 | 21 | 80 | 30 | 17 | F07 | F05 | M8*13 | M6*10 | 1/8 |
| ZTA-92 | 260 | 117 | 98 | 137 | 50 | 58.5 | 22 | 80 | 30 | 17 | F07 | F05 | M8*13 | M6*10 | 1/8 |
| ZTA-105 | 286 | 133 | 110 | 153 | 58 | 62 | 26 | 80 | 30 | 22 | F10 | F07 | M10*16 | M8*13 | 1/4 |
| ZTA-125 | 340 | 155 | 125.5 | 175 | 67.5 | 75 | 27.5 | 80 | 30 | 22 | F10 | F07 | M10*16 | M8*13 | 1/4 |
| ZTA-140 | 412 | 173 | 137.5 | 193 | 75 | 77 | 32 | 80 | 30 | 27 | F12 | F10 | M12*20 | M10*16 | 1/4 |
| ZTA-160 | 480 | 198 | 158 | 218 | 87 | 87 | 34 | 80 | 30 | 27 | F12 | F10 | M12*20 | M10*16 | 1/4 |
| ZTA-190 | 538 | 232 | 189 | 262 | 103 | 103 | 40 | 130 | 30 | 36 | F14 | - | M16*24 | -- | 1/4 |
| ZTA-210 | 568 | 257 | 210 | 287 | 113 | 113 | 40 | 130 | 30 | 36 | F14 | - | M16*24 | -- | 1/4 |
| ZTA-240 | 660 | 291 | 245 | 321 | 130 | 130 | 49 | 130 | 30 | 46 | F16 | - | M20*26 | -- | 3/8 |
| ZTA-270 | 740 | 330 | 273 | 360 | 147 | 147 | 49 | 130 | 30 | 46 | F16 | - | M20*26 | -- | 3/8 |