
锟斤拷一锟絣锟斤拷ZTA锟斤拷锟(d锟斤拷ng)锟斤拷(zh锟斤拷)锟斤拷锟斤拷
AW/AWS锟斤拷锟(d锟斤拷ng)锟斤拷(zh锟斤拷)锟斤拷锟斤拷锟斤拷锟斤拷要锟斤拷锟絚(di锟斤拷n) 1锟斤拷AW锟斤拷锟(d锟斤拷ng)锟斤拷(zh锟斤拷)锟斤拷锟斤拷锟街烇拷锟絧锟斤拷锟斤拷式锟酵嗭拷锟斤拷锟斤拷式锟斤拷锟斤拷锟缴忥拷(f锟斤拷)位锟斤拷锟斤拷锟缴傦拷(g锟斤拷)锟斤拷锟絯锟斤拷锟锟斤拷锟斤拷锟斤拷锟斤拷锟斤拷锟竭达拷锟斤拷w锟斤拷锟組锟斤拷锟斤拷N锟斤拷趶锟斤拷锟斤拷谐锟斤拷(l锟斤拷i)锟統锟絋(m锟斤拷n)锟斤拷要锟斤拷 2锟斤拷輸锟斤拷扭锟截达拷锟斤拷锟斤拷(d锟斤拷ng)锟斤拷锟絗锟斤拷平锟斤拷(w锟斤拷n)锟斤拷锟斤拷锟絯锟斤拷(n锟斤拷i)锟节和伙拷锟斤拷锟絊锟接诧拷t锟斤拷锟叫很好的匡拷磨锟斤拷锟斤拷锟斤拷锟叫伙拷锟斤拷(d锟斤拷ng)锟斤拷锟斤拷之锟絞锟斤拷锟叫無(w锟斤拷)锟酵濓拷(r锟斤拷n)锟斤拷锟絊锟酵岋拷(d锟斤拷o)锟斤拷h(hu锟斤拷n)锟皆斤拷锟斤拷摩锟斤拷系锟斤拷(sh锟斤拷)锟斤拷锟斤拷锟絃(zh锟斤拷ng)使锟矫夛拷锟斤拷锟斤拷AW锟斤拷锟(d锟斤拷ng)锟斤拷(zh锟斤拷)锟斤拷锟斤拷锟斤拷U锟斤拷锟斤拷锟斤拷锟斤拷锟斤拷輸锟斤拷扭锟截革拷锟絤锟斤拷锟斤拷锟节达拷趶锟斤拷锟斤拷y锟酵碉拷锟統锟饺斤拷锟叫筹拷锟統锟絋(m锟斤拷n)锟斤拷 | ![]() |

AW/AWS锟斤拷锟(d锟斤拷ng)锟斤拷(zh锟斤拷)锟斤拷锟斤拷锟斤拷锟斤拷要锟斤拷锟絚(di锟斤拷n)
1锟斤拷AW锟斤拷锟(d锟斤拷ng)锟斤拷(zh锟斤拷)锟斤拷锟斤拷锟街烇拷锟絧锟斤拷锟斤拷式锟酵嗭拷锟斤拷锟斤拷式锟斤拷锟斤拷锟缴忥拷(f锟斤拷)位锟斤拷锟斤拷锟缴傦拷(g锟斤拷)锟斤拷锟絯锟斤拷锟锟斤拷锟斤拷锟斤拷锟斤拷锟斤拷锟竭达拷锟斤拷w锟斤拷锟組锟斤拷锟斤拷N锟斤拷趶锟斤拷锟斤拷谐锟斤拷(l锟斤拷i)锟統锟絋(m锟斤拷n)锟斤拷要锟斤拷锟斤拷
2锟斤拷輸锟斤拷扭锟截达拷锟斤拷锟斤拷(d锟斤拷ng)锟斤拷锟絗锟斤拷平锟斤拷(w锟斤拷n)锟斤拷锟斤拷锟絯锟斤拷(n锟斤拷i)锟节和伙拷锟斤拷锟絊锟接诧拷t锟斤拷锟叫很好的匡拷磨锟斤拷锟斤拷锟斤拷锟叫伙拷锟斤拷(d锟斤拷ng)锟斤拷锟斤拷之锟絞锟斤拷锟叫無(w锟斤拷)锟酵濓拷(r锟斤拷n)锟斤拷锟絊锟酵岋拷(d锟斤拷o)锟斤拷h(hu锟斤拷n)锟皆斤拷锟斤拷摩锟斤拷系锟斤拷(sh锟斤拷)锟斤拷锟斤拷锟絃(zh锟斤拷ng)使锟矫夛拷锟斤拷锟斤拷AW锟斤拷锟(d锟斤拷ng)锟斤拷(zh锟斤拷)锟斤拷锟斤拷锟斤拷U锟斤拷锟斤拷锟斤拷锟斤拷锟斤拷輸锟斤拷扭锟截革拷锟絤锟斤拷锟斤拷锟节达拷趶锟斤拷锟斤拷y锟酵碉拷锟統锟饺斤拷锟叫筹拷锟統锟絋(m锟斤拷n)锟斤拷
锟斤拷要锟斤拷锟斤拷(sh锟斤拷)
| 锟斤拷锟斤拷锟絆(sh锟斤拷)計(j锟斤拷) | 锟斤拷锟(d锟斤拷ng)锟絧锟斤拷锟斤拷p锟斤拷锟斤拷锟杰诧拷式锟斤拷锟斤拷(d锟斤拷ng)锟紺(j锟斤拷)锟斤拷(g锟斤拷u) |
| 锟斤拷锟紻(zhu锟斤拷n)锟角讹拷 | 锟絧锟斤拷锟斤拷90锟姐(锟斤拷5锟斤拷锟斤拷{(di锟斤拷o)锟斤拷(ji锟斤拷)锟斤拷/ 锟斤拷锟斤拷锟斤拷90锟姐(锟斤拷5锟斤拷锟斤拷{(di锟斤拷o)锟斤拷(ji锟斤拷)锟斤拷 |
| 锟斤拷锟斤拷锟絟(hu锟斤拷n)锟斤拷锟截讹拷 | -20锟斤拷+90锟斤拷 |
| 锟斤拷源锟斤拷锟斤拷 | 锟絧锟斤拷锟矫o拷0.3锟斤拷0.8Mpa/ 锟斤拷锟斤拷锟矫o拷0.4锟斤拷0.8Mpa |
锟斤拷要锟姐部锟斤拷
| 锟斤拷號(h锟斤拷o) | 锟斤拷锟絈(ch锟斤拷ng) | 锟斤拷(sh锟斤拷)锟斤拷 | 锟斤拷號(h锟斤拷o) | 锟斤拷锟絈(ch锟斤拷ng) | 锟斤拷(sh锟斤拷)锟斤拷 | 锟斤拷號(h锟斤拷o) | 锟斤拷锟絈(ch锟斤拷ng) | 锟斤拷(sh锟斤拷)锟斤拷 | 锟斤拷號(h锟斤拷o) | 锟斤拷锟絈(ch锟斤拷ng) | 锟斤拷(sh锟斤拷)锟斤拷 |
| 1 | 锟斤拷锟絯 | 1 | 11 | 锟絅(xi锟斤拷o)锟絊 | 1 | 21 | 锟斤拷锟皆擄拷圈 | 1 | 31 | 锟絠锟給锟斤拷母 | 2 |
| 2 | 锟杰诧拷 | 1 | 12 | 锟絃锟斤拷 | 2 | 22 | 锟絧磨锟絴圈 | 1 | 32 | 平锟絴圈 | 2 |
| 3 | 锟紻(zhu锟斤拷n)锟絊 | 1 | 13 | 锟斤拷锟皆擄拷圈 | 2 | 23 | O锟斤拷圈 | 1 | 33 | O锟斤拷圈 | 2 |
| 4 | 锟斤拷锟斤拷 | 2 | 14 | 锟給(w锟斤拷)锟斤拷锟絊锟斤拷 | 2 | 24 | O锟斤拷圈 | 1 | 34 | 锟絳(di锟斤拷o)锟斤拷(ji锟斤拷)锟斤拷锟 | 1 |
| 5 | 锟斤拷锟斤拷 | 2 | 15 | O锟斤拷圈 | 2 | 25 | 锟絧磨锟絴圈 | 1 | 35 | 锟斤拷 母 | 8 |
| 6 | 锟斤拷锟絯 | 2 | 16 | 锟斤拷(d锟斤拷o)锟斤拷h(hu锟斤拷n) | 2 | 26 | 锟斤拷锟皆擄拷圈 | 1 | 36 | 锟斤拷锟皆墊圈 | 8 |
| 7 | 锟斤拷锟絯 | 2 | 17 | O锟斤拷圈 | 2 | 27 | 平锟絀 | 1 | 37 | 平锟絴圈 | 8 |
| 8 | 锟斤拷锟斤拷锟経 | 1 | 18 | O锟斤拷圈 | 2 | 28 | O锟斤拷圈 | 2 | 38 | 锟絧锟絕锟斤拷栓 | 8 |
| 9 | 锟斤拷锟斤拷 | 1-4 | 19 | O锟斤拷圈 | 2 | 29 | 锟斤拷位锟絅(xi锟斤拷o) | 2 | 39 | ||
| 10 | 锟斤拷锟缴革拷 | 1 | 20 | 锟絠锟給锟斤拷母 | 2 | 30 | 锟給锟斤拷锟斤拷锟 | 1 | 40 |

锟斤拷锟(d锟斤拷ng)锟斤拷(zh锟斤拷)锟斤拷锟斤拷锟斤拷锟皆拷锟紻


AW锟絧锟斤拷锟矫氾拷锟(d锟斤拷ng)锟斤拷(zh锟斤拷)锟斤拷锟斤拷輸锟斤拷扭锟截憋拷 锟斤拷位锟斤拷NM
| 锟斤拷號(h锟斤拷o)規(gu锟斤拷)锟斤拷 | 锟斤拷源锟斤拷锟斤拷锟斤拷MPa锟斤拷 | ||||
| 0.3 | 0.4 | 0.5 | 0.6 | 0.7 | |
| AW14 | 437 | 583 | 729 | 875 | 1021 |
| AW18 | 875 | 1167 | 1458 | 1750 | 2042 |
| AW20 | 1767 | 2356 | 2945 | 3534 | 4123 |
| AW25 | 3191 | 4255 | 5319 | 6383 | 7447 |
| AW28 | 4502 | 6003 | 7504 | 9005 | 10506 |
| AW35 | 8360 | 11147 | 13933 | 16720 | 19507 |
| AW40 | 11011 | 14681 | 18351 | 22022 | 25692 |
| AW50 | 20790 | 27720 | 34650 | 41580 | 48510 |
AWS锟絧锟斤拷锟矫氾拷锟(d锟斤拷ng)锟斤拷(zh锟斤拷)锟斤拷锟斤拷輸锟斤拷扭锟截憋拷 锟斤拷位锟斤拷NM
| 锟斤拷 號(h锟斤拷o) 規(gu锟斤拷) 锟斤拷 | 锟斤拷源锟斤拷锟斤拷锟斤拷MPa锟斤拷 | |||||||
| 锟斤拷锟斤拷扭锟斤拷 | 0.4 | 0.5 | 0.6 | |||||
| 锟斤拷小 | 锟斤拷锟 | 锟斤拷小 | 锟斤拷锟 | 锟斤拷小 | 锟斤拷锟 | 锟斤拷小 | 锟斤拷锟 | |
| AW14S | 349 | 582 | 185 | 340 | 340 | 545 | 490 | 700 |
| AW18S | 709 | 1182 | 600 | 930 | 930 | 1290 | 1230 | 1573 |
| AW20S | 1607 | 2476 | 880 | 1670 | 1600 | 2390 | 2320 | 3110 |
| AW25S | 2489 | 4337 | 1970 | 2880 | 2090 | 4000 | 4210 | 5120 |
| AW28S | 2698 | 5747 | 1250 | 3960 | 2970 | 5685 | 4680 | 7400 |
| AW35S | 5314 | 10457 | 2760 | 7970 | 5900 | 11340 | 9510 | 14720 |
| AW40S | 7091 | 12478 | 4480 | 8860 | 6130 | 13260 | 10300 | 17670 |
| AW50S | 14188 | 25463 | 6370 | 20750 | 14840 | 29220 | 23310 | 37700 |
锟斤拷(zh锟斤拷)锟斤拷锟斤拷锟絖(k锟斤拷i)锟絇(gu锟斤拷n)锟絩(sh锟斤拷)锟絞锟斤拷 锟斤拷位锟斤拷S
锟斤拷源锟杰忥拷mm | 8 | 10 | 10 | 12 | 12 | 12 | 12 | 20 |
| 锟斤拷锟斤拷锟教(h锟斤拷o) | AW14 | AW18 | AW20 | AW25 | AW28 | AW35 | AW40 | AW50 |
| 锟絖(k锟斤拷i)/锟絇(gu锟斤拷n)锟絩(sh锟斤拷)锟絞 | 2 | 3 | 5 | 8 | 12 | 20 | 30 | 45 |
| 锟斤拷锟斤拷锟教(h锟斤拷o) | AW14S | AW18S | AW20S | AW25S | AW28S | AW35S | AW40S | AW50S |
| 锟斤拷锟(d锟斤拷ng)锟絩(sh锟斤拷)锟絞 | 3 | 4 | 11 | 12 | 18 | 38 | 45 | 62 |
| 锟斤拷锟缴忥拷(f锟斤拷)位锟絩(sh锟斤拷)锟絞 | 2 | 3 | 6 | 7 | 12 | 18 | 28 | 40 |
锟斤拷注锟斤拷锟斤拷锟较烇拷囟锟20锟芥、锟斤拷源锟斤拷锟斤拷锟斤拷0.5MPa锟絩(sh锟斤拷)锟斤拷锟斤拷锟截(f锟斤拷)锟絛锟絩(sh锟斤拷)锟統(c锟斤拷)試锟斤拷(sh锟斤拷)锟斤拷(j锟斤拷)锟斤拷锟紿锟斤拷锟斤拷锟斤拷锟斤拷
锟斤拷锟斤拷莘e锟斤拷锟侥氾拷锟斤拷 锟斤拷位锟斤拷L
锟斤拷锟斤拷锟教(h锟斤拷o) | AW14 | AW18 | AW20 | AW25 | AW28 | AW35 | AW40 | AW50 |
| 锟斤拷锟斤拷莘eA+B | 6 | 12 | 25 | 44 | 62 | 114 | 149 | 280 |
| 锟斤拷锟斤拷锟教(h锟斤拷o) | AW14S | AW18S | AW20S | AW25S | AW28S | AW35S | AW40S | AW50S |
| 锟斤拷锟斤拷莘eB | 3 | 6 | 12 | 22 | 31 | 57 | 75 | 140 |
锟斤拷锟(d锟斤拷ng)锟斤拷(zh锟斤拷)锟斤拷锟斤拷锟斤拷锟斤拷 锟斤拷位锟斤拷Kg
锟斤拷锟斤拷锟教(h锟斤拷o) | AW14 | AW18 | AW20 | AW25 | AW28 | AW35 | AW40 | AW50 |
| 锟斤拷锟斤拷锟斤拷锟 | 48 | 87 | 152 | 237 | 341 | 587 | 647 | 1318 |
| 锟斤拷锟斤拷锟教(h锟斤拷o) | AW14S | AW18S | AW20S | AW25S | AW28S | AW35S | AW40S | AW50S |
| 锟斤拷锟斤拷锟斤拷锟 | 62 | 116 | 202 | 329 | 440 | 737 | 812 | 1667 |
锟斤拷锟(d锟斤拷ng)锟斤拷(zh锟斤拷)锟斤拷锟斤拷锟斤拷锟阶革拷锟斤拷锟侥癸拷锟杰猴拷锟斤拷途
锟絧锟斤拷锟斤拷式锟斤拷锟斤拷(du锟斤拷)锟統锟絋(m锟斤拷n)锟斤拷锟絖(k锟斤拷i)锟斤拷锟斤拷锟絇(gu锟斤拷n)锟絔锟侥冿拷位式锟斤拷锟斤拷锟斤拷
锟斤拷锟斤拷锟斤拷式锟斤拷锟斤拷锟缴忥拷(f锟斤拷)位锟斤拷锟斤拷锟斤拷锟斤拷锟教(h锟斤拷o)锟斤拷锟皆达拷l(f锟斤拷)锟斤拷锟斤拷锟较時(sh锟斤拷)锟斤拷锟斤拷锟斤拷锟矫忥拷锟斤拷锟津壓縮锟斤拷锟絜锟斤拷锟斤拷锟斤拷锟斤拷锟(du锟斤拷)锟統锟絋(m锟斤拷n)锟斤拷(sh锟斤拷)锟紽(xi锟斤拷n)锟絖(k锟斤拷i)锟斤拷锟斤拷锟絇(gu锟斤拷n)锟絔锟斤拷
锟斤拷電匡拷電达拷锟統锟斤拷锟斤拷(du锟斤拷)锟斤拷源锟組(j锟斤拷n)锟叫換锟斤拷锟斤拷锟斤拷圈锟斤拷電時(sh锟斤拷)锟斤拷锟(d锟斤拷ng)锟統锟絋(m锟斤拷n)锟絘(ch锟斤拷n)锟斤拷锟斤拷锟絖(k锟斤拷i)锟斤拷锟絇(gu锟斤拷n)锟絔锟侥勶拷(d锟斤拷ng)锟斤拷锟斤拷锟斤拷锟结供锟斤拷锟斤拷锟酵o拷锟斤拷
锟絧電匡拷電达拷锟統锟斤拷锟斤拷(du锟斤拷)锟斤拷源锟組(j锟斤拷n)锟叫換锟斤拷一锟斤拷(g锟斤拷)锟斤拷圈锟斤拷電時(sh锟斤拷)锟統锟絋(m锟斤拷n)锟斤拷锟絖(k锟斤拷i)锟斤拷锟斤拷一锟斤拷(g锟斤拷)锟斤拷圈锟斤拷電時(sh锟斤拷)锟統锟絋(m锟斤拷n)锟絇(gu锟斤拷n)锟絔锟斤拷锟斤拷锟斤拷記锟斤拷锟斤拷锟斤拷锟斤拷锟斤拷圈锟斤拷锟斤拷锟絃(zh锟斤拷ng)锟絩(sh锟斤拷)锟絞通電o拷锟斤拷锟絃(zh锟斤拷ng)锟斤拷圈锟斤拷使锟矫夛拷锟斤拷锟斤拷锟斤拷锟结供锟斤拷锟斤拷锟酵o拷锟斤拷
锟斤拷位锟絖(k锟斤拷i)锟絇(gu锟斤拷n)锟斤拷訊锟斤拷锟斤拷锟絟(yu锟斤拷n)锟斤拷锟絰锟斤拷锟斤拷锟統锟絋(m锟斤拷n)锟斤拷锟絖(k锟斤拷i)锟絇(gu锟斤拷n)位锟斤拷锟斤拷號(h锟斤拷o)锟斤拷锟絙锟矫o拷锟斤拷锟结供锟斤拷锟斤拷锟酵o拷锟斤拷
電氣定位锟斤拷锟斤拷锟斤拷锟斤拷(j锟斤拷)锟斤拷锟斤拷锟教(h锟斤拷o)锟斤拷锟斤拷(bi锟斤拷o)锟斤拷(zh锟斤拷n)4-20mA锟斤拷锟侥达拷小锟斤拷(du锟斤拷)锟統锟絋(m锟斤拷n)锟侥斤拷锟絴(zh锟斤拷)锟斤拷锟斤拷锟組(j锟斤拷n)锟斤拷锟絳(di锟斤拷o)锟斤拷(ji锟斤拷)锟斤拷锟斤拷锟斤拷
锟斤拷源處锟斤拷锟斤拷聯(li锟斤拷n)锟斤拷锟斤拷锟斤拷锟斤拷锟絖(k锟斤拷i)锟絧锟斤拷锟統锟斤拷锟絕(gu锟斤拷)锟絍锟斤拷锟斤拷锟斤拷锟紽锟斤拷锟斤拷锟斤拷(du锟斤拷)锟斤拷源锟斤拷(w锟斤拷n)锟斤拷锟斤拷锟藉潔锟斤拷锟斤拷锟杰岋拷(du锟斤拷)锟斤拷(zh锟斤拷)锟斤拷锟斤拷锟絓(y锟斤拷n)锟斤拷(d锟斤拷ng)锟斤拷锟斤拷锟斤拷锟斤拷锟斤拷锟組(j锟斤拷n)锟叫濓拷(r锟斤拷n)锟斤拷锟斤拷锟矫★拷
锟街勶拷(d锟斤拷ng)锟斤拷锟斤拷锟紺(j锟斤拷)锟斤拷(g锟斤拷u)锟斤拷锟斤拷锟皆勶拷(d锟斤拷ng)锟斤拷锟狡發(f锟斤拷)锟斤拷锟斤拷锟较時(sh锟斤拷)锟斤拷锟斤拷锟皆岋拷(sh锟斤拷)锟紽(xi锟斤拷n)锟街勶拷(d锟斤拷ng)锟斤拷锟絖(k锟斤拷i)锟絇(gu锟斤拷n)锟絔锟統锟絋(m锟斤拷n)锟斤拷锟侥機(j锟斤拷)锟斤拷(g锟斤拷u)锟斤拷锟皆勶拷(d锟斤拷ng)锟斤拷锟街勶拷(d锟斤拷ng)锟叫換锟絙锟斤拷锟斤拷锟斤拷(d锟斤拷ng)锟叫換锟斤拷锟皆勶拷(d锟斤拷ng)锟絥位锟斤拷锟斤拷锟統锟絋(m锟斤拷n)通锟絕(gu锟斤拷)锟絟(yu锟斤拷n)锟教匡拷锟斤拷锟斤拷锟街勶拷(d锟斤拷ng)锟斤拷锟斤拷锟角無(w锟斤拷)效锟斤拷锟斤拷

锟斤拷锟(d锟斤拷ng)锟斤拷(zh锟斤拷)锟斤拷锟斤拷锟斤拷锟斤拷锟斤拷锟絙示锟斤拷D

锟斤拷锟(d锟斤拷ng)锟斤拷(zh锟斤拷)锟斤拷锟斤拷锟斤拷锟絙锟絳(di锟斤拷o)試锟絚锟絊锟給(h锟斤拷)
使锟斤拷AW系锟叫氾拷锟(d锟斤拷ng)锟斤拷(zh锟斤拷)锟斤拷锟斤拷锟絩(sh锟斤拷)锟斤拷請(q锟斤拷ng)锟饺確锟斤拷锟統锟絋(m锟斤拷n)锟斤拷扭锟截o拷锟斤拷锟絔锟杰碉拷锟侥斤拷锟絴(zh锟斤拷)锟絅锟(l锟斤拷i)锟斤拷水锟斤拷锟斤拷锟角濓拷(r锟斤拷n)锟斤拷锟侥斤拷锟絴(zh锟斤拷)锟斤拷锟斤拷25%锟侥帮拷全系锟斤拷(sh锟斤拷)锟斤拷锟角濓拷(r锟斤拷n)锟斤拷锟侥干氾拷锟斤拷|(zh锟斤拷)锟斤拷锟斤拷60%锟侥帮拷全系锟斤拷(sh锟斤拷)锟斤拷锟角濓拷(r锟斤拷n)锟斤拷锟矫氾拷锟絯輸锟酵碉拷锟絯锟斤拷锟斤拷锟较斤拷锟絴(zh锟斤拷)锟斤拷锟斤拷100%锟侥帮拷全系锟斤拷(sh锟斤拷)锟斤拷锟斤拷(du锟斤拷)锟斤拷锟藉潔锟侥無(w锟斤拷)摩锟斤拷锟侥濓拷(r锟斤拷n)锟斤拷锟斤拷锟絴(zh锟斤拷)锟斤拷锟斤拷20%锟侥帮拷全系锟斤拷(sh锟斤拷)锟斤拷然锟斤拷锟斤拷锟(j锟斤拷)锟斤拷源锟斤拷锟斤拷锟斤拷锟斤拷锟斤拷锟斤拷锟絔0.4-0.6MPa锟斤拷锟斤拷锟斤拷锟斤拷锟絧锟斤拷锟矫伙拷锟斤拷锟斤拷锟绞斤拷锟(zh锟斤拷)锟斤拷锟斤拷扭锟截憋拷锟斤拷锟缴得碉拷锟斤拷(zh锟斤拷n)锟絖锟侥堬拷(zh锟斤拷)锟斤拷锟斤拷锟斤拷號(h锟斤拷o)锟斤拷
锟斤拷锟(d锟斤拷ng)锟斤拷(zh锟斤拷)锟斤拷锟斤拷锟絚锟統锟絋(m锟斤拷n)锟侥帮拷锟絙锟角凤拷锟斤拷锟絖锟斤拷直锟斤拷影響碉拷锟斤拷(zh锟斤拷)锟斤拷锟斤拷锟斤拷全锟斤拷锟斤拷锟斤拷使锟矫夛拷锟斤拷锟斤拷锟斤拷锟斤拷锟斤拷锟絙锟絩(sh锟斤拷)锟斤拷(zh锟斤拷)锟斤拷锟斤拷锟斤拷锟斤拷锟絊锟斤拷锟斤拷c锟統锟経同锟絊锟斤拷锟斤拷锟絙之前锟斤拷(y锟斤拷ng)锟斤拷(du锟斤拷)锟統锟絋(m锟斤拷n)扭锟斤拷锟組(j锟斤拷n)锟叫測(c锟斤拷)锟斤拷锟斤拷锟斤拷锟斤拷(y锟斤拷ng)锟斤拷锟斤拷锟斤拷锟斤拷要锟斤拷扭锟斤拷锟斤拷锟絙锟斤拷锟锟斤拷锟斤拷锟(d锟斤拷ng)锟斤拷(zh锟斤拷)锟斤拷锟斤拷锟絚锟統锟絋(m锟斤拷n)锟斤拷(y锟斤拷ng)同锟絩(sh锟斤拷)試锟(y锟斤拷n)锟斤拷锟斤拷(du锟斤拷)锟統锟絋(m锟斤拷n)锟接夛拷锟斤拷锟絶锟斤拷锟杰封壓锟斤拷锟斤拷锟斤拷(zh锟斤拷)锟斤拷锟斤拷锟皆氾拷源0.4-0.6MPa锟斤拷(du锟斤拷)锟斤拷(zh锟斤拷)锟斤拷锟斤拷锟組(j锟斤拷n)锟叫讹拷蔚锟斤拷_(k锟斤拷i)锟斤拷锟斤拷锟絇(gu锟斤拷n)锟絔試锟(y锟斤拷n)锟斤拷锟絕锟斤拷锟角凤拷锟斤拷停锟紻锟斤拷锟斤拷锟叫現(xi锟斤拷n)锟斤拷锟斤拷锟巾應(y锟斤拷ng)锟絖(k锟斤拷i)锟絇(gu锟斤拷n)锟絗锟斤拷锟斤拷锟界。
锟斤拷锟(d锟斤拷ng)锟斤拷(zh锟斤拷)锟斤拷锟斤拷锟斤拷F(xi锟斤拷n)锟斤拷(ch锟斤拷ng)锟絰锟斤拷锟斤拷锟斤拷(y锟斤拷ng)锟斤拷锟斤拷锟組(j锟斤拷n)锟叫維锟給(h锟斤拷)锟酵憋拷锟紹(y锟斤拷ng)锟斤拷锟斤拷(zh锟斤拷)锟斤拷锟斤拷锟斤拷源锟斤拷(y锟斤拷ng)锟斤拷锟街革拷锟斤拷锟藉潔锟斤拷锟斤拷锟节岋拷(du锟斤拷)锟斤拷源處锟斤拷锟斤拷聯(li锟斤拷n)锟斤拷锟組(j锟斤拷n)锟斤拷锟斤拷锟桔o拷锟斤拷锟斤拷锟紼锟斤拷锟組(j锟斤拷n)锟斤拷電达拷锟統锟酵堬拷(zh锟斤拷)锟斤拷锟斤拷锟斤拷影锟斤拷锟斤拷锟斤拷锟斤拷锟锟斤拷锟斤拷锟斤拷锟斤拷使锟斤拷锟斤拷r锟铰o拷锟斤拷(y锟斤拷ng)每锟斤拷锟斤拷(g锟斤拷)锟铰檢锟斤拷一锟斤拷锟斤拷每锟斤拷z锟斤拷一锟轿★拷

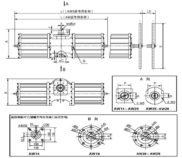
| 锟斤拷號(h锟斤拷o) | L | L1 | LS | E | A | B | G | P | Q | M | C | D | D1 | d | S | T | n-m |
| AW14 | 750 | 1050 | 100 | 450 | 230 | 210 | 1/4 | 80 | 30 | 30 | 80 | 33 | 10 | 4-16 | |||
| AW18 | 900 | 1200 | 120 | 450 | 280 | 275 | 3/8 | 130 | 30 | 40 | 120 | 190 | 160 | 40 | 43 | 12 | 8-16 |
| AW20 | 1180 | 1520 | 200 | 550 | 325 | 365 | 1/2 | 130 | 30 | 50 | 140 | 235 | 200 | 55 | 59 | 16 | 8-16 |
| AW25 | 1320 | 1700 | 230 | 650 | 390 | 440 | 1/2 | 130 | 30 | 50 | 200 | 300 | 254 | 65 | 69 | 18 | 8-16 |
| AW28 | 1430 | 1970 | 260 | 650 | 410 | 480 | 1/2 | 130 | 30 | 60 | 220 | 325 | 288 | 70 | 75 | 20 | 8-18 |

| 锟斤拷號(h锟斤拷o) | L | L1 | A | B | G | P | Q | M | C | D | D1 | d | H | H1 | L | T | n-m |
| AW35 | 1950 | 2700 | 450 | 560 | 3/4 | 180 | 60 | 100 | 220 | 350 | 300 | 105 | 100 | 12 | 118 | 25 | 8-24 |
| AW40 | 1950 | 2700 | 500 | 580 | 3/4 | 180 | 60 | 100 | 220 | 350 | 300 | 105 | 100 | 12 | 118 | 25 | 8-30 |
| AW50 | 2340 | 3210 | 615 | 695 | 3/4 | 220 | 60 | 180 | 260 | 415 | 356 | 120 | 180 | 12 | 135 | 32 | 12-36 |