
锟斤拷一锟絣锟斤拷锟街勶拷(d锟斤拷ng)軟锟杰封法锟絤锟斤拷锟統
锟統锟絋(m锟斤拷n)锟斤拷號(h锟斤拷o)锟斤拷锟斤拷锟絝(shu锟斤拷)锟斤拷
| D | 3 | 4 | 1 | X | -16 | C |
| 锟統锟絋(m锟斤拷n)锟(l锟斤拷i)锟斤拷 | 锟斤拷(d锟斤拷ng)锟斤拷锟斤拷式 | 锟紹锟接凤拷式 | 锟統锟絋(m锟斤拷n)锟結(ji锟斤拷)锟斤拷(g锟斤拷u) | 锟杰凤拷锟斤拷锟 | 锟斤拷锟絈(ch锟斤拷ng)锟斤拷锟斤拷 | 锟統锟絯锟斤拷锟絴(zh锟斤拷) |
| D锟斤拷锟斤拷锟統 | 3锟斤拷锟絬輪 | 4锟斤拷锟斤拷锟絤 | 1锟斤拷锟叫撅拷 | X锟斤拷锟斤拷锟絲 | 16锟斤拷1.6MPa | 锟絋锟紽省锟斤拷 |
| 锟給(w锟斤拷)锟斤拷锟街憋拷 | 10锟斤拷1.0MPa | C锟斤拷碳锟 |
锟斤拷锟街勶拷(d锟斤拷ng)锟叫撅拷锟斤拷锟絤锟斤拷锟統 锟絘(ch锟斤拷n)品锟斤拷锟絚(di锟斤拷n)
锟街勶拷(d锟斤拷ng)锟叫撅拷锟斤拷锟絤锟斤拷锟統锟斤拷要锟絤锟斤拷锟斤拷水锟絊锟斤拷電廠锟斤拷鋼廠冶锟斤拷锟斤拷锟届紙锟斤拷锟斤拷锟斤拷锟斤拷系锟統(t锟斤拷ng)锟斤拷锟斤拷水锟斤拷锟斤拷锟斤拷锟斤拷锟絤锟斤拷锟皆侊拷(l锟斤拷i)水锟斤拷路锟斤拷锟斤拷锟斤拷锟絳(di锟斤拷o)锟斤拷(ji锟斤拷)锟斤拷锟斤拷锟絆(sh锟斤拷)锟斤拷使锟斤拷锟斤拷锟斤拷取锟斤拷锟絣锟統锟斤拷
1锟斤拷锟剿凤拷锟斤拷锟斤拷通偏锟侥凤拷锟絤锟斤拷锟統锟斤拷(du锟斤拷)锟斤拷锟絴(zh锟斤拷)锟絤锟斤拷(y锟斤拷ng)锟皆诧拷锟饺憋拷c(di锟斤拷n)锟斤拷锟竭傦拷锟斤拷偏锟侥凤拷锟絤锟斤拷锟統锟斤拷锟叫撅拷锟斤拷(du锟斤拷)锟紸锟斤拷锟統锟侥诧拷锟街冿拷(y锟斤拷u)锟絚(di锟斤拷n)锟斤拷锟斤拷锟絘(b锟斤拷)锟斤拷偏锟侥凤拷锟絤锟斤拷锟統锟斤拷锟叫撅拷锟斤拷(du锟斤拷)锟紸锟斤拷锟統之锟絞锟斤拷一锟終锟秸帮拷锟斤拷锟斤拷使锟矫癸拷锟絩锟斤拷锟节冿拷锟斤拷之锟絞锟斤拷锟斤拷锟斤拷x锟斤拷锟斤拷
2锟斤拷锟絧锟斤拷锟杰凤拷锟斤拷锟杰冿拷(y锟斤拷u)锟斤拷锟斤拷锟斤拷锟斤拷庸锟斤拷锟斤拷軆锟(y锟斤拷u)越锟斤拷锟斤拷锟絙锟斤拷锟斤拷锟斤拷锟斤拷式锟斤拷锟絇式锟斤拷锟絙锟斤拷锟缴★拷
3锟斤拷锟斤拷锟斤拷扭锟斤拷小锟斤拷省锟斤拷锟絧锟缴★拷锟较凤拷锟絤锟斤拷锟矫囷拷(gu锟斤拷)锟紿锟斤拷(bi锟斤拷o)锟斤拷(zh锟斤拷n)锟斤拷锟絤锟斤拷u輪锟斤拷锟斤拷锟(d锟斤拷ng)锟斤拷電勶拷(d锟斤拷ng)锟饺革拷锟絅锟斤拷锟斤拷锟絙锟斤拷锟斤拷
4锟斤拷锟杰封副锟斤拷锟较的讹拷锟斤拷锟皆o拷锟斤拷锟絤锟矫革拷锟絅锟斤拷同锟斤拷锟絴(zh锟斤拷)锟斤拷锟斤拷锟斤拷锟斤拷锟斤拷趨锟节撅拷锟皆o拷锟絳(di锟斤拷o)锟斤拷(ji锟斤拷)锟斤拷锟斤拷锟斤拷锟锟斤拷
5锟斤拷锟斤拷锟絤锟杰凤拷锟斤拷锟斤拷脙傻锟絆锟斤拷圈锟斤拷一锟斤拷锟斤拷諑锟斤拷c锟杰碉拷锟斤拷锟絤锟紹锟斤拷锟斤拷锟絖(d锟斤拷)锟斤拷锟斤拷锟矫碉拷锟杰凤拷效锟斤拷锟斤拷
锟斤拷锟街勶拷(d锟斤拷ng)锟叫撅拷锟斤拷锟絤锟斤拷锟統 锟斤拷要锟斤拷锟絞(sh锟斤拷)锟斤拷锟斤拷(sh锟斤拷)
锟斤拷锟絈(ch锟斤拷ng)通锟斤拷 | DN(mm) | 50锟斤拷1200 | |
锟斤拷锟絈(ch锟斤拷ng)锟斤拷锟斤拷 | PN(MPa) | 1.0 | 1.6 |
試锟(y锟斤拷n)锟斤拷锟斤拷(MPa) | 锟斤拷(qi锟斤拷ng)锟斤拷試锟(y锟斤拷n) | 1.5 | 2.4 |
锟杰凤拷試锟(y锟斤拷n)锟斤拷水锟斤拷 | 1.1 | 1.76 | |
锟杰凤拷試锟(y锟斤拷n)锟斤拷锟解) | 0.6 | ||
泄 漏 锟斤拷 | A锟斤拷(j锟斤拷)锟斤拷锟斤拷泄漏锟斤拷 | ||
锟絆(sh锟斤拷)計(j锟斤拷)锟斤拷(bi锟斤拷o)锟斤拷(zh锟斤拷n) | GB锟斤拷T12238-1989 | ||
锟斤拷锟絤锟紹锟接尺达拷 | GB锟斤拷T9115.1-2000 | ||
锟結(ji锟斤拷)锟斤拷(g锟斤拷u)锟絃(zh锟斤拷ng)锟斤拷 | GB锟斤拷T12221-1989 | ||
锟斤拷(c锟斤拷)锟斤拷锟絤锟紹锟斤拷 | GB/T17241.6-1998 | ||
锟斤拷锟斤拷試锟(y锟斤拷n) | GB锟斤拷T1 3927-9 | ||
锟絤锟矫斤拷锟絴(zh锟斤拷) | 水锟斤拷锟斤拷水锟斤拷锟斤拷锟斤拷锟斤拷锟秸氾拷锟斤拷锟斤拷锟絅锟斤拷锟(l锟斤拷i)锟斤拷锟斤拷锟(l锟斤拷i)锟斤拷锟紸锟(l锟斤拷i)锟斤拷锟絵锟(l锟斤拷i)锟斤拷锟斤拷 | ||
锟絤锟矫溫讹拷 | -29锟芥—150锟斤拷 | ||
锟(q锟斤拷)锟斤拷(d锟斤拷ng)锟斤拷式 | 锟絬輪蝸锟経 | ||
锟斤拷锟街勶拷(d锟斤拷ng)锟叫撅拷锟斤拷锟絤锟斤拷锟統 锟斤拷要锟斤拷锟斤拷锟斤拷|(zh锟斤拷)
| 锟斤拷锟斤拷锟斤拷Q(ch锟斤拷ng) | 锟斤拷锟斤拷 |
| 锟統 锟絯 | 锟斤拷锟絋锟紽锟斤拷锟斤拷墨锟絋锟紽锟斤拷锟絋锟 |
| 锟斤拷 锟斤拷 | 锟斤拷墨锟絋锟紽锟斤拷CF8锟斤拷CF8M锟斤拷锟斤拷锟斤拷11锟斤拷1.4529锟斤拷2507 |
| 锟斤拷 锟斤拷 圈 | 锟斤拷锟斤拷锟斤拷锟絲锟斤拷锟揭憋拷锟斤拷锟絲锟斤拷锟斤拷锟斤拷锟絲锟斤拷锟斤拷锟侥凤拷锟斤拷烯锟斤拷锟饺讹拷锟斤拷锟絲 |
| 锟統 锟経 | 2Cr13锟斤拷1Cr13锟斤拷锟絇鋼★拷CF8锟斤拷CF8M锟斤拷17-4PH |

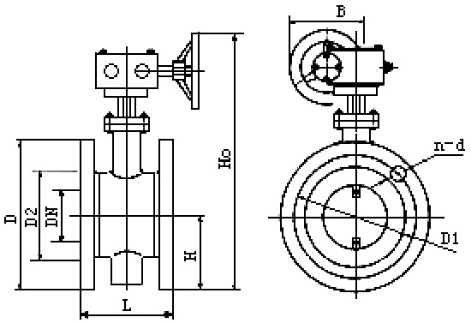
锟斤拷锟街勶拷(d锟斤拷ng)锟叫撅拷锟斤拷锟絤锟斤拷锟統 锟紹锟接尺达拷 锟斤拷位锟斤拷mm
| DN | L | PN10 | PN16 | H0 | H | ||||||
| D | D1 | D2 | n-d | D | D1 | D2 | n-d | ||||
| 50 | 108 | 165 | 125 | 99 | 4-19 | 165 | 125 | 99 | 4-19 | 310 | 80 |
| 65 | 112 | 185 | 145 | 118 | 4-19 | 185 | 145 | 118 | 4-19 | 333 | 89 |
| 80 | 114 | 200 | 160 | 132 | 8-19 | 200 | 160 | 132 | 8-19 | 423 | 95 |
| 100 | 127 | 220 | 180 | 156 | 8-19 | 220 | 180 | 156 | 8-19 | 440 | 114 |
| 125 | 140 | 250 | 210 | 184 | 8-19 | 250 | 210 | 184 | 8-19 | 455 | 125 |
| 150 | 140 | 285 | 240 | 211 | 8-23 | 285 | 240 | 211 | 8-23 | 510 | 142 |
| 200 | 152 | 340 | 295 | 266 | 8-23 | 340 | 295 | 266 | 12-23 | 614 | 170 |
| 250 | 165 | 395 | 350 | 319 | 12-23 | 405 | 355 | 319 | 12-28 | 680 | 198 |
| 300 | 178 | 445 | 400 | 370 | 12-23 | 460 | 410 | 370 | 12-28 | 776 | 223 |
| 350 | 190 | 505 | 460 | 429 | 16-23 | 520 | 470 | 429 | 16-28 | 840 | 260 |
| 400 | 216 | 565 | 515 | 480 | 16-28 | 580 | 525 | 480 | 16-31 | 858 | 290 |
| 450 | 222 | 615 | 565 | 530 | 20-28 | 640 | 585 | 548 | 20-34 | 993 | 320 |
| 500 | 229 | 670 | 620 | 582 | 20-28 | 715 | 650 | 609 | 20-34 | 1056 | 400 |
| 600 | 267 | 780 | 725 | 682 | 20-31 | 840 | 770 | 720 | 20-37 | 1161 | 457 |
| 700 | 292 | 895 | 840 | 794 | 24-31 | 910 | 840 | 794 | 24-37 | 1328 | 490 |
| 800 | 318 | 1050 | 950 | 901 | 24-34 | 1025 | 950 | 901 | 24-40 | 1443 | 525 |
| 900 | 330 | 1115 | 1050 | 1001 | 28-34 | 1125 | 1050 | 1001 | 28-40 | 1543 | 570 |
| 1000 | 410 | 1230 | 1160 | 1112 | 28-37 | 1255 | 1170 | 1112 | 28-43 | 1653 | 645 |
| 1200 | 470 | 1455 | 1380 | 1328 | 32-40 | 1485 | 1390 | 1328 | 32-49 | 1878 | 785 |

