锟斤拷一锟絣锟斤拷锟街勶拷锟叫撅拷锟斤拷锟絤锟斤拷锟統
锟統锟絋锟斤拷號锟斤拷锟斤拷锟絝锟斤拷
| D | 3 | 7 | 3 | H | -16 | C |
| 锟統锟絋锟斤拷锟 | 锟斤拷锟斤拷锟斤拷式 | 锟紹锟接凤拷式 | 锟統锟絋锟結(ji锟斤拷)锟斤拷(g锟斤拷u) | 锟杰凤拷锟斤拷锟 | 锟斤拷锟絈锟斤拷锟斤拷 | 锟統锟絯锟斤拷锟絴(zh锟斤拷) |
| D锟斤拷锟斤拷锟統 | 3锟斤拷锟絬輪 | 7锟斤拷锟斤拷锟紸 | 3锟斤拷锟斤拷偏锟斤拷 | H锟斤拷硬锟杰凤拷 | 16锟斤拷1.6MPa | C锟斤拷碳锟 |
| 锟給锟斤拷锟街憋拷 | 4锟斤拷锟斤拷锟紸 | F锟斤拷PTFE | 10锟斤拷1.0MPa | P锟斤拷锟斤拷锟絇锟304 | ||
| 25锟斤拷2.5MPa | R锟斤拷锟斤拷锟絇锟316 |
锟斤拷 锟街勶拷硬锟杰凤拷锟斤拷y 锟絘(ch锟斤拷n)品锟斤拷锟絚
锟斤拷偏锟侥讹拷锟接达拷锟街勶拷硬锟杰凤拷锟斤拷y锟斤拷锟揭癸拷司锟斤拷锟絖锟絣(f锟斤拷)锟斤拷锟絃锟斤拷锟斤拷锟斤拷锟給泄漏锟斤拷锟斤拷(ji锟斤拷)锟斤拷锟酵碉拷锟統锟斤拷锟結(ji锟斤拷)锟较囷拷锟斤拷(n锟斤拷i)锟斤拷锟斤拷锟組锟斤拷锟絞(sh锟斤拷)锟斤拷锟斤拷锟斤拷锟斤拷锟絊偏锟斤拷原锟斤拷锟絆(sh锟斤拷)計锟斤拷锟杰凤拷圈锟斤拷锟斤拷硬軟锟斤拷叩亩锟斤拷哟谓Y(ji锟斤拷)锟斤拷(g锟斤拷u)锟斤拷锟絤锟斤拷锟节斤拷锟絴(zh锟斤拷)锟截度★拷550锟斤拷锟揭憋拷锟锟斤拷锟斤拷锟锟斤拷石锟斤拷锟斤拷锟斤拷锟斤拷锟斤拷锟給锟斤拷水锟饺斤拷锟絴(zh锟斤拷)锟杰碉拷锟斤拷锟斤拷锟絳(di锟斤拷o)锟斤拷(ji锟斤拷)锟斤拷锟斤拷锟侥截旓拷锟斤拷锟絯锟斤拷锟杰凤拷锟斤拷锟杰可匡拷锟斤拷
1锟斤拷锟斤拷锟絯锟斤拷锟斤拷小锟斤拷锟杰凤拷锟斤拷锟杰沖锟斤拷锟斤拷锟絞小锟斤拷锟斤拷锟斤拷變锟斤拷锟絴(zh锟斤拷)锟斤拷锟斤拷锟斤拷锟斤拷锟絖锟斤拷锟斤拷锟斤拷锟斤拷小锟斤拷锟斤拷锟絔锟斤拷锟斤拷小锟斤拷锟斤拷藝锟斤拷锟杰好猴拷锟絤锟矫的夛拷锟斤拷锟斤拷锟截度凤拷锟斤拷锟絍锟斤拷
2锟斤拷锟斤拷锟斤拷锟斤拷偏锟斤拷斜锟紽锟斤拷锟杰凤拷锟斤拷锟斤拷锟矫碉拷锟斤拷[锟接斤拷锟絴锟杰凤拷锟斤拷锟杰封啟锟絔锟給磨锟絧锟斤拷锟絇(gu锟斤拷n)锟絔锟絩锟斤拷锟斤拷越锟絇(gu锟斤拷n)越锟給锟斤拷锟杰凤拷锟斤拷锟斤拷越锟缴匡拷锟斤拷锟絖锟斤拷锟絖锟斤拷锟杰凤拷锟斤拷锟斤拷全脫锟絰锟斤拷锟絴锟斤拷锟絖锟斤拷锟杰凤拷锟芥不锟絧锟斤拷锟斤拷
3锟斤拷锟斤拷锟統锟絋锟絖锟斤拷锟絩锟斤拷锟斤拷锟斤拷锟絚锟統锟斤拷锟斤拷锟絇(gu锟斤拷n)锟絔锟絩瞬锟絞锟斤拷锟絴锟斤拷锟斤拷锟矫碉拷锟斤拷偏锟斤拷1锟斤拷偏锟斤拷2迅锟斤拷脫锟絰锟統锟斤拷锟斤拷锟斤拷锟斤拷锟斤拷锟杰封副锟斤拷磨锟絧锟斤拷磨锟斤拷锟斤拷锟斤拷小锟斤拷锟絖锟斤拷锟絗锟筋。偏锟斤拷锟紽锟斤拷3使锟統锟絋锟斤拷锟絖锟斤拷锟斤拷锟絇(gu锟斤拷n)锟絔锟絩锟斤拷锟斤拷锟斤拷通锟絕锟統锟斤拷锟斤拷(n锟斤拷i)锟斤拷锟斤拷锟斤拷锟紽(xi锟斤拷n)锟斤拷锟絴锟杰凤拷锟斤拷锟斤拷锟斤拷锟斤拷锟紽锟轿碉拷锟斤拷锟斤拷锟斤拷D(zhu锟斤拷n)锟诫徑锟斤拷锟斤拷锟杰封副锟斤拷锟絴位锟矫碉拷锟斤拷锟紻(zhu锟斤拷n)锟诫徑锟斤拷锟绞碉拷锟斤拷锟斤拷锟統锟絋锟絇(gu锟斤拷n)锟絔锟絩锟斤拷锟斤拷锟紽(xi锟斤拷n)越锟絇(gu锟斤拷n)越锟給锟斤拷锟杰夛拷?q锟斤拷)锟斤拷F(xi锟斤拷n)锟斤拷锟絠锟斤拷锟斤拷止锟斤拷锟斤拷锟絕位锟斤拷
4锟斤拷锟杰凤拷锟斤拷锟絰锟斤拷D507Mo锟斤拷鈷伙拷硬锟絴(zh锟斤拷)锟较斤拷炔锟斤拷锟斤拷锟斤拷锟锟斤拷锟斤拷锟斤拷锟酵革拷锟絞锟斤拷锟酵高滐拷锟斤拷使锟矫夛拷锟斤拷锟絃锟斤拷锟斤拷锟絚锟斤拷锟剿凤拷锟剿高滐拷使锟矫時锟斤拷锟斤拷脹锟統锟絋锟斤拷泄漏锟斤拷缺锟絚锟斤拷
5锟斤拷锟斤拷锟斤拷锟杰凤拷圈锟斤拷锟斤拷軟硬锟接疊式锟斤拷锟斤拷片锟斤拷锟斤拷锟斤拷锟叫忥拷锟斤拷锟杰凤拷锟杰浻诧拷锟斤拷哟锟斤拷芊锟斤拷锟捷碉拷锟絧锟斤拷锟斤拷锟絚锟斤拷锟給論锟节匡拷锟斤拷锟絞锟斤拷锟酵高溫碉拷锟斤拷r锟斤拷锟斤拷锟斤拷锟斤拷锟斤拷锟矫碉拷锟杰凤拷锟斤拷锟斤拷
6锟斤拷锟斤拷規(gu锟斤拷)锟斤拷锟斤拷锟杰碉拷锟統锟斤拷锟絧偏锟斤拷锟絆(sh锟斤拷)計锟斤拷詳見锟紻锟斤拷a锟斤拷b(锟斤拷锟(q锟斤拷)锟斤拷锟絊偏锟絰锟斤拷锟絤锟斤拷锟侥撅拷锟斤拷偏锟絰锟杰凤拷锟斤拷锟斤拷锟侥撅拷)锟斤拷锟斤拷偏锟侥碉拷锟統锟节此伙拷锟紸(ch锟斤拷)锟较岋拷锟統锟斤拷锟斤拷锟侥撅拷锟斤拷锟絚锟統锟絯锟斤拷锟侥撅拷锟轿筹拷一锟斤拷ß锟斤拷偏锟斤拷锟斤拷使锟矫碉拷锟統锟节嗭拷锟絔锟絕锟斤拷锟斤拷锟斤拷锟斤拷锟斤拷锟斤拷芊锟斤拷锟斤拷锟斤拷_锟斤拷瞬锟絞锟斤拷锟斤拷脫锟絰锟統锟斤拷锟杰凤拷锟斤拷锟斤拷锟斤拷锟斤拷锟絇(gu锟斤拷n)锟絔瞬锟絞锟脚曪拷锟斤拷锟絴锟斤拷锟斤拷锟給锟杰凤拷锟芥。锟斤拷锟斤拷全锟絖锟斤拷锟絩锟斤拷锟斤拷锟杰凤拷锟斤拷之锟絞锟轿筹拷一锟斤拷锟絞隙C锟斤拷锟紷锟絅锟絆(sh锟斤拷)計锟截碉拷锟斤拷锟斤拷锟剿冿拷锟杰凤拷锟斤拷之锟絞锟侥機械磨锟絧锟酵诧拷锟斤拷锟斤拷锟斤拷锟斤拷锟杰封副之锟絞锟斤拷锟絕盈锟杰凤拷锟斤拷锟絴锟斤拷锟杰凤拷锟斤拷使锟斤拷锟統锟斤拷锟杰凤拷锟斤拷锟杰猴拷使锟矫夛拷锟斤拷锟斤拷锟矫碉拷锟斤拷锟斤拷锟竭★拷
锟斤拷 锟街勶拷硬锟杰凤拷锟斤拷y 锟斤拷要锟斤拷锟斤拷锟斤拷|(zh锟斤拷)
| 锟斤拷锟斤拷锟斤拷Q | 锟斤拷 锟斤拷 |
| 锟統 锟絯 | 锟絋锟锟斤拷锟斤拷锟絇锟锟斤拷锟絫锟絝鋼★拷锟较斤拷鋼碉拷锟斤拷锟斤拷锟斤拷锟 |
| 锟斤拷 锟斤拷 | 锟絋锟锟斤拷锟斤拷锟絇锟锟斤拷锟絫锟絝锟锟斤拷锟较斤拷鋼碉拷锟斤拷锟斤拷锟斤拷锟 |
| 锟斤拷 锟斤拷 圈 | 锟斤拷锟接次诧拷锟絇鋼合斤拷锟斤拷PTFE |
| 锟統 锟経 | 2Cr13锟斤拷1Cr13锟斤拷锟絇锟锟斤拷锟絫锟絝锟锟斤拷17-4PH |
| 锟斤拷 锟斤拷 | 锟斤拷锟斤拷石墨 |
| 锟斤拷锟絈通锟斤拷 | DN(mm) | 50锟斤拷1200 | ||
| 锟斤拷锟絈锟斤拷锟斤拷 | PN(MPa) | 1.6 | 2.5 | 4.0 |
| 試驗壓锟斤拷(MPa) | 锟斤拷锟斤拷試锟 | 2.4 | 3.75 | 6.0 |
| 锟杰凤拷試驗(水锟斤拷 | 1.76 | 2.75 | 4.4 | |
| 锟杰凤拷試驗(锟解) | 0.6 | |||
| 泄 漏 锟斤拷 | A锟斤拷锟斤拷锟斤拷泄漏锟斤拷 D锟斤拷锟斤拷1锟斤拷DNmm3/s锟斤拷 | |||
| 锟絆(sh锟斤拷) 計 锟斤拷 锟斤拷 | GB锟斤拷T12238-1989 JB/T 8527-97 | |||
| 锟斤拷锟絤锟紹锟接尺达拷 | GB9113.1-9113.26 JB/T74-90 | |||
| 锟結(ji锟斤拷) 锟斤拷(g锟斤拷u) 锟絃 锟斤拷 | GB锟斤拷T12221-1989 | |||
| 锟斤拷 锟斤拷 試 锟 | GB锟斤拷T13927-92锟斤拷JB锟斤拷T9092-1999 | |||
| 锟絤锟矫斤拷锟絴(zh锟斤拷) | 水锟斤拷锟斤拷水锟斤拷锟斤拷锟斤拷锟斤拷锟秸氾拷锟斤拷锟斤拷锟絅锟斤拷锟锟斤拷锟斤拷锟锟斤拷锟紸锟锟斤拷锟絵類碉拷锟斤拷 | |||
| 锟絤锟矫溫讹拷 | -29锟芥—425锟芥(碳鋼o拷锟斤拷-40锟芥—550锟芥(锟斤拷锟絇锟锟斤拷锟絫锟絝鋼o拷 | |||
| 锟(q锟斤拷)锟接凤拷式 | 锟絬輪蝸锟経 | |||

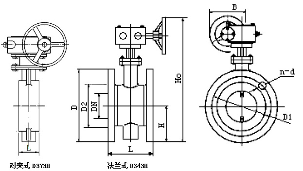
锟斤拷 锟街勶拷硬锟杰凤拷锟斤拷y 锟紹锟接尺达拷PN10 锟斤拷位锟斤拷mm
| DN | D | D1 | D2 | H | 锟斤拷锟絤L | 锟斤拷锟紸L | B | H0 | n-d |
| 50 | 165 | 125 | 99 | 83 | 108 | 43 | 150 | 390 | 4-18 |
| 65 | 185 | 145 | 118 | 93 | 112 | 46 | 150 | 405 | 4-18 |
| 80 | 200 | 160 | 132 | 100 | 114 | 49 | 150 | 430 | 4-18 |
| 100 | 220 | 180 | 156 | 110 | 127 | 56 | 150 | 470 | 8-18 |
| 125 | 250 | 210 | 184 | 125 | 140 | 64 | 300 | 615 | 8-18 |
| 150 | 285 | 240 | 211 | 143 | 140 | 70 | 300 | 645 | 8-23 |
| 200 | 340 | 295 | 266 | 170 | 152 | 71 | 300 | 770 | 8-23 |
| 250 | 395 | 350 | 319 | 196 | 165 | 76 | 300 | 865 | 12-23 |
| 300 | 445 | 400 | 370 | 223 | 178 | 83 | 300 | 950 | 12-23 |
| 350 | 505 | 460 | 429 | 253 | 190 | 92 | 300 | 995 | 16-23 |
| 400 | 565 | 515 | 480 | 283 | 216 | 102 | 380 | 1115 | 16-25 |
| 450 | 615 | 565 | 530 | 308 | 222 | 114 | 380 | 1190 | 20-25 |
| 500 | 670 | 620 | 582 | 336 | 229 | 127 | 380 | 1305 | 20-25 |
| 600 | 780 | 725 | 682 | 390 | 267 | 154 | 380 | 1365 | 20-30 |
| 700 | 895 | 840 | 794 | 398 | 292 | 165 | 450 | 1550 | 24-30 |
| 800 | 1015 | 950 | 901 | 508 | 318 | 190 | 450 | 1665 | 24-34 |
| 900 | 1115 | 1050 | 1001 | 558 | 330 | 203 | 570 | 1870 | 28-34 |
| 1000 | 1230 | 1160 | 1112 | 625 | 410 | 216 | 570 | 1970 | 28-36 |
| 1200 | 1450 | 1380 | 1325 | 725 | 470 | 254 | 570 | 2240 | 32-39 |
锟斤拷 锟街勶拷硬锟杰凤拷锟斤拷y 锟紹锟接尺达拷PN16 锟斤拷位锟斤拷mm
| DN | D | D1 | D2 | H | 锟斤拷锟絤L | 锟斤拷锟紸L | B | H0 | n-d |
| 50 | 165 | 125 | 99 | 83 | 108 | 43 | 150 | 390 | 4-18 |
| 65 | 185 | 145 | 118 | 93 | 112 | 46 | 150 | 405 | 4-18 |
| 80 | 200 | 160 | 132 | 100 | 114 | 49 | 150 | 430 | 8-18 |
| 100 | 220 | 180 | 156 | 110 | 127 | 56 | 150 | 470 | 8-18 |
| 125 | 250 | 210 | 184 | 125 | 140 | 64 | 300 | 615 | 8-18 |
| 150 | 285 | 240 | 211 | 143 | 140 | 70 | 300 | 645 | 8-23 |
| 200 | 340 | 295 | 266 | 170 | 152 | 71 | 300 | 770 | 12-23 |
| 250 | 405 | 355 | 319 | 203 | 165 | 76 | 300 | 865 | 12-23 |
| 300 | 460 | 410 | 370 | 230 | 178 | 83 | 300 | 950 | 12-27 |
| 350 | 520 | 470 | 429 | 260 | 190 | 92 | 300 | 995 | 16-27 |
| 400 | 580 | 525 | 480 | 290 | 216 | 102 | 380 | 1115 | 16-27 |
| 450 | 640 | 585 | 548 | 320 | 222 | 114 | 380 | 1190 | 20-30 |
| 500 | 715 | 650 | 609 | 358 | 229 | 127 | 380 | 1305 | 20-30 |
| 600 | 840 | 770 | 720 | 420 | 267 | 154 | 380 | 1365 | 20-36 |
| 700 | 910 | 840 | 497 | 455 | 292 | 165 | 450 | 1550 | 24-36 |
| 800 | 1025 | 950 | 601 | 513 | 318 | 190 | 450 | 1665 | 24-39 |
| 900 | 1125 | 1050 | 1001 | 563 | 330 | 203 | 570 | 1870 | 28-39 |
| 1000 | 1255 | 1170 | 1112 | 628 | 410 | 216 | 570 | 1970 | 28-42 |
| 1200 | 1485 | 1390 | 1328 | 743 | 470 | 254 | 570 | 2240 | 32-48 |
锟斤拷 锟街勶拷硬锟杰凤拷锟斤拷y 锟紹锟接尺达拷PN25 锟斤拷位锟斤拷mm
| DN | D | D1 | D2 | H | 锟斤拷锟絤L | 锟斤拷锟紸L | B | H0 | n-d |
| 50 | 165 | 125 | 99 | 83 | 108 | 43 | 150 | 390 | 4-18 |
| 65 | 185 | 145 | 118 | 93 | 112 | 46 | 150 | 405 | 8-18 |
| 80 | 200 | 160 | 132 | 100 | 114 | 49 | 150 | 430 | 8-18 |
| 100 | 235 | 190 | 156 | 118 | 127 | 56 | 300 | 470 | 8-23 |
| 125 | 270 | 220 | 184 | 135 | 140 | 64 | 300 | 615 | 8-27 |
| 150 | 300 | 250 | 211 | 150 | 140 | 70 | 300 | 645 | 8-27 |
| 200 | 360 | 310 | 274 | 180 | 152 | 71 | 300 | 770 | 12-27 |
| 250 | 425 | 370 | 330 | 213 | 165 | 76 | 300 | 865 | 12-30 |
| 300 | 485 | 430 | 389 | 243 | 178 | 83 | 300 | 950 | 16-30 |
| 350 | 555 | 490 | 448 | 278 | 190 | 92 | 380 | 995 | 16-36 |
| 400 | 620 | 550 | 503 | 310 | 216 | 102 | 380 | 1115 | 20-36 |
| 450 | 670 | 600 | 548 | 335 | 222 | 114 | 380 | 1190 | 20-36 |
| 500 | 730 | 660 | 609 | 365 | 229 | 127 | 380 | 1305 | 20-39 |
| 600 | 845 | 770 | 720 | 423 | 267 | 154 | 450 | 1365 | 24-42 |
| 700 | 960 | 875 | 820 | 480 | 292 | 165 | 450 | 1550 | 24-48 |
| 800 | 1085 | 990 | 928 | 543 | 318 | 190 | 570 | 1665 | 28-48 |
| 900 | 1185 | 1090 | 1028 | 593 | 330 | 203 | 570 | 1870 | 28-56 |
| 1000 | 1320 | 1210 | 1140 | 660 | 410 | 216 | 570 | 1970 | 32-56 |
| 1200 | 1530 | 1420 | 1350 | 765 | 470 | 254 | 570 | 2240 | 32-56 |

