锟斤拷一锟絣锟斤拷锟街勶拷硬锟杰凤拷锟斤拷y
锟統锟絋锟斤拷號锟斤拷锟斤拷锟絝锟斤拷
| D | 3 | 4 | 1 | W | -0.5 | C |
| 锟統锟絋锟斤拷锟 | 锟斤拷锟斤拷锟斤拷式 | 锟紹锟接凤拷式 | 锟統锟絋锟結(ji锟斤拷)锟斤拷(g锟斤拷u) | 锟杰凤拷锟斤拷锟 | 锟斤拷锟絈锟斤拷锟斤拷 | 锟統锟絯锟斤拷锟絴(zh锟斤拷) |
| D锟斤拷锟斤拷锟統 | 3锟斤拷锟絬輪 | 4锟斤拷锟斤拷锟絤 | 1锟斤拷锟叫撅拷 | W锟斤拷锟斤拷锟絯 | 0.5锟斤拷0.05MPa | C锟斤拷碳锟 |
| 锟給锟斤拷锟街憋拷 | 1锟斤拷0.1MPa | P锟斤拷锟斤拷锟絇锟304 | ||||
| R锟斤拷锟斤拷锟絇锟316 |
锟斤拷锟街勶拷通锟絃(f锟斤拷ng)锟斤拷锟統 锟絘(ch锟斤拷n)品锟斤拷锟絚
锟斤拷锟斤拷锟斤拷通锟絃(f锟斤拷ng)锟斤拷锟絤锟斤拷路锟絧锟斤拷锟絔锟斤拷锟絳(di锟斤拷o)锟斤拷(ji锟斤拷)锟斤拷锟統锟絯锟斤拷鋼板焊锟接讹拷锟斤拷锟斤拷锟結(ji锟斤拷)锟斤拷(g锟斤拷u)锟斤拷锟斤拷锟斤拷锟斤拷锟絧锟斤拷锟結(ji锟斤拷)锟斤拷(g锟斤拷u)锟斤拷锟斤拷锟斤拷锟斤拷锟斤拷锟斤拷锟斤拷小锟斤拷使锟矫維锟睫凤拷锟斤拷锟斤拷該锟統锟斤拷锟斤拷芊锟斤拷锟斤拷y锟絋锟斤拷锟統锟斤拷锟絚锟統锟絯之锟絞锟斤拷锟斤拷脹锟絞隙锟斤拷锟斤拷锟斤拷效锟斤拷止锟斤拷锟矫涳拷锟絪锟斤拷傻目锟斤拷锟斤拷F(xi锟斤拷n)锟斤拷锟斤拷锟斤拷锟斤拷锟絤锟斤拷(d锟斤拷ng)?sh锟斤拷)牟锟斤拷峡锟斤拷詽M锟姐不同锟斤拷锟絴(zh锟斤拷)锟侥溫讹拷锟皆硷拷锟斤拷锟絞锟斤拷锟斤拷
锟斤拷一锟絅锟斤拷锟斤拷锟絔锟酵碉拷锟統锟斤拷锟絤锟斤拷锟斤拷冶锟斤拷锟斤拷锟絍山锟斤拷水锟斤拷锟斤拷锟斤拷锟斤拷锟斤拷锟斤拷锟斤拷锟斤拷袠I(y锟斤拷)锟斤拷通锟絃(f锟斤拷ng)锟斤拷锟絤锟斤拷锟絟(hu锟斤拷n)锟斤拷锟斤拷锟給(h锟斤拷)系锟統(t锟斤拷ng)之锟叫★拷锟斤拷锟絴(zh锟斤拷)锟截度★拷500锟斤拷锟斤拷锟斤拷锟絈锟斤拷锟斤拷锟斤拷0.1 MPa锟侥管碉拷锟斤拷锟较o拷锟矫來啟锟絔锟斤拷锟絳(di锟斤拷o)锟斤拷(ji锟斤拷)锟絃(f锟斤拷ng)锟斤拷锟斤拷
锟斤拷锟斤拷锟街勶拷锟斤拷锟斤拷雍锟诫妱樱锟捷旓拷锟5kg锟斤拷锟斤拷锟侥氾拷源锟斤拷輸锟斤拷AC220V/AC380V锟皆锟斤拷锟斤拷訄锟(zh锟斤拷)锟斤拷锟斤拷锟斤拷電動堬拷(zh锟斤拷)锟斤拷锟斤拷使锟斤拷锟斤拷锟斤拷90锟姐范锟斤拷锟斤拷(n锟斤拷i)锟斤拷锟叫筹拷锟絓锟斤拷锟斤拷锟絖(d锟斤拷)锟斤拷锟斤拷锟絔锟斤拷锟絳(di锟斤拷o)锟斤拷(ji锟斤拷)锟絃(f锟斤拷ng)锟斤拷锟斤拷目锟斤拷锟斤拷
锟斤拷锟街勶拷通锟絃(f锟斤拷ng)锟斤拷锟統 锟斤拷要锟斤拷锟斤拷锟斤拷|(zh锟斤拷)
| 锟斤拷锟斤拷锟斤拷Q | 锟斤拷 锟斤拷 |
| 锟統 锟絯 | 锟絋锟锟斤拷锟斤拷锟絇锟锟斤拷锟絫锟斤拷f锟斤拷锟斤拷锟絫锟絝锟戒摰锟斤拷锟斤拷锟斤拷锟斤拷 |
| 锟斤拷 锟斤拷 | 锟絋鋼★拷锟斤拷锟絇锟锟斤拷锟絫锟斤拷f锟斤拷锟斤拷锟絫锟絝锟戒摰锟斤拷锟斤拷锟斤拷锟斤拷 |
| 锟斤拷 锟斤拷 圈 | 锟絚锟統锟絯锟斤拷同 |
| 锟統 锟経 | 锟絋锟锟斤拷锟斤拷锟絇锟锟斤拷锟絫锟斤拷f锟斤拷 |
| 锟斤拷 锟斤拷 | 锟斤拷锟斤拷锟斤拷锟斤拷锟斤拷锟斤拷石墨 |
锟斤拷锟街勶拷通锟絃(f锟斤拷ng)锟斤拷锟統 锟杰凤拷锟斤拷锟斤拷x锟矫猴拷锟絤锟矫溫讹拷
| 锟斤拷锟斤拷品锟絅 | 碳锟斤拷锟 | 锟酵滐拷碳锟 | 锟较斤拷锟 | 锟絎锟斤拷锟絯锟斤拷锟絇锟 | 锟絫锟絝锟 | |
| 锟斤拷 號 | WCB | LCB | WC6锟斤拷WC9 | C5 | 304锟斤拷316 | 12CrMoV |
| 锟斤拷邷囟锟 | 425锟斤拷 | 345锟斤拷 | 595锟斤拷 | 650锟斤拷 | 600锟斤拷 | 560锟斤拷 |
| 锟斤拷蜏囟锟 | -29锟斤拷 | -46锟斤拷 | -29锟斤拷 | -29锟斤拷 | -196锟斤拷 | -40锟斤拷 |
| 锟絤锟矫溫讹拷 | 锟斤拷425锟斤拷 | 锟斤拷345锟斤拷 | 锟斤拷595锟斤拷 | 锟斤拷650锟斤拷 | 锟斤拷600锟斤拷 | 锟斤拷560锟斤拷 |
| 锟斤拷锟絈通锟斤拷 | DN(mm) | 50锟斤拷1200 | |
| 锟斤拷锟絈锟斤拷锟斤拷 | PN(MPa) | 0.05 | 0.10 |
| 試驗壓锟斤拷 | 锟斤拷锟斤拷試锟 | 0.075 | 0.15 |
| 锟杰凤拷試锟 | 锟斤拷1.5%泄漏锟斤拷 | ||
| 锟絆(sh锟斤拷)計锟斤拷(bi锟斤拷o)锟斤拷(zh锟斤拷n) | GB锟斤拷T12238-1989 JB/T8692-1998 | ||
| 锟斤拷锟絤锟紹锟接尺达拷 | GB锟斤拷T9115.1-2000 | ||
| 锟結(ji锟斤拷)锟斤拷(g锟斤拷u)锟絃锟斤拷 | GB锟斤拷T12221-1989 | ||
| 锟斤拷锟斤拷試锟 | GB锟斤拷T1 3927-92锟斤拷JB锟斤拷T9092-1999 | ||
| 锟絤锟矫斤拷锟絴(zh锟斤拷) | 锟斤拷锟絤锟斤拷锟斤拷锟斤拷锟秸氾拷锟斤拷煤锟斤拷锟锟斤拷 | ||
| 锟(q锟斤拷)锟接凤拷式 | 锟絬輪锟斤拷锟斤拷 | ||

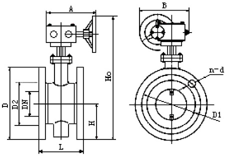
锟斤拷锟街勶拷通锟絃(f锟斤拷ng)锟斤拷锟統 锟斤拷锟斤拷锟紹锟接尺达拷 锟斤拷位锟斤拷mm
| DN | D | D1 | D2 | H | L | A | H0 | n-d |
| 50 | 140 | 110 | 88 | 70 | 108 | 125 | 286 | 4-14 |
| 65 | 160 | 130 | 108 | 80 | 112 | 125 | 306 | 4-14 |
| 80 | 190 | 150 | 125 | 95 | 114 | 125 | 334 | 4-18 |
| 100 | 205 | 170 | 145 | 105 | 127 | 125 | 354 | 4-18 |
| 125 | 235 | 200 | 175 | 120 | 140 | 125 | 384 | 8-18 |
| 150 | 260 | 225 | 200 | 132 | 140 | 125 | 409 | 8-18 |
| 200 | 315 | 280 | 255 | 160 | 152 | 165 | 593 | 8-18 |
| 250 | 370 | 335 | 310 | 187 | 165 | 165 | 650 | 12-23 |
| 300 | 435 | 395 | 362 | 220 | 180 | 165 | 715 | 12-23 |
| 350 | 485 | 445 | 412 | 245 | 180 | 175 | 814 | 12-23 |
| 400 | 535 | 495 | 462 | 270 | 200 | 175 | 863 | 16-23 |
| 450 | 590 | 550 | 518 | 297 | 200 | 175 | 918 | 16-23 |
| 500 | 640 | 600 | 568 | 322 | 220 | 210 | 1016 | 16-23 |
| 600 | 755 | 705 | 670 | 377 | 220 | 210 | 1128 | 20-26 |
| 700 | 860 | 810 | 775 | 430 | 240 | 210 | 1233 | 24-26 |
| 800 | 975 | 920 | 880 | 487 | 240 | 210 | 1344 | 24-30 |
| 900 | 1075 | 1020 | 980 | 537 | 260 | 320 | 1560 | 24-30 |
| 1000 | 1175 | 1120 | 1080 | 587 | 260 | 320 | 1660 | 28-30 |
| 1200 | 1375 | 1320 | 1280 | 687 | 280 | 320 | 1890 | 32-30 |

