
锟斤拷一锟絣锟斤拷UPVC電勶拷(d锟斤拷ng)锟斤拷锟統
锟統锟絋锟斤拷號(h锟斤拷o)锟斤拷锟斤拷锟絝(shu锟斤拷)锟斤拷
| Q | 3 | 4 | 1 | F | -16 | P |
| 锟統锟絋锟斤拷锟 | 锟斤拷(d锟斤拷ng)锟斤拷锟斤拷式 | 锟紹锟接凤拷式 | 锟統锟絋锟結(ji锟斤拷)锟斤拷(g锟斤拷u) | 锟杰凤拷锟斤拷锟 | 锟斤拷锟絈锟斤拷锟斤拷 | 锟統锟絯锟斤拷锟絴(zh锟斤拷) |
| Q锟斤拷锟斤拷锟統 | 3锟斤拷锟絬輪 | 4锟斤拷锟斤拷锟絤 | 1锟斤拷锟斤拷锟斤拷(d锟斤拷ng)锟斤拷 | F锟斤拷锟斤拷锟侥凤拷锟斤拷烯 | 16锟斤拷1.6MPa | C锟斤拷碳锟 |
| 锟給(w锟斤拷)锟斤拷锟街憋拷 | PPL锟斤拷锟斤拷(du锟斤拷)位锟桔憋拷 | 25锟斤拷2.5MPa | P锟斤拷锟斤拷锟絇锟304 | |||
| H锟斤拷硬锟杰凤拷 | 40锟斤拷4.0MPa | R锟斤拷锟斤拷锟絇锟316 |
锟斤拷 锟街勶拷(d锟斤拷ng)锟斤拷锟絤锟斤拷锟統 锟絘(ch锟斤拷n)品锟斤拷锟絚(di锟斤拷n)
1锟斤拷锟街勶拷(d锟斤拷ng)锟斤拷锟絤锟斤拷锟統锟斤拷锟斤拷锟斤拷锟統锟斤拷锟斤拷锟斤拷锟斤拷锟叫★拷锟揭伙拷N锟斤拷锟絖锟絇(gu锟斤拷n)迅锟劫凤拷锟姐,只要锟斤拷锟絯锟紻(zhu锟斤拷n)锟斤拷(d锟斤拷ng)90锟斤拷锟斤拷锟斤拷锟斤拷全锟絖锟斤拷全锟絇(gu锟斤拷n)锟斤拷(d锟斤拷ng)锟斤拷锟斤拷锟斤拷(sh锟斤拷)锟紽(xi锟斤拷n)锟斤拷锟劫嗭拷锟絔锟斤拷
2锟斤拷锟絧锟斤拷锟杰凤拷锟斤拷锟杰凤拷锟斤拷锟杰猴拷锟斤拷锟統锟斤拷一锟斤拷锟斤拷镁锟斤拷姆锟斤拷锟较╋拷锟斤拷锟锟斤拷锟斤拷锟节革拷锟斤拷(d锟斤拷ng)锟斤拷锟統锟斤拷锟斤拷锟絯锟角革拷锟斤拷(d锟斤拷ng)锟斤拷锟斤拷锟节斤拷锟絴(zh锟斤拷)锟斤拷锟斤拷锟斤拷锟斤拷锟斤拷锟斤拷锟斤拷锟絯锟斤拷锟斤拷锟斤拷诙朔锟斤拷锟絘(ch锟斤拷n)锟斤拷一锟斤拷锟斤拷位锟狡诧拷锟給锟斤拷锟节筹拷锟节端碉拷锟杰凤拷锟斤拷锟斤拷锟斤拷锟斤拷锟斤拷锟杰凤拷锟斤拷锟絊锟斤拷锟斤拷锟絴(zh锟斤拷)锟斤拷锟斤拷锟斤拷锟斤拷锟接讹拷锟斤拷锟斤拷锟斤拷
3锟斤拷锟統锟経锟斤拷锟矫凤拷锟斤拷锟斤拷锟結(ji锟斤拷)锟斤拷(g锟斤拷u)锟絆(sh锟斤拷)計(j锟斤拷)锟斤拷锟斤拷使锟斤拷锟紽(xi锟斤拷n)锟統腔锟斤拷锟斤拷锟斤拷锟斤拷锟皆硷拷锟斤拷锟较夛拷锟終失效锟斤拷r锟斤拷也锟杰憋拷锟紺锟統锟経锟斤拷锟斤拷(hu锟斤拷)锟斤拷锟斤拷锟絴(zh锟斤拷)锟斤拷锟斤拷锟斤拷锟斤拷锟斤拷锟統锟経锟斤拷锟斤拷锟斤拷锟絙锟絆(sh锟斤拷)計(j锟斤拷)锟斤拷锟統锟経锟侥碉拷锟杰凤拷也锟絊锟斤拷锟斤拷锟絴(zh锟斤拷)锟斤拷锟斤拷锟斤拷锟斤拷锟接讹拷锟斤拷锟斤拷锟斤拷
4锟斤拷锟統锟経锟斤拷锟较诧拷锟斤拷V锟斤拷锟杰凤拷Y(ji锟斤拷)锟斤拷(g锟斤拷u)锟斤拷V锟斤拷锟斤拷锟斤拷锟杰夛拷?q锟斤拷)锟斤拷锟斤拷蠅锟斤拷w锟侥夛拷锟給锟斤拷锟斤拷锟斤拷锟絴(zh锟斤拷)锟斤拷锟斤拷效锟斤拷锟紻(zhu锟斤拷n)锟斤拷锟斤拷锟統锟経锟斤拷锟杰凤拷锟斤拷锟斤拷锟斤拷锟斤拷锟統(t锟斤拷ng)锟斤拷锟斤拷锟较夛拷锟絯锟侥烇拷锟斤拷锟较夛拷锟斤拷锟絚锟斤拷锟较夛拷锟阶的冿拷锟絯式锟結(ji锟斤拷)锟斤拷(g锟斤拷u)锟絆(sh锟斤拷)計(j锟斤拷)锟斤拷锟斤拷锟较夛拷锟斤拷锟絚锟斤拷锟较夛拷锟斤拷锟斤拷锟斤拷锟斤拷谓锟斤拷|锟斤拷锟絖锟斤拷锟斤拷锟较夛拷锟絯始锟終锟斤拷直锟斤拷锟斤拷锟斤拷锟斤拷锟较夛拷锟阶冿拷(n锟斤拷i)锟斤拷锟絆(sh锟斤拷)锟斤拷锟剿撅拷锟侥凤拷锟斤拷烯锟絩锟斤拷锟斤拷锟斤拷锟斤拷锟斤拷锟統锟経锟絚锟斤拷锟较夛拷锟阶的诧拷锟斤拷锟絚磨锟絧锟斤拷锟絧小锟斤拷锟統锟絋锟侥诧拷锟斤拷锟斤拷锟斤拷锟斤拷
5锟斤拷锟斤拷锟皆革拷锟斤拷(j锟斤拷)锟酵戯拷要锟斤拷锟絆(sh锟斤拷)锟矫凤拷锟給電結(ji锟斤拷)锟斤拷(g锟斤拷u)锟斤拷通锟絕(gu锟斤拷)锟統锟経使锟斤拷锟絯锟斤拷锟統锟絯之锟絞锟轿筹拷锟給锟酵拷锟斤拷锟斤拷亩锟斤拷蓪锟斤拷锟斤拷w锟絚锟統锟斤拷锟絖锟絇(gu锟斤拷n)锟絕(gu锟斤拷)锟斤拷锟叫產(ch锟斤拷n)锟斤拷锟斤拷锟給锟酵拷^(gu锟斤拷)锟統锟絯锟斤拷锟斤拷锟斤拷锟锟斤拷锟斤拷止锟給電火花匡拷锟斤拷锟斤拷锟斤拷幕锟斤拷(z锟斤拷i)锟斤拷炸危锟経(xi锟斤拷n)锟斤拷
6锟斤拷锟斤拷锟斤拷锟統锟絖锟絇(gu锟斤拷n)只锟斤拷90锟斤拷锟紻(zhu锟斤拷n)锟斤拷(d锟斤拷ng)锟斤拷锟斤拷锟斤拷锟斤拷讓锟(sh锟斤拷)锟紽(xi锟斤拷n)锟皆勶拷(d锟斤拷ng)锟斤拷锟斤拷锟狡猴拷锟絟(yu锟斤拷n)锟斤拷锟絰锟斤拷锟斤拷锟斤拷锟斤拷锟斤拷锟矫氾拷锟(d锟斤拷ng)锟斤拷電勶拷(d锟斤拷ng)锟斤拷锟絙锟矫★拷
锟斤拷 锟街勶拷(d锟斤拷ng)锟斤拷锟絤锟斤拷锟統 锟斤拷要锟斤拷锟斤拷锟斤拷|(zh锟斤拷)
| 锟斤拷锟斤拷锟斤拷Q | 锟斤拷 锟斤拷 |
| 锟統 锟絯 | 锟絋锟锟斤拷锟斤拷锟絇锟304锟斤拷锟斤拷锟絇锟316锟斤拷 |
| 锟斤拷 锟絯 | 2Cr13锟斤拷304锟斤拷316锟斤拷2Cr13+锟紹锟斤拷锟斤拷304+锟紹锟斤拷锟斤拷316+锟紹锟斤拷 |
| 锟斤拷 锟斤拷 圈 | PTFE锟斤拷PPL锟斤拷2Cr13锟斤拷304+锟紹锟斤拷锟斤拷316+锟紹锟斤拷 |
| 锟統 锟経 | 2Cr13锟斤拷304锟斤拷316 |
| 锟斤拷 锟斤拷 | 锟斤拷锟斤拷锟斤拷锟斤拷锟斤拷锟斤拷石墨 |
锟斤拷 锟街勶拷(d锟斤拷ng)锟斤拷锟絤锟斤拷锟統 锟斤拷锟矫橈拷(bi锟斤拷o)锟斤拷(zh锟斤拷n) 锟斤拷锟絙锟斤拷(zh锟斤拷)锟斤拷锟斤拷锟斤拷锟斤拷锟斤拷 锟斤拷锟(d锟斤拷ng)锟斤拷(zh锟斤拷)锟斤拷锟斤拷锟斤拷電勶拷(d锟斤拷ng)锟斤拷(zh锟斤拷)锟斤拷锟斤拷 | ![]() |
锟斤拷 锟街勶拷(d锟斤拷ng)锟斤拷锟絤锟斤拷锟統 锟斤拷要锟斤拷锟絞(sh锟斤拷)锟斤拷锟斤拷(sh锟斤拷)
| 锟斤拷锟絈通锟斤拷 | DN(mm) | 15锟斤拷250 | |||
| 锟斤拷锟絈锟斤拷锟斤拷 | PN(MPa) | 1.6 | 2.5 | 4.0 | 6.4 |
| 試锟(y锟斤拷n)锟斤拷锟斤拷 | 锟斤拷(qi锟斤拷ng)锟斤拷試锟(y锟斤拷n) | 1.76 | 2.75 | 6.0 | 9.6 |
| 锟杰凤拷試锟(y锟斤拷n) | 0.6 | 0.6 | 0.6 | 0.6 | |
| 泄 漏 锟斤拷 | 軟锟杰封:A锟斤拷(j锟斤拷)锟斤拷锟斤拷泄漏锟斤拷 硬锟杰封:D锟斤拷(j锟斤拷)锟斤拷1锟斤拷DNmm3/s锟斤拷 | ||||
| 锟絤锟矫斤拷锟絴(zh锟斤拷) | 水锟斤拷锟斤拷水锟斤拷锟秸氾拷锟斤拷锟斤拷锟斤拷锟斤拷锟斤拷锟絅锟斤拷锟锟斤拷锟斤拷锟锟斤拷锟紸锟锟斤拷锟絵類碉拷锟斤拷 | ||||
| 锟絤锟矫溫讹拷 | 锟斤拷锟侥凤拷锟斤拷烯锟斤拷150锟斤拷锟斤拷锟斤拷(du锟斤拷)位锟桔憋拷锟斤拷300锟斤拷锟斤拷硬锟杰凤拷锟550锟斤拷 | ||||
| 锟(q锟斤拷)锟斤拷(d锟斤拷ng)锟斤拷式 | 锟街憋拷锟斤拷锟絬輪蝸锟経 | ||||

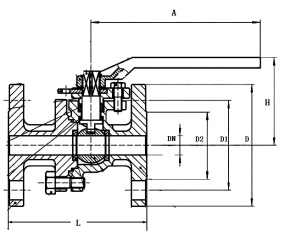
锟斤拷 锟街勶拷(d锟斤拷ng)锟斤拷锟絤锟斤拷锟統 锟紹锟接尺寸(PN16\PN25锟斤拷 锟斤拷位锟斤拷mm
| DN | PN16 | PN25 | L | ||||||||
| D | D1 | L | H | n-d | D | D1 | D2 | H | n-d | ||
| 15 | 95 | 65 | 130 | 59 | 4-14 | 95 | 65 | 46 | 59 | 4-14 | 130 |
| 20 | 105 | 75 | 140 | 63 | 4-14 | 105 | 75 | 56 | 63 | 4-14 | 140 |
| 25 | 115 | 85 | 150 | 75 | 4-14 | 115 | 85 | 65 | 75 | 4-14 | 150 |
| 32 | 135 | 100 | 165 | 87 | 4-18 | 135 | 100 | 76 | 87 | 4-18 | 165 |
| 40 | 145 | 110 | 180 | 97 | 4-18 | 145 | 110 | 84 | 97 | 4-18 | 180 |
| 50 | 165 | 125 | 200 | 107 | 4-18 | 165 | 125 | 99 | 107 | 4-18 | 200 |
| 65 | 185 | 145 | 220 | 142 | 4-18 | 185 | 145 | 118 | 142 | 8-18 | 220 |
| 80 | 200 | 160 | 250 | 152 | 8-18 | 200 | 160 | 132 | 152 | 8-18 | 250 |
| 100 | 220 | 180 | 280 | 178 | 8-18 | 235 | 190 | 156 | 178 | 8-23 | 280 |
| 125 | 250 | 210 | 320 | 252 | 8-18 | 270 | 220 | 184 | 252 | 8-27 | 320 |
| 150 | 285 | 240 | 360 | 272 | 8-23 | 300 | 250 | 211 | 272 | 8-27 | 360 |
| 200 | 340 | 295 | 400 | 342 | 12-23 | 360 | 310 | 274 | 342 | 12-27 | 400 |
| 250 | 405 | 355 | 450 | 345 | 12-23 | 425 | 370 | 330 | 345 | 12-30 | 450 |
| DN | PN40 | PN64 | H | ||||||||
| D | D1 | D2 | L | n-d | D | D1 | D2 | L | n-d | ||
| 15 | 95 | 65 | 46 | 130 | 4-14 | 105 | 75 | 55 | 165 | 4-14 | 59 |
| 20 | 105 | 75 | 56 | 140 | 4-14 | 130 | 90 | 68 | 190 | 4-18 | 63 |
| 25 | 115 | 85 | 65 | 150 | 4-14 | 140 | 100 | 78 | 216 | 4-18 | 75 |
| 32 | 135 | 100 | 76 | 165 | 4-18 | 155 | 110 | 82 | 229 | 4-23 | 87 |
| 40 | 145 | 110 | 84 | 180 | 4-18 | 170 | 125 | 95 | 241 | 4-23 | 97 |
| 50 | 165 | 125 | 99 | 200 | 4-18 | 180 | 135 | 105 | 292 | 4-23 | 107 |
| 65 | 185 | 145 | 118 | 220 | 8-18 | 205 | 160 | 130 | 330 | 8-23 | 142 |
| 80 | 200 | 160 | 132 | 250 | 8-18 | 215 | 170 | 140 | 356 | 8-23 | 152 |
| 100 | 235 | 190 | 156 | 280 | 8-23 | 250 | 200 | 168 | 432 | 8-26 | 178 |
| 125 | 270 | 220 | 184 | 320 | 8-27 | 295 | 240 | 202 | 508 | 8-30 | 252 |
| 150 | 300 | 250 | 211 | 360 | 8-27 | 345 | 280 | 240 | 559 | 8-34 | 272 |
| 200 | 375 | 320 | 284 | 400 | 12-30 | 415 | 345 | 300 | 660 | 12-36 | 342 |
