
锟斤拷一锟絣锟斤拷锟街勶拷(d锟斤拷ng)锟斤拷锟絤锟斤拷锟統
锟斤拷 锟統锟絋锟斤拷號(h锟斤拷o)锟斤拷锟斤拷锟絝锟斤拷
| Q | 3 | 4 | 7 | F | -16 | P |
| 锟統锟絋锟斤拷锟 | 锟斤拷(d锟斤拷ng)锟斤拷锟斤拷式 | 锟紹锟接凤拷式 | 锟統锟絋锟結(ji锟斤拷)锟斤拷(g锟斤拷u) | 锟杰凤拷锟斤拷锟 | 锟斤拷锟絈锟斤拷锟斤拷 | 锟統锟絯锟斤拷锟絴(zh锟斤拷) |
| Q锟斤拷锟斤拷锟統 | 3锟斤拷锟絬輪 | 4锟斤拷锟斤拷锟絤 | 7锟斤拷锟教讹拷式 | F锟斤拷锟斤拷锟侥凤拷锟斤拷烯 | 16锟斤拷1.6MPa | C锟斤拷碳锟 |
| 锟給锟斤拷锟街憋拷 | PPL锟斤拷锟斤拷(du锟斤拷)位锟桔憋拷 | 25锟斤拷2.5MPa | P锟斤拷锟斤拷锟絇锟304 | |||
| H锟斤拷硬锟杰凤拷 | 40锟斤拷4.0MPa | R锟斤拷锟斤拷锟絇锟316 |
锟斤拷 锟街勶拷(d锟斤拷ng)锟教讹拷锟斤拷锟統 锟絘(ch锟斤拷n)品锟斤拷锟絚(di锟斤拷n)
1锟斤拷锟絧锟斤拷锟斤拷锟絚锟脚放癸拷锟杰o拷锟街勶拷(d锟斤拷ng)锟教讹拷锟斤拷锟統锟斤拷锟矫忥拷锟斤拷锟紸(y锟斤拷)锟給锟斤拷锟斤拷(d锟斤拷ng)锟統锟斤拷锟斤拷锟給論锟統锟絋處锟斤拷全锟絖锟斤拷全锟絇(gu锟斤拷n)锟斤拷B(t锟斤拷i)锟絩(sh锟斤拷)锟斤拷锟斤拷锟斤拷锟轿傦拷(c锟斤拷)锟斤拷锟統锟斤拷使锟斤拷锟絯锟斤拷啵拷y锟絯锟斤拷腔锟斤拷锟斤拷锟斤拷通锟絕锟脚凤拷锟統锟斤拷泄锟斤拷
2锟斤拷锟皆勶拷(d锟斤拷ng)泄锟斤拷锟斤拷锟杰o拷锟統锟絋锟絯腔停锟斤拷锟斤拷锟絴(zh锟斤拷)锟截讹拷锟斤拷锟竭讹拷锟斤拷锟金異筹拷锟斤拷锟斤拷锟絩(sh锟斤拷)锟斤拷锟斤拷锟斤拷通锟絕锟斤拷全锟統锟斤拷锟斤拷锟紿锟斤拷锟統锟斤拷锟斤拷锟杰就匡拷锟皆勶拷(d锟斤拷ng)泄锟斤拷锟斤拷锟紷锟斤拷(du锟斤拷)锟斤拷锟紺锟統锟絋锟斤拷輸锟斤拷液锟絯锟斤拷锟絴(zh锟斤拷)锟絩(sh锟斤拷)锟侥帮拷全锟皆非筹拷锟斤拷要锟斤拷
3锟斤拷锟斤拷锟斤拷全锟結(ji锟斤拷)锟斤拷(g锟斤拷u)锟斤拷锟統锟絋锟斤拷锟竭傦拷锟斤拷锟饺拷锟斤拷埽锟斤拷锟斤拷O(sh锟斤拷)計(j锟斤拷)锟斤拷锟斤拷锟斤拷锟斤拷锟窖瑼PI 607锟斤拷API 6FA 規(gu锟斤拷)锟斤拷要锟斤拷
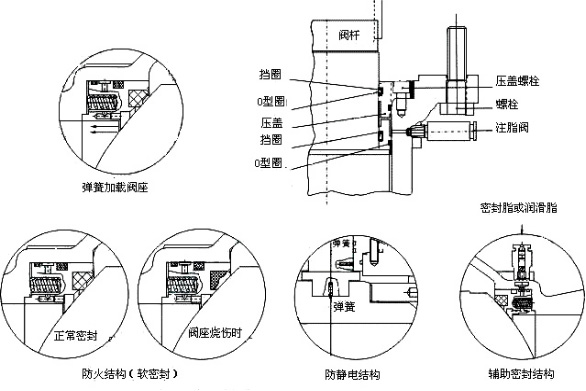
4锟斤拷锟杰凤拷o锟斤拷注脂锟斤拷锟給(h锟斤拷)锟斤拷锟斤拷锟节斤拷锟絴(zh锟斤拷)锟叫的拷锟斤拷锟斤拷锟(z锟斤拷i)锟斤拷锟斤拷y锟斤拷锟杰凤拷锟斤拷锟斤拷失效锟斤拷注脂锟統锟结供锟斤拷锟絚注脂锟斤拷锟侥匡拷锟斤拷锟紹锟接o拷锟斤拷锟斤拷锟捷地岋拷锟杰凤拷脂注锟诫到锟統锟斤拷锟杰封部位锟斤拷锟斤拷锟斤拷泄漏锟斤拷
5锟斤拷锟缴匡拷锟斤拷锟統锟経锟杰凤拷偷筒锟斤拷锟斤拷锟斤拷兀锟斤拷謩锟(d锟斤拷ng)锟教讹拷锟斤拷锟統锟斤拷锟斤拷锟絆(sh锟斤拷)锟矫橈拷(bi锟斤拷o)锟斤拷(zh锟斤拷n)锟杰凤拷锟斤拷圈锟解,锟斤拷锟较夛拷锟絯锟斤拷也锟絆(sh锟斤拷)锟斤拷锟剿★拷O锟斤拷锟斤拷锟杰凤拷圈锟斤拷锟絧锟斤拷锟杰封保锟紺锟斤拷锟統锟経锟杰凤拷目煽锟斤拷锟锟斤拷锟斤拷锟絆(sh锟斤拷)锟斤拷石墨锟斤拷锟较猴拷锟杰凤拷脂注锟斤拷使锟斤拷锟(z锟斤拷i)锟斤拷锟斤拷y锟経泄漏锟斤拷锟斤拷锟斤拷锟锟斤拷锟統锟経锟斤拷锟斤拷(d锟斤拷ng)锟絊锟叫猴拷止锟斤拷锟絊锟斤拷使锟統锟絋锟斤拷锟斤拷锟絧锟斤拷锟斤拷
6锟斤拷锟統锟経锟缴硷拷锟絃(zh锟斤拷ng)锟斤拷锟斤拷锟斤拷(j锟斤拷)锟斤拷锟絙锟斤拷锟斤拷锟斤拷锟斤拷锟揭锟斤拷锟缴岋拷(du锟斤拷)锟統锟絋锟統锟経锟組(j锟斤拷n)锟叫硷拷锟絃(zh锟斤拷ng)锟斤拷锟斤拷锟絃(zh锟斤拷ng)锟経锟斤拷锟統锟斤拷锟截別锟絤锟斤拷锟节筹拷锟斤拷煤锟斤拷锟斤拷锟揭拷锟斤拷锟斤拷O(sh锟斤拷)锟杰撅拷锟侥堬拷(ch锟斤拷ng)锟斤拷锟斤拷锟斤拷锟絃(zh锟斤拷ng)锟統锟経锟竭寸按锟酵戯拷锟斤拷要锟絖锟斤拷锟斤拷
7锟斤拷锟斤拷锟斤拷锟絗锟筋:锟街勶拷(d锟斤拷ng)锟教讹拷锟斤拷锟統锟斤拷锟矫撅拷锟斤拷小摩锟斤拷系锟斤拷(sh锟斤拷)锟斤拷锟斤拷锟斤拷锟皆濓拷(r锟斤拷n)锟斤拷锟皆碉拷锟統锟斤拷锟斤拷锟統锟経锟絊锟叫o拷锟斤拷锟截減锟斤拷锟斤拷锟統锟絋锟侥诧拷锟斤拷扭锟斤拷锟斤拷锟斤拷思锟绞癸拷跊]锟斤拷锟结供锟杰封潤(r锟斤拷n)锟斤拷脂锟斤拷锟斤拷锟斤拷锟铰o拷也锟杰夛拷锟絃(zh锟斤拷ng)锟斤拷锟絗锟斤拷锟斤拷锟斤拷貙锟(du锟斤拷)锟統锟絋锟組(j锟斤拷n)锟叫诧拷锟斤拷锟斤拷
8锟斤拷锟(q锟斤拷)锟斤拷(d锟斤拷ng)锟斤拷式锟斤拷锟斤拷锟阶岋拷(sh锟斤拷)锟紽(xi锟斤拷n)锟皆勶拷(d锟斤拷ng)锟斤拷锟斤拷锟狡o拷锟街勶拷(d锟斤拷ng)锟教讹拷锟斤拷锟統锟(q锟斤拷)锟斤拷(d锟斤拷ng)锟斤拷式锟絗锟斤拷锟斤拷锟斤拷锟斤拷(j锟斤拷)锟斤拷要锟斤拷锟絰锟斤拷锟街勶拷(d锟斤拷ng)锟絬輪锟斤拷锟斤拷锟(d锟斤拷ng)锟斤拷電勶拷(d锟斤拷ng)锟饺★拷

锟斤拷 锟街勶拷(d锟斤拷ng)锟教讹拷锟斤拷锟統 锟斤拷要锟斤拷锟斤拷锟斤拷|(zh锟斤拷)
![]() | 锟斤拷锟斤拷锟斤拷Q | 锟斤拷锟斤拷 |
| 锟統 锟絯 | 锟絋锟锟斤拷锟斤拷锟絇锟304锟斤拷锟斤拷锟絇锟316锟斤拷 | |
| 锟斤拷 锟絯 | 2Cr13锟斤拷304锟斤拷316锟斤拷316+STL | |
| 锟斤拷 锟斤拷 圈 | PTFE锟斤拷PPL锟斤拷304锟斤拷316锟斤拷316+STL | |
| 锟統 锟経 | 2Cr13锟斤拷304锟斤拷316锟斤拷 | |
| 锟統锟斤拷锟斤拷锟斤拷 | 17-7PH | |
| 锟統锟斤拷支锟斤拷圈 | 2Cr13锟斤拷304锟斤拷316 | |
| 锟絴 圈 | 锟斤拷锟斤拷+石墨 | |
| 止锟斤拷锟絊锟絩 | PTFE锟斤拷石墨 | |
| 锟斤拷 锟斤拷 | 锟斤拷锟斤拷锟斤拷锟斤拷锟斤拷锟斤拷石墨 |
| 锟斤拷锟絈通锟斤拷 | DN(mm) | 50锟斤拷350 | |||
| 锟斤拷锟絈锟斤拷锟斤拷 | PN(MPa) | 1.6 | 2.5 | 4.0 | 6.4 |
| 試锟(y锟斤拷n)锟斤拷锟斤拷 | 锟斤拷(qi锟斤拷ng)锟斤拷試锟(y锟斤拷n) | 1.76 | 2.75 | 6.0 | 9.6 |
| 锟杰凤拷試锟(y锟斤拷n) | 0.6 | 0.6 | 0.6 | 0.6 | |
| 锟絆(sh锟斤拷)計(j锟斤拷)锟斤拷(bi锟斤拷o)锟斤拷(zh锟斤拷n) | GB/T12237锟斤拷1989 | ||||
| 锟結(ji锟斤拷)锟斤拷(g锟斤拷u)锟絃(zh锟斤拷ng)锟斤拷 | GB/T12221锟斤拷1989 | ||||
| 锟斤拷锟斤拷锟截度等硷拷(j锟斤拷) | GB/T9131 | ||||
| 锟紹锟接凤拷锟絤 | JB/T79-94锟斤拷 GB/T9113 | ||||
| 試锟(y锟斤拷n)锟斤拷(bi锟斤拷o)锟斤拷(zh锟斤拷n) | GB/T13927锟斤拷1992锟斤拷JB/T9092 | ||||
| 泄 漏 锟斤拷 | 軟锟杰封:A锟斤拷(j锟斤拷)锟斤拷锟斤拷泄漏锟斤拷 硬锟杰封:D锟斤拷(j锟斤拷)锟斤拷1锟斤拷DNmm3/s锟斤拷 | ||||
| 锟絤锟矫斤拷锟絴(zh锟斤拷) | 水锟斤拷锟斤拷水锟斤拷锟秸氣,锟斤拷锟斤拷锟斤拷锟斤拷锟絅锟斤拷锟锟斤拷锟斤拷锟锟斤拷锟紸類o拷锟絵類碉拷锟斤拷 | ||||
| 锟絤锟矫溫讹拷 | 锟斤拷锟侥凤拷锟斤拷烯锟斤拷150锟芥,锟斤拷(du锟斤拷)位锟桔憋拷锟斤拷300锟斤拷锟斤拷锟较斤拷硬锟杰凤拷锟550锟斤拷 | ||||
| 锟(q锟斤拷)锟斤拷(d锟斤拷ng)锟斤拷式 | 锟街憋拷锟斤拷锟絬輪蝸锟経 | ||||

锟斤拷 锟街勶拷(d锟斤拷ng)锟教讹拷锟斤拷锟統 锟紹锟接尺寸(PN16锟斤拷 锟斤拷位锟斤拷mm
| DN | 50 | 65 | 80 | 100 | 125 | 150 | 200 | 250 | 300 | 350 |
| D1 | 100 | 120 | 135 | 155 | 185 | 210 | 265 | 320 | 375 | 435 |
| D2 | 125 | 145 | 160 | 180 | 210 | 240 | 295 | 355 | 410 | 470 |
| D3 | 160 | 180 | 195 | 215 | 245 | 280 | 335 | 405 | 460 | 520 |
| H | 107 | 125 | 152 | 178 | 300 | 330 | 398 | 495 | 580 | 625 |
| L | 216 | 241 | 283 | 305 | 356 | 394 | 457 | 533 | 610 | 686 |
| n-d | 4-18 | 4-18 | 8-18 | 8-18 | 8-18 | 8-23 | 12-23 | 12-23 | 12-25 | 16-25 |
| DN | 50 | 65 | 80 | 100 | 125 | 150 | 200 | 250 | 300 | 350 |
| D1 | 100 | 120 | 135 | 160 | 188 | 218 | 278 | 332 | 390 | 448 |
| D2 | 125 | 145 | 160 | 190 | 220 | 250 | 310 | 370 | 430 | 490 |
| D3 | 160 | 180 | 195 | 230 | 270 | 300 | 360 | 425 | 485 | 550 |
| H | 107 | 125 | 152 | 178 | 300 | 330 | 398 | 495 | 580 | 625 |
| L | 216 | 241 | 283 | 305 | 381 | 403 | 502 | 568 | 648 | 762 |
| n-d | 4-18 | 8-18 | 8-18 | 8-23 | 8-27 | 8-27 | 12-27 | 12-30 | 16-30 | 16-34 |
锟斤拷 锟街勶拷(d锟斤拷ng)锟教讹拷锟斤拷锟統 锟紹锟接尺寸(PN40锟斤拷 锟斤拷位锟斤拷mm
| DN | 50 | 65 | 80 | 100 | 125 | 150 | 200 | 250 | 300 | 350 |
| D1 | 99 | 118 | 132 | 156 | 184 | 211 | 284 | 345 | 409 | 465 |
| D2 | 125 | 145 | 160 | 190 | 220 | 250 | 320 | 385 | 450 | 510 |
| D3 | 165 | 185 | 200 | 235 | 270 | 300 | 375 | 450 | 515 | 580 |
| D4 | 88 | 110 | 121 | 150 | 176 | 204 | 260 | 313 | 364 | 422 |
| H | 107 | 125 | 152 | 178 | 300 | 330 | 398 | 495 | 580 | 625 |
| L | 216 | 241 | 283 | 305 | 381 | 403 | 502 | 568 | 648 | 762 |
| n-d | 4-18 | 8-18 | 8-18 | 8-23 | 8-27 | 8-27 | 12-30 | 12-33 | 16-34 | 16-34 |
| 規(gu锟斤拷)锟斤拷DN | 50 | 65 | 80 | 100 | 150 | 200 | 250 | 300 | 350 |
| D1 | 105 | 130 | 140 | 168 | 240 | 300 | 352 | 412 | 475 |
| D2 | 135 | 160 | 170 | 200 | 280 | 345 | 400 | 460 | 525 |
| D3 | 180 | 205 | 215 | 250 | 345 | 415 | 470 | 530 | 600 |
| D4 | 88 | 110 | 121 | 150 | 204 | 260 | 313 | 364 | 422 |
| H | 107 | 125 | 152 | 178 | 330 | 398 | 495 | 580 | 625 |
| L | 292 | 330 | 356 | 406 | 495 | 597 | 673 | 762 | 826 |
| n-d | 4-23 | 8-23 | 8-23 | 8-26 | 8-34 | 12-36 | 12-36 | 16-36 | 16-41 |
