锟斤拷一锟絣锟斤拷锟街動固讹拷锟斤拷锟統
锟統锟絋锟斤拷號锟斤拷锟斤拷锟絝锟斤拷
| Q | 3 | 4 | 1 | F46 | -16 | P |
| 锟統锟絋锟斤拷锟 | 锟斤拷锟斤拷锟斤拷式 | 锟紹锟接凤拷式 | 锟統锟絋锟結锟斤拷 | 锟杰凤拷锟斤拷锟 | 锟斤拷锟絈锟斤拷锟斤拷 | 锟統锟絯锟斤拷锟絴 |
| Q锟斤拷锟斤拷锟統 | 3锟斤拷锟絬輪 | 4锟斤拷锟斤拷锟絤 | 1锟斤拷锟斤拷锟斤拷锟斤拷 | F46锟斤拷F46 | 16锟斤拷1.6MPa | C锟斤拷碳锟 |
| 锟給锟斤拷锟街憋拷 | 25锟斤拷2.5MPa | P锟斤拷锟斤拷锟絇锟304 | ||||
| R锟斤拷锟斤拷锟絇锟316 |
锟斤拷锟街勶拷锟絩锟斤拷锟斤拷锟統 锟絘品锟斤拷锟絚
锟饺堿锟斤拷锟矫凤拷锟斤拷锟斤拷锟街勶拷锟絩锟斤拷锟斤拷锟統锟斤拷锟斤拷系锟叫烇拷Q41F46锟斤拷锟斤拷锟斤拷锟斤拷锟斤拷一锟斤拷锟斤拷锟統锟斤拷锟斤拷锟叫碉拷锟斤拷锟絯锟斤拷锟斤拷小锟斤拷锟斤拷锟絔锟劫度匡拷锟斤拷锟結锟斤拷锟給锟斤拷锟斤拷锟斤拷锟絚锟解,還锟竭傦拷锟斤拷锟铰冿拷(y锟斤拷u)锟絚锟斤拷
1锟斤拷锟斤拷锟斤拷F46锟絩锟斤拷拥锟斤拷锟斤拷y锟斤拷锟斤拷锟叫極锟竭的伙拷锟絎锟斤拷(w锟斤拷n)锟斤拷锟斤拷锟斤拷锟絍锟斤拷锟絤锟斤拷锟节革拷锟絅锟斤拷锟斤拷锟絞锟皆斤拷锟絴锟斤拷
2锟斤拷锟斤拷锟斤拷全通锟斤拷锟斤拷锟斤拷锟斤拷锟斤拷Y锟斤拷锟斤拷锟統锟絋锟斤拷锟斤拷锟斤拷锟斤拷锟斤拷锟斤拷锟斤拷锟斤拷锟斤拷锟組锟叫無泄漏锟絇锟絔锟斤拷锟斤拷锟斤拷锟节癸拷路系锟統(t锟斤拷ng)锟斤拷锟斤拷洗锟斤拷锟竭和癸拷路锟絊锟給锟斤拷
3锟斤拷锟斤拷锟絔锟斤拷锟斤拷锟斤拷c锟統锟経锟斤拷一锟絯式锟斤拷锟脚絕锟斤拷锟斤拷锟节夛拷锟斤拷變锟斤拷锟斤拷锟斤拷锟統锟経锟絖锟斤拷锟叫夛拷锟斤拷锟侥匡拷锟斤拷锟斤拷锟斤拷锟斤拷全锟斤拷锟紺使锟矫帮拷全锟缴匡拷锟斤拷
4锟斤拷锟斤拷通锟斤拷e锟斤拷锟統锟絯锟斤拷腔锟斤拷锟絞锟斤拷小锟斤拷锟絧锟斤拷锟剿斤拷锟絴锟斤拷锟斤拷锟斤拷锟斤拷锟斤拷锟斤拷锟斤拷锟斤拷锟侥o拷锟斤拷锟剿锟斤拷使锟杰凤拷锟斤拷锟斤拷锟杰讹拷锟斤拷锟斤拷锟斤拷锟斤拷锟斤拷锟紽平锟斤拷锟杰凤拷圈锟組锟斤拷锟斤拷锟缴匡拷锟斤拷锟紺锟杰凤拷锟斤拷锟斤拷锟斤拷
锟斤拷锟街勶拷锟絩锟斤拷锟斤拷锟統 锟斤拷要锟斤拷锟斤拷锟斤拷|
| 锟斤拷锟斤拷锟斤拷Q | 锟斤拷 锟斤拷 |
| 锟統 锟絯 | WCB+ 锟斤拷锟絩F46锟斤拷锟斤拷全锟斤拷锟揭憋拷锟锟斤拷锟 |
| 锟斤拷 锟絯 | 304+ F46锟斤拷锟斤拷全锟斤拷锟揭憋拷锟锟斤拷锟 |
| 锟斤拷 锟斤拷 圈 | F46锟斤拷锟斤拷全锟斤拷锟揭憋拷锟锟斤拷锟 |
| 锟統 锟経 | 2Cr13锟斤拷CF8锟斤拷CF8M |
| 锟斤拷 锟斤拷 | PTFE锟斤拷石墨 |
| 锟斤拷锟絈通锟斤拷 | DN(mm) | 15锟斤拷250 | |
| 锟斤拷锟絈锟斤拷锟斤拷 | PN(MPa) | 1.6 | 2.5 |
| 試驗壓锟斤拷 | 锟斤拷锟斤拷試锟 | 1.76 | 2.75 |
| 锟杰凤拷試锟 | 0.6 | 0.6 | |
| 泄 漏 锟斤拷 | A锟斤拷锟斤拷锟斤拷泄漏锟斤拷 | ||
| 锟紹锟接凤拷式 | 锟斤拷 锟絤 | ||
| 锟絆計锟剿滐拷 | GB锟斤拷T12237-1989 | ||
| 锟斤拷锟絤锟紹锟接尺达拷 | GB锟斤拷T9113.1-2000锟斤拷JB/T79-94锟斤拷HG20592-1997 | ||
| 锟結锟斤拷锟絃锟斤拷 | GB锟斤拷T12221-2005锟斤拷ISO 5752/EN558-1 | ||
| 锟斤拷锟斤拷锟截讹拷锟絶锟斤拷值 | GB/T12224-2007锟斤拷ASME B16.34-2003锟斤拷ISO 7005-1 | ||
| 锟斤拷锟斤拷試锟 | GB锟斤拷T 13927锟斤拷JB/T9092-1999 | ||
| 锟絤锟矫斤拷锟絴 | 锟絤锟斤拷锟节濓拷锟斤拷锟斤拷锟斤拷锟絵锟斤拷锟斤拷锟斤拷锟斤拷锟斤拷锟斤拷锟斤拷锟锟斤拷锟斤拷水锟斤拷锟斤拷锟絅锟叫機锟结、锟斤拷锟斤拷锟斤拷锟斤拷锟斤拷锟皆斤拷锟絴锟斤拷邷锟较╋拷锟斤拷锟锟斤拷锟竭溫濓拷锟斤拷锟锟斤拷锟斤拷A锟斤拷锟芥及锟斤拷N锟叫機锟杰勶拷锟斤拷锟斤拷锟斤拷锟斤拷锟斤拷锟絞锟皆斤拷锟絴锟斤拷 | ||
| 锟絤锟矫溫讹拷 | 锟斤拷150锟斤拷 | ||
| 锟接凤拷式 | 锟街憋拷锟斤拷锟絬輪蝸锟経 | ||

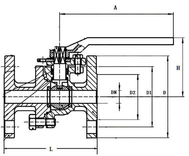
锟斤拷锟街勶拷锟絩锟斤拷锟斤拷锟統 锟紹锟接尺寸(PN16\PN25锟斤拷 锟斤拷位锟斤拷mm
| DN | PN16 | PN25 | L | ||||||||
| D | D1 | L | H | n-d | D | D1 | D2 | H | n-d | ||
| 15 | 95 | 65 | 130 | 59 | 4-14 | 95 | 65 | 46 | 59 | 4-14 | 130 |
| 20 | 105 | 75 | 140 | 63 | 4-14 | 105 | 75 | 56 | 63 | 4-14 | 140 |
| 25 | 115 | 85 | 150 | 75 | 4-14 | 115 | 85 | 65 | 75 | 4-14 | 150 |
| 32 | 135 | 100 | 165 | 87 | 4-18 | 135 | 100 | 76 | 87 | 4-18 | 165 |
| 40 | 145 | 110 | 180 | 97 | 4-18 | 145 | 110 | 84 | 97 | 4-18 | 180 |
| 50 | 165 | 125 | 200 | 107 | 4-18 | 165 | 125 | 99 | 107 | 4-18 | 200 |
| 65 | 185 | 145 | 220 | 142 | 4-18 | 185 | 145 | 118 | 142 | 8-18 | 220 |
| 80 | 200 | 160 | 250 | 152 | 8-18 | 200 | 160 | 132 | 152 | 8-18 | 250 |
| 100 | 220 | 180 | 280 | 178 | 8-18 | 235 | 190 | 156 | 178 | 8-23 | 280 |
| 125 | 250 | 210 | 320 | 252 | 8-18 | 270 | 220 | 184 | 252 | 8-27 | 320 |
| 150 | 285 | 240 | 360 | 272 | 8-23 | 300 | 250 | 211 | 272 | 8-27 | 360 |
| 200 | 340 | 295 | 400 | 342 | 12-23 | 360 | 310 | 274 | 342 | 12-27 | 400 |
| 250 | 405 | 355 | 450 | 345 | 12-23 | 425 | 370 | 330 | 345 | 12-30 | 450 |
