锟斤拷一锟絣锟斤拷锟斤拷锟斤拷{(di锟斤拷o)锟斤拷(ji锟斤拷)锟斤拷锟統
锟斤拷 锟統锟絋锟斤拷號锟斤拷锟斤拷锟絝锟斤拷
T | D | 6 | 7 | 1 | X | -10 | S |
锟斤拷锟狡凤拷式 | 锟統锟絋锟斤拷锟 | 锟斤拷锟斤拷锟斤拷式 | 锟紹锟接凤拷式 | 锟統锟絋锟結(ji锟斤拷)锟斤拷(g锟斤拷u) | 锟杰凤拷锟斤拷锟 | 锟斤拷锟絈锟斤拷锟斤拷 | 锟統锟絯锟斤拷锟絴(zh锟斤拷) |
T锟斤拷锟絳(di锟斤拷o)锟斤拷(ji锟斤拷)锟斤拷 | D锟斤拷锟斤拷锟統 | 6锟斤拷锟斤拷锟 | 7锟斤拷锟斤拷锟紸 | 1锟斤拷锟叫撅拷 | X锟斤拷锟斤拷锟絲 | 10锟斤拷1.0MPa | S锟斤拷UPVC |
锟絖锟絇(gu锟斤拷n)省锟斤拷 |
|
|
|
|
| 6锟斤拷0.6MPa |
|
锟斤拷 UPVC锟斤拷拥锟斤拷y 锟絘(ch锟斤拷n)品锟斤拷锟絚(di锟斤拷n)
UPVC锟斤拷拥锟斤拷y锟斤拷锟斤拷锟絧锟斤拷锟酵革拷锟絞锟皆忥拷(qi锟斤拷ng)锟斤拷锟斤拷锟斤拷(y锟斤拷ng)锟斤拷锟节讹拷锟斤拷(g锟斤拷)锟絀(l锟斤拷ng)锟斤拷锟斤拷锟斤拷一锟姐純水锟斤拷锟斤拷锟剿拷墓锟铰废碉拷y(t锟斤拷ng)锟斤拷锟斤拷水锟斤拷锟斤拷水锟斤拷路系锟統(t锟斤拷ng)锟斤拷锟斤拷水锟斤拷锟斤拷水锟斤拷路系锟統(t锟斤拷ng)锟斤拷锟絵水锟酵猴拷水锟斤拷路系锟統(t锟斤拷ng)锟斤拷锟斤拷A锟酵伙拷锟絎(xu锟斤拷)锟斤拷液系锟統(t锟斤拷ng)锟饺讹拷锟斤拷(g锟斤拷)锟叫業(y锟斤拷)锟斤拷品锟絴(zh锟斤拷)锟矫碉拷锟絍锟斤拷锟矫戯拷锟斤拷锟絁(r锟斤拷n)锟斤拷.
1.使锟矫溫度凤拷锟斤拷锟絍锟斤拷-20锟斤拷~+80锟斤拷
2.锟斤拷锟叫極锟窖的忥拷(qi锟斤拷ng)锟饺猴拷锟絞锟斤拷
3.锟斤拷锟叫冿拷(y锟斤拷u)锟斤拷锟斤拷锟酵伙拷锟絎(xu锟斤拷)锟斤拷锟絞锟斤拷锟斤拷
4.锟斤拷燃锟斤拷锟杰烇拷锟斤拷熄锟斤拷
5.锟斤拷?z锟斤拷)锟斤拷锟?d锟斤拷o)锟斤拷锟斤拷锟斤拷锟絪锟斤拷鋼材碉拷1/200
6.锟斤拷锟絴(zh锟斤拷)锟斤拷锟斤拷锟絰锟接猴拷锟斤拷锟絖(d锟斤拷)锟斤拷锟斤拷水锟斤拷(bi锟斤拷o)锟斤拷(zh锟斤拷n)
7.锟絣(w锟斤拷i)锟斤拷指锟斤拷(bi锟斤拷o)锟斤拷锟较囷拷锟斤拷锟絣(w锟斤拷i)锟斤拷锟斤拷(bi锟斤拷o)锟斤拷(zh锟斤拷n)要锟斤拷
8.锟杰憋拷平锟斤拷锟解滑锟斤拷輸锟斤拷锟斤拷锟絯锟絩(sh锟斤拷)锟斤拷锟斤拷锟絕小锟斤拷摩锟斤拷锟斤拷锟斤拷锟酵革拷锟斤拷锟斤拷
9.锟斤拷锟斤拷锟絧锟斤拷锟洁當(d锟斤拷ng)锟斤拷鋼管碉拷1/5锟斤拷锟絶锟杰碉拷1/6
10.锟斤拷锟絙锟斤拷锟斤拷锟斤拷锟缴诧拷锟矫凤拷锟絤锟斤拷锟捷紋锟斤拷锟斤拷锟斤拷确锟绞斤拷B锟斤拷
11.锟斤拷(y锟斤拷u)锟斤拷锟侥匡拷锟较伙拷锟酵匡拷锟斤拷锟解線锟斤拷锟斤拷锟斤拷使锟斤拷锟斤拷使锟矫夛拷锟斤拷锟斤拷锟斤拷锟斤拷锟杰碉拷系锟統(t锟斤拷ng)锟斤拷锟叫很达拷锟斤拷锟斤拷L
锟斤拷 UPVC锟斤拷拥锟斤拷y 锟絘(ch锟斤拷n)品锟斤拷途锟斤拷
UPVC锟斤拷拥锟斤拷y锟斤拷锟介工锟絀(y锟斤拷)锟皆動伙拷锟斤拷锟斤拷系锟統(t锟斤拷ng)锟叫碉拷锟斤拷要锟斤拷(zh锟斤拷)锟叫機(j锟斤拷)锟斤拷(g锟斤拷u)锟斤拷锟斤拷锟絟(yu锟斤拷n)锟斤拷锟絰锟斤拷锟叫匡拷锟斤拷锟杰滿锟斤拷計(j锟斤拷)锟斤拷C(j锟斤拷)锟教控碉拷锟斤拷要锟斤拷锟斤拷锟斤拷锟绞拷突锟斤拷锟斤拷锟饺?x锟斤拷)锟斤拷O(sh锟斤拷)锟斤拷锟斤拷锟剿癸拷锟絀(y锟斤拷)锟斤拷锟斤拷锟斤拷b锟斤拷锟斤拷锟絟(hu锟斤拷n)锟斤拷水處锟斤拷锟斤拷暖通锟斤拷锟絳(di锟斤拷o)锟斤拷锟斤拷F冶锟斤拷锟斤拷锟斤拷锟絀(y锟斤拷)锟紾锟絫锟斤拷锟斤拷锟絙锟絆(sh锟斤拷)锟戒、釀撅拷锟絆(sh锟斤拷)锟斤拷锟斤拷锟斤拷锟斤拷锟絆(sh锟斤拷)锟斤拷锟斤拷锟斤拷锟斤拷O(sh锟斤拷)锟斤拷锟斤拷锟斤拷锟斤拷處锟斤拷锟斤拷锟斤拷锟斤拷锟斤拷藥锟斤拷食品锟紺(j锟斤拷)械锟斤拷锟斤拷锟斤拷印染锟斤拷锟届紙锟斤拷锟叫業(y锟斤拷)锟叫得碉拷锟絍锟斤拷锟斤拷使锟斤拷锟斤拷也锟角囷拷锟斤拷锟斤拷锟絆(sh锟斤拷)锟斤拷锟狡硷拷 锟斤拷锟絆(sh锟斤拷)锟斤拷锟斤拷锟絰锟絘(ch锟斤拷n)品锟斤拷
锟斤拷 UPVC锟斤拷拥锟斤拷y 锟斤拷锟絞(sh锟斤拷)锟斤拷锟斤拷(sh锟斤拷)
锟斤拷锟絈通锟斤拷 | DN(mm) | 40锟斤拷600 | |||
锟斤拷锟絈锟斤拷锟斤拷 | PN(MPa) | 1.0 | |||
泄 漏 锟斤拷 | A锟斤拷锟斤拷锟斤拷泄漏锟斤拷 | ||||
锟紹锟接凤拷式 | 锟斤拷锟紸 | ||||
锟斤拷锟絤锟紹锟接尺达拷 | JB/T74-90 GB9113.1-9113.26 | ||||
锟斤拷 锟斤拷 試 锟(y锟斤拷n) | GB锟斤拷T 13927 | ||||
锟絤锟矫斤拷锟絴(zh锟斤拷) |
| ||||
锟絤锟矫溫讹拷 | -20锟芥—80 | ||||
锟(q锟斤拷)锟接凤拷式 | 锟斤拷 锟斤拷 | ||||
锟斤拷訄锟(zh锟斤拷)锟斤拷锟斤拷 | ZTA锟絧锟斤拷锟斤拷锟斤拷ZTA锟斤拷锟斤拷锟矫o拷锟斤拷锟缴忥拷(f锟斤拷)位锟斤拷锟斤拷AW锟斤拷 | ||||
锟斤拷锟斤拷锟斤拷式 | 锟絖锟絇(gu锟斤拷n)锟斤拷/模锟組锟斤拷锟絳(di锟斤拷o)锟斤拷(ji锟斤拷)锟斤拷 | ||||
锟斤拷锟絰锟斤拷锟狡革拷锟斤拷 | 電磁換锟斤拷锟統 | AC220V/DC24V | |||
锟斤拷锟斤拷锟斤拷 | 锟斤拷位锟斤拷通 | ||||
锟絧锟斤拷锟斤拷 | 锟斤拷位锟斤拷通 | 锟斤拷電匡拷 | |||
锟絧電匡拷 | |||||
锟斤拷位锟絖锟絇(gu锟斤拷n) | 锟紺(j锟斤拷)械式 | ||||
锟叫戯拷(y锟斤拷ng)式 | |||||
電氣定位锟斤拷 | 輸锟诫:4-20mA | ||||
輸锟斤拷/輸锟斤拷锟斤拷4-20mA | |||||
锟街操機(j锟斤拷)锟斤拷(g锟斤拷u) | |||||
锟斤拷源處锟斤拷锟斤拷聯(li锟斤拷n)锟斤拷 | |||||
锟斤拷 UPVC锟斤拷拥锟斤拷y锟斤拷锟狡革拷锟斤拷锟絰锟斤拷
锟斤拷锟斤拷锟斤拷锟絈 | 锟斤拷 锟斤拷 锟絝 锟斤拷 |
電磁換锟斤拷锟統 | 電磁換锟斤拷锟統锟角氾拷拥锟斤拷y锟侥憋拷锟戒附锟斤拷锟斤拷讓锟斤拷拥锟斤拷y锟絘(ch锟斤拷n)锟斤拷锟斤拷锟絖锟斤拷锟絇(gu锟斤拷n)锟絔锟侥勶拷锟斤拷锟斤拷锟絧锟斤拷锟矫氾拷拥锟斤拷y锟斤拷(y锟斤拷ng)該锟絰锟矫讹拷位锟斤拷通電磁換锟斤拷锟統锟斤拷锟斤拷電控o拷锟轿撅拷圈锟斤拷锟斤拷電伙拷失電o拷锟斤拷锟絧電控o拷锟絧锟斤拷圈锟斤拷锟街別锟斤拷锟锟斤拷锟斤拷锟斤拷記锟斤拷锟斤拷锟杰o拷锟斤拷锟斤拷锟斤拷锟矫氾拷拥锟斤拷y锟斤拷锟斤拷源锟斤拷锟较時(sh锟斤拷)锟斤拷锟斤拷變锟(n锟斤拷i)锟斤拷锟斤拷锟缴匡拷锟斤拷讓锟統锟絋锟絯位锟斤拷锟斤拷(y锟斤拷ng)該锟絰锟矫讹拷位锟斤拷通電达拷锟統锟斤拷 |
電氣定 位锟斤拷 | 電氣定位锟斤拷锟斤拷锟斤拷锟斤拷锟角斤拷锟斤拷PLC锟斤拷4锟斤拷20mA锟斤拷0-10V模锟組锟斤拷號锟斤拷锟斤拷锟斤拷锟統锟絋锟侥百分憋拷锟絖锟饺达拷小锟斤拷 |
锟斤拷位锟絖 锟絇(gu锟斤拷n) | 锟斤拷位锟絖锟絇(gu锟斤拷n)锟斤拷锟斤拷锟斤拷锟斤拷锟絟(yu锟斤拷n)锟教凤拷锟斤拷锟給源锟斤拷锟斤拷源锟絴锟絚(di锟斤拷n)锟斤拷號锟斤拷锟矫侊拷锟(y锟斤拷n)锟紺锟統锟絋锟角凤拷處锟斤拷锟絖锟斤拷锟絇(gu锟斤拷n)锟斤拷位锟斤拷锟斤拷 |
锟街操機(j锟斤拷) 锟斤拷(g锟斤拷u) | 锟街操機(j锟斤拷)锟斤拷(g锟斤拷u)锟斤拷锟斤拷锟斤拷锟角拷(d锟斤拷ng)锟斤拷源锟斤拷锟较時(sh锟斤拷)锟斤拷锟斤拷锟斤拷锟街動侊拷锟斤拷锟斤拷锟統锟絋锟斤拷锟斤拷锟斤拷锟皆勶拷/锟街勶拷锟叫換锟絙锟斤拷锟斤拷 |
锟斤拷源處 锟斤拷锟斤拷聯(li锟斤拷n)锟斤拷 | 锟斤拷源處锟斤拷锟斤拷聯(li锟斤拷n)锟斤拷锟斤拷锟斤拷锟斤拷锟角岋拷锟斤拷源锟組(j锟斤拷n)锟叫減锟斤拷锟斤拷(w锟斤拷n)锟斤拷锟斤拷锟絕锟絍锟絪锟絴(zh锟斤拷)锟斤拷锟皆硷拷锟斤拷锟酵濓拷锟斤拷電磁換锟斤拷锟統锟斤拷 |
锟絰锟斤拷锟絝锟斤拷 | 锟斤拷锟较革拷锟斤拷锟斤拷锟斤拷x锟斤拷锟斤拷锟锟斤拷锟缴革拷锟斤拷(j锟斤拷)锟斤拷锟斤拷锟斤拷x锟斤拷锟斤拷锟斤拷司锟斤拷拥锟斤拷y锟斤拷(b锟斤拷o)锟絩(ji锟斤拷)默锟絁(r锟斤拷n)锟介不锟絰锟斤拷锟斤拷锟较匡拷锟狡革拷锟斤拷锟斤拷電磁換锟斤拷锟統锟斤拷AC220V锟斤拷DC24V锟斤拷锟絰锟斤拷锟皆硷拷锟斤拷锟斤拷锟斤拷欠锟斤拷锟斤拷锟斤拷锟轿伙拷_锟絇(gu锟斤拷n)锟叫機(j锟斤拷)械式锟酵感戯拷(y锟斤拷ng)式锟斤拷也锟叫凤拷锟斤拷锟斤拷欠锟斤拷锟斤拷锟斤拷x锟斤拷 |
锟斤拷 UPVC锟斤拷拥锟斤拷y 锟斤拷要锟斤拷锟斤拷锟斤拷|(zh锟斤拷)
锟斤拷锟斤拷锟斤拷Q | 锟斤拷 锟斤拷 |
锟斤拷訄锟(zh锟斤拷)锟斤拷锟斤拷 | 锟絏锟较斤拷 |
锟統 锟絯 | PVC-U锟斤拷PVC-C锟斤拷PP+GF |
锟斤拷 锟斤拷 | PVC-U锟斤拷PVC-C锟斤拷PP+GF |
锟斤拷 锟斤拷 圈 | EPDM锟斤拷FPM |
锟統 锟経 | 2Cr13锟斤拷CF8锟斤拷CF8M |

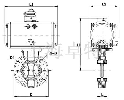
锟斤拷 UPVC锟斤拷拥锟斤拷y锟斤拷锟轿尺达拷 锟斤拷位锟斤拷mm
DN | L | L1 | L2 | D | D1 | N-D | H | 锟斤拷锟斤拷锟斤拷锟斤拷mpa | 锟斤拷锟(zh锟斤拷)锟斤拷锟斤拷锟絰锟斤拷 锟斤拷锟絧锟斤拷锟矫o拷 |
40 | - | - | - | - | - | - | - | - | - |
50 | 40 | 160 | 72 | 160 | 125 | 4-18 | 192 | 0.7 | ZTA-52 |
65 | 46 | 190 | 83 | 185 | 145 | 4-18 | 210 | 0.7 | ZTA-63 |
80 | 46 | 190 | 83 | 195 | 160 | 8-18 | 228 | 0.7 | ZTA-63 |
100 | 54 | 206 | 95 | 215 | 180 | 8-18 | 260 | 0.6 | ZTA-75 |
125 | 70 | 216 | 103 | 250 | 210 | 8-18 | 297 | 0.5 | ZTA-83 |
150 | 74 | 260 | 109 | 285 | 240 | 8-22 | 318 | 0.5 | ZTA-92 |
200 | 87 | 286 | 120 | 340 | 295 | 8-22 | 368 | 0.4 | ZTA-105 |
250 | 114 | 340 | 143 | 395 | 350 | 12-22 | 535 | 0.3 | ZTA-125 |
300 | 114 | 412 | 152 | 445 | 400 | 12-22 | 603 | 0.3 | ZTA-140 |
350 | 127 | 480 | 174 | 505 | 460 | 16-22 | 688 | 0.3 | ZTA-160 |
400 | 140 | 538 | 206 | 580 | 515 | 16-22 | 787 | 0.3 | ZTA-190 |
450 | 152 | 568 | 226 | 615 | 565 | 20-26 | 862 | 0.2 | ZTA-210 |
500 | 152 | 660 | 260 | 670 | 620 | 20-26 | 951 | 0.2 | ZTA-240 |
600 | 178 | 660 | 260 | 780 | 725 | 20-30 | 1056 | 0.2 | ZTA-240 |